LED照明系统设计技巧
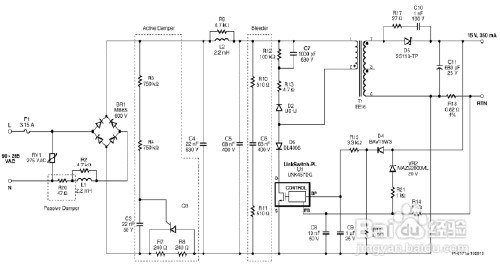
1、该控制器是Power Integrations(PI)推出的LinkSwitch-PL 器件。它在一个单片IC 上集成了高压功率MOSFET 开关和电源控制器。该器件提供单级功率因数校正(PFC)和LED 电流控制。该电路可用作非连续模式、可变频率、可变导通时倘截间反激式转换器。整流后的交流电源输入由集成的725V 功率MOSFET 通过高频变压器进行开关。次级绕组上产生的电压在变成LED 负载之前会被整流和平滑。LED 负狠速载电流还流经检测电阻RSENSE。RSENSE 上产生的电压(典型值为290mV)会通过RF 出现在反馈(FB)引脚,从而提供精确的恒流反馈控制。DES 和RES 为LinkSwitch-PL 供电,DZOV 和ROV 在LED 开路时提供过压保护。

2、电路提供350mA 的单路恒流输出和15V 的LED 串电压。使用标准交流电源可控硅
调光器可将输出电流减小1%(3mA),并且不会造成LED 负载不稳定或闪烁。该驱动器可同时兼容低成本的可控硅调光器和更复杂的电子前沿及后沿调光器。该驱动器的功能增加了输入EMI 滤波和三个可控硅调光所特有的元件:一个无源衰减电路、一个有源衰减电路和一个泄放电路。

3、该电路能够在90VAC 至265VAC 的输入电压范围内对28V 的额定LED 串电压提供0.5A 驱动电流,其特性包括超宽调光范围、无闪烁工作(即使使用低成本的交流输入可控硅调光器)以及快速平滑的导通。它所使用的拓扑结构是运行于连续导通模式下的隔离反激式结构。输出电流调节完全从初级侧检测,因此无需使用次级反馈元件。单级内部控制器调整高压功率MOSFET 的占空比,以保持输入电流为正弦交流电,从而确保高功率因数和低谐波电流。

4、随着LED 照明市场潜力的不断扩大,上述设计折衷凸显出了一系列哲学问题。既然新技术的功耗只是旧技术的十分之一,在会降低效率(即增加功耗)的情况下,是否真的有必要与所有旧的可控硅控制器实现兼容?当使率场季用一个最低负载规格为40W 的1000W 可控硅控制器提供驱动时,我们能否让一个5W LED 灯正确工作呢?是的,这是可以做到的,也许应该尽快做到。但我们必须谨记,完整照明解决方案的最终目标是实现最大效率和最低生命周期成本。