指南生活
首页
美食营养
手工爱好
生活家居
返回
指南生活
首页
美食营养
游戏数码
手工爱好
生活家居
健康养生
运动户外
职场理财
情感交际
母婴教育
时尚美容
知识问答
生活知识
生活百科
搜索
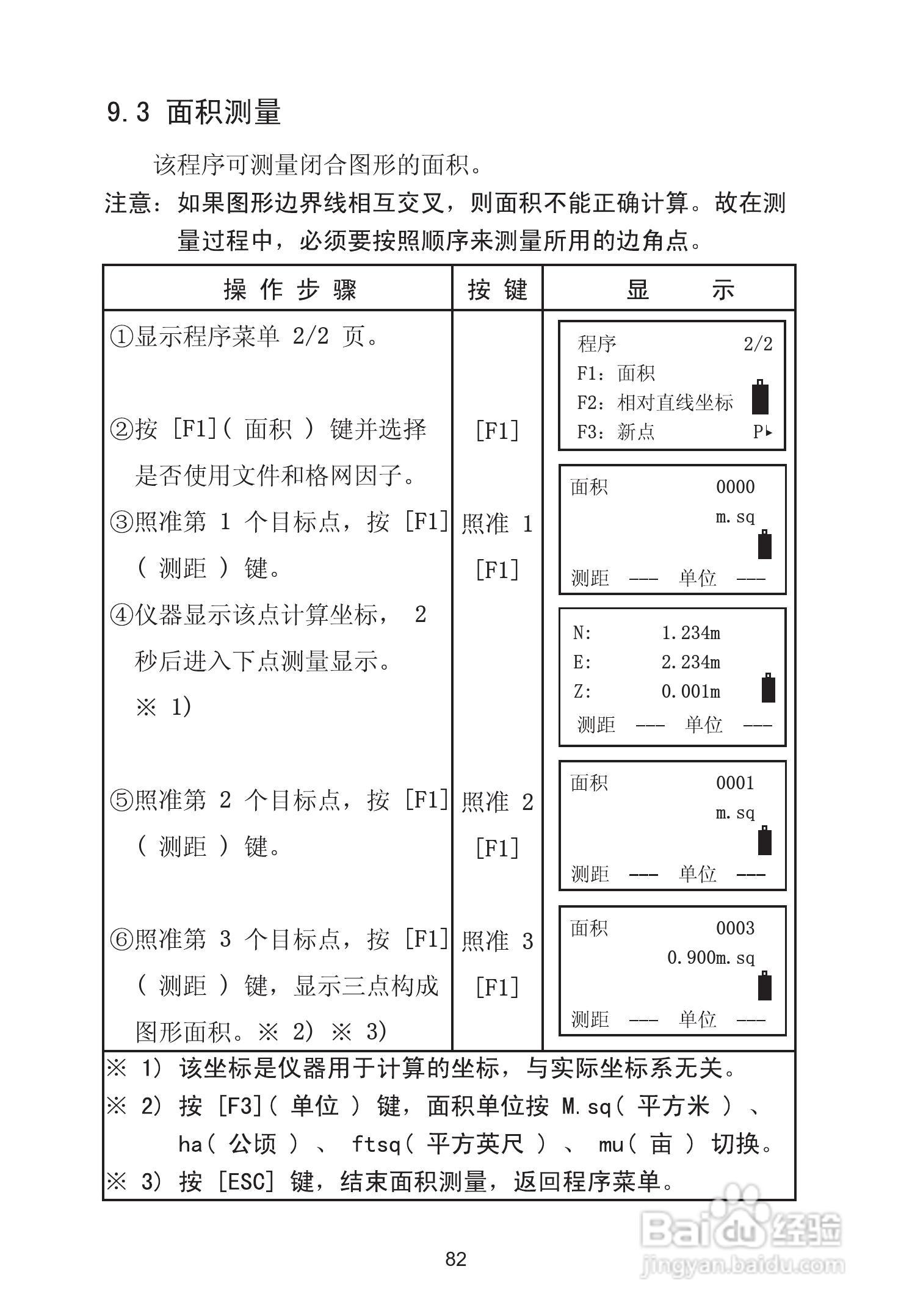
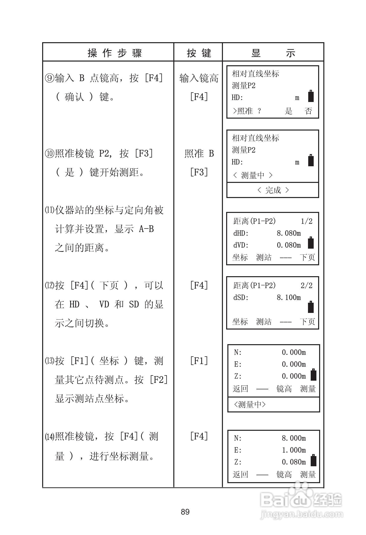
苏州一光RTS115L全站仪使用说明书:[10]
2026-04-26 01:46:27
本篇为《苏州一光RTS115L全站仪使用说明书》,主要介绍该产品的使用方法以及常见故障解决方案。
(共篇)
上一篇:
|
下一篇:
声明:
本网站引用、摘录或转载内容仅供网站访问者交流或参考,不代表本站立场,如存在版权或非法内容,请联系站长删除,联系邮箱:site.kefu@qq.com。
相关推荐
苏州一光RTS115L全站仪使用说明书:[9]
阅读量:192
苏州一光RTS315L全站仪使用说明书:[10]
阅读量:167
苏州一光RTS315L全站仪使用说明书:[5]
阅读量:40
苏州一光RTS315L全站仪使用说明书:[8]
阅读量:157
使用说明书封面怎么做
阅读量:51
猜你喜欢
three是什么意思
uninstall是什么意思
知难而退的意思
惠崇春江晚景的意思
两小儿辩日的意思
86型插座是什么意思
ebs是什么意思
车子年检需要什么资料
september是什么意思
考研结果什么时候出
猜你喜欢
brush是什么意思
抹杀的意思
迎刃而解的意思
事业单位是什么意思
学古筝有什么好处
hrd是什么意思
green是什么意思
液晶电视什么牌子好
nba什么时候开赛
股票价格由什么决定