指南生活
首页
美食营养
手工爱好
生活家居
返回
指南生活
首页
美食营养
游戏数码
手工爱好
生活家居
健康养生
运动户外
职场理财
情感交际
母婴教育
时尚美容
知识问答
生活知识
搜索
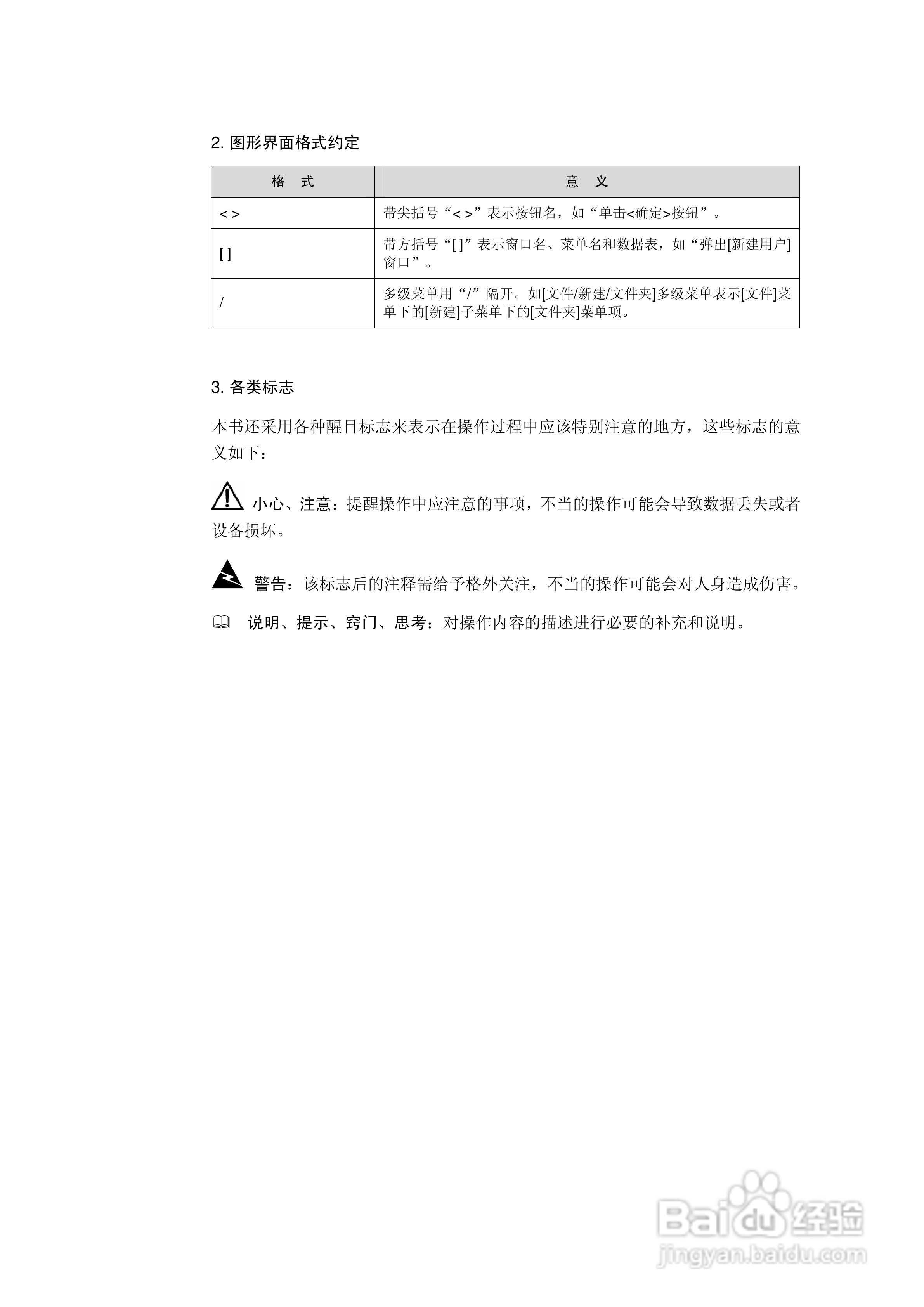
H3C MSR5006路由器操作手册:[1]
2025-12-30 02:48:09
本篇为《H3C MSR5006路由器操作手册》,主要介绍该产品的使用方法以及常见故障解决方案。
(共篇)
下一篇:
声明:
本网站引用、摘录或转载内容仅供网站访问者交流或参考,不代表本站立场,如存在版权或非法内容,请联系站长删除,联系邮箱:site.kefu@qq.com。
相关推荐
H3C MSR5006路由器操作手册:[60]
阅读量:35
H3C MSR5006路由器操作手册:[83]
阅读量:36
路由器如何使用
阅读量:132
路由器密码如何设置
阅读量:126
路由器上的los红灯闪是什么意思
阅读量:77
猜你喜欢
低烧怎么办
网络诈骗怎么报案
铀怎么读
红烧带鱼怎么做
pdf怎么编辑
油饼怎么做又软又好吃
钊怎么读
予怎么读
花儿为什么这样红小提琴
冼怎么读
猜你喜欢
牙痛怎么办
吃西餐刀叉怎么拿
注册表怎么打开
偏头痛怎么缓解
格式刷怎么用
为什么会长针眼
为什么拉屎会出血
睡不着怎么办
微信支付密码忘了怎么办
我的世界铁砧怎么做