指南生活
首页
美食营养
手工爱好
生活家居
返回
指南生活
首页
美食营养
游戏数码
手工爱好
生活家居
健康养生
运动户外
职场理财
情感交际
母婴教育
时尚美容
知识问答
生活知识
搜索
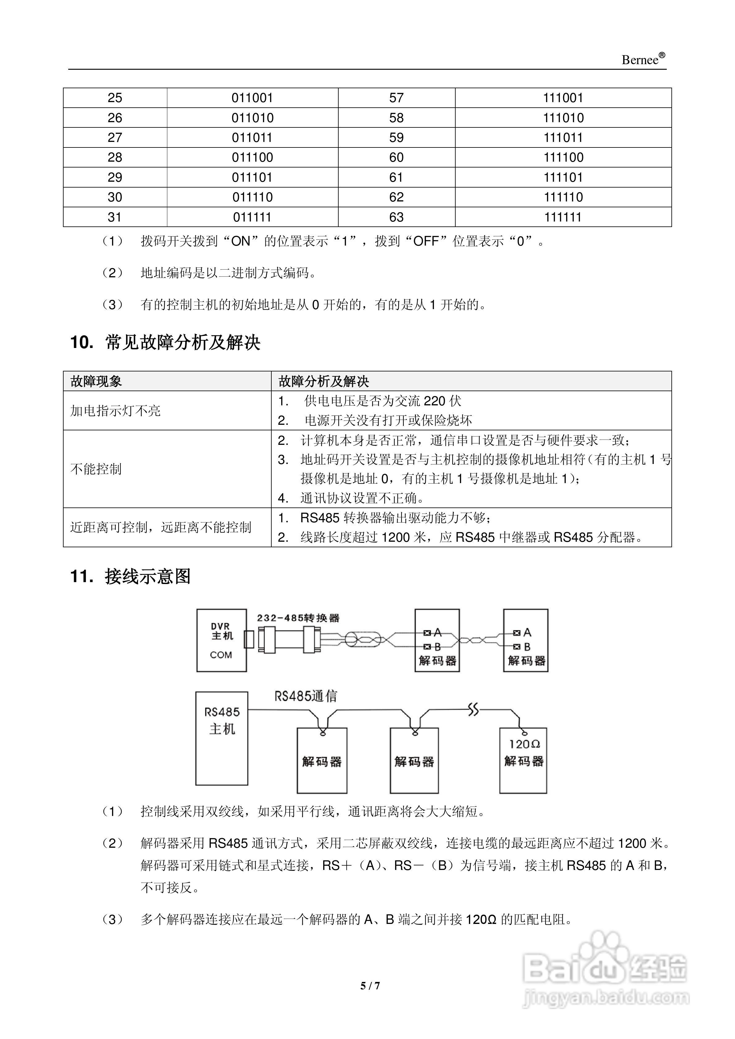
室内解码器(BN-800F)使用说明书
2026-02-26 11:28:33
声明:
本网站引用、摘录或转载内容仅供网站访问者交流或参考,不代表本站立场,如存在版权或非法内容,请联系站长删除,联系邮箱:site.kefu@qq.com。
相关推荐
监控设备解码器的调试
阅读量:70
解码器的分类与使用
阅读量:56
解码器怎么连接电脑
阅读量:26
LAV 解码器如何开启硬解
阅读量:71
使用说明书封面怎么做
阅读量:174
猜你喜欢
天津验车需要带什么
带你飞是什么意思
炒鱿鱼的意思
什么是soap
魔蝎座和什么星座配
搞笑祝福语
冬季祝福语
核酸检测阳性什么意思
购买支票需要带什么
抖音生日祝福语
猜你喜欢
无聊的时候玩什么游戏
惶急的意思
不毛之地的毛是什么意思
股票前面xd是什么意思
考验的意思
车蜡什么牌子好
拾人牙慧是什么意思
长高喝什么牛奶
ancient是什么意思
真皮沙发什么牌子好