指南生活
首页
美食营养
手工爱好
生活家居
返回
指南生活
首页
美食营养
游戏数码
手工爱好
生活家居
健康养生
运动户外
职场理财
情感交际
母婴教育
时尚美容
知识问答
生活知识
生活百科
搜索
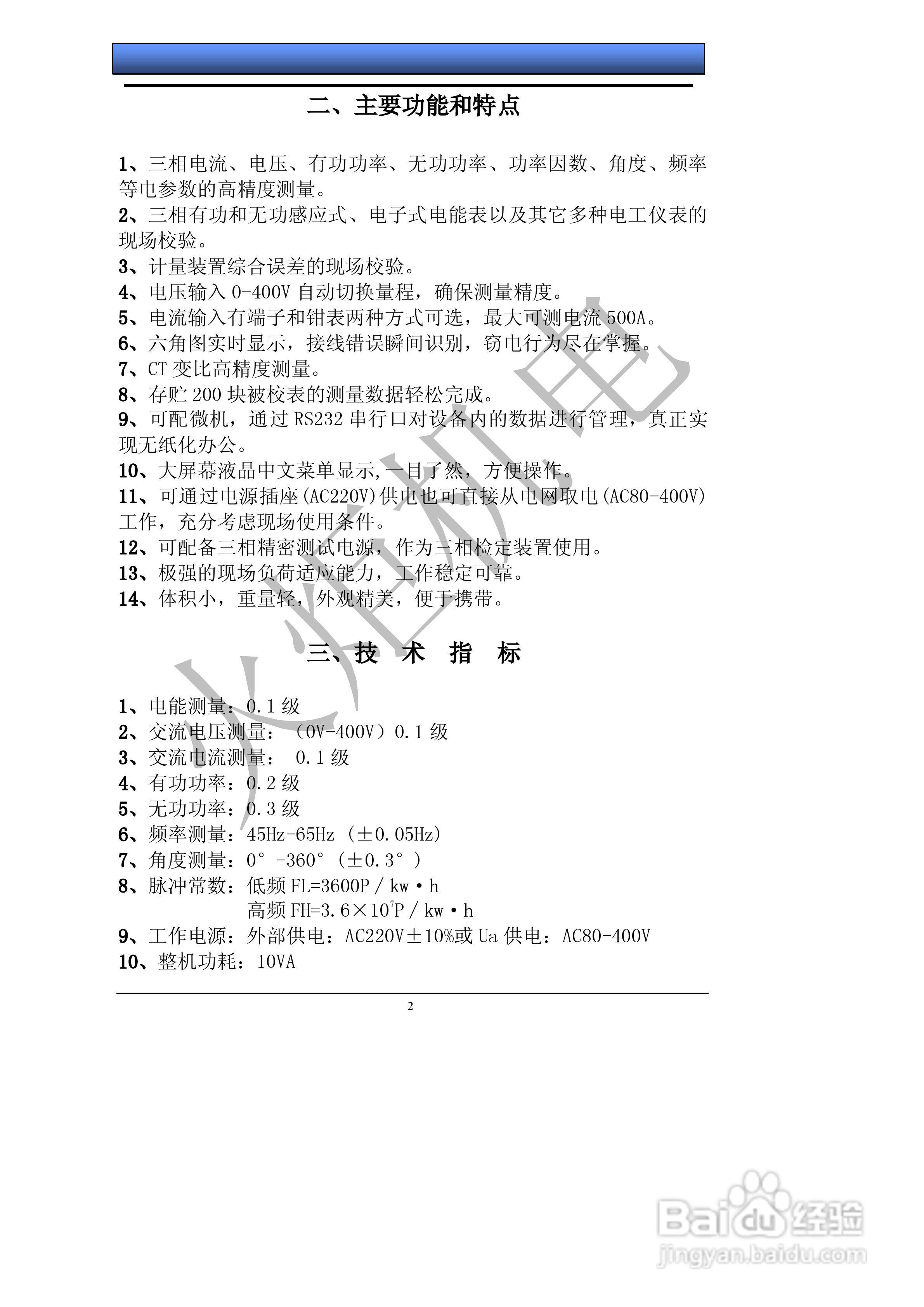
HJDN-3H多功能电能表现场校验仪的使用说明书:[1]
2026-04-22 14:07:54
本篇为《HJDN-3H多功能电能表现场校验仪的使用说明书》,主要介绍该产品的使用方法以及常见故障解决方案。
(共篇)
下一篇:
声明:
本网站引用、摘录或转载内容仅供网站访问者交流或参考,不代表本站立场,如存在版权或非法内容,请联系站长删除,联系邮箱:site.kefu@qq.com。
相关推荐
能高HNJYM-III三相多功能电能表现场校验仪说明书:[1]
阅读量:130
能高HNJYM-III三相多功能电能表现场校验仪说明书:[3]
阅读量:75
GWYM-3 多功能电能表现场校验仪操作说明
阅读量:76
多功能电能表现场校验仪全触摸键盘操作方式
阅读量:51
能高HNJYM-III三相多功能电能表现场校验仪说明书:[2]
阅读量:38
猜你喜欢
祸不单行是什么意思
honest是什么意思
什么是命名空间
交易所是做什么的
羊肉与什么不能同吃
赤子之心是什么意思
什么是isbn
好朋友结婚祝福语
扫视的意思
用什么播放器
猜你喜欢
衰老的意思
ip65是什么意思
勤勉的意思
羽绒服什么牌子质量好
gas是什么意思
蓝色西服配什么裤子
坐骨神经疼什么原因
圆脸烫什么发型好看
canteen是什么意思
通情达理的意思