指南生活
首页
美食营养
手工爱好
生活家居
返回
指南生活
首页
美食营养
游戏数码
手工爱好
生活家居
健康养生
运动户外
职场理财
情感交际
母婴教育
时尚美容
知识问答
生活知识
生活百科
搜索
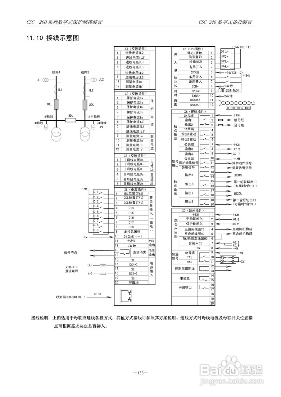
四方CSC-246数字式备用电源自动投入装置说明书:[15]
2026-04-04 16:43:49
本篇为《四方CSC-246数字式备用电源自动投入装置说明书》,主要介绍该产品的使用方法以及常见故障解决方案。
(共篇)
上一篇:
|
下一篇:
声明:
本网站引用、摘录或转载内容仅供网站访问者交流或参考,不代表本站立场,如存在版权或非法内容,请联系站长删除,联系邮箱:site.kefu@qq.com。
相关推荐
四方CSC-246数字式备用电源自动投入装置说明书:[9]
阅读量:181
四方盒的折纸
阅读量:144
四方收纳盒怎么折
阅读量:146
四方界山下乡村游攻略中
阅读量:57
四方形物品如何包装
阅读量:120
猜你喜欢
生活启示录演员表
安徽生活网
如何加盟京东快递
如何做淘宝客
如何挽回老公
双城生活电视剧
学生不做作业怎么办
校友会排名是什么意思
送结婚红包怎么写
怎么补肾最好
猜你喜欢
生活中的英语
如何学韩语
手机开不开机怎么刷机
如何使用微信公众号
电子邮箱是什么
个人简介怎么写范文
手机qq怎么下载
如何发微信红包
茄子干怎么晒
看图作文怎么写