指南生活
首页
美食营养
手工爱好
生活家居
返回
指南生活
首页
美食营养
游戏数码
手工爱好
生活家居
健康养生
运动户外
职场理财
情感交际
母婴教育
时尚美容
知识问答
生活知识
搜索
azbil AI-6925C电动二通阀使用说明书:[3]
2025-12-11 00:09:30
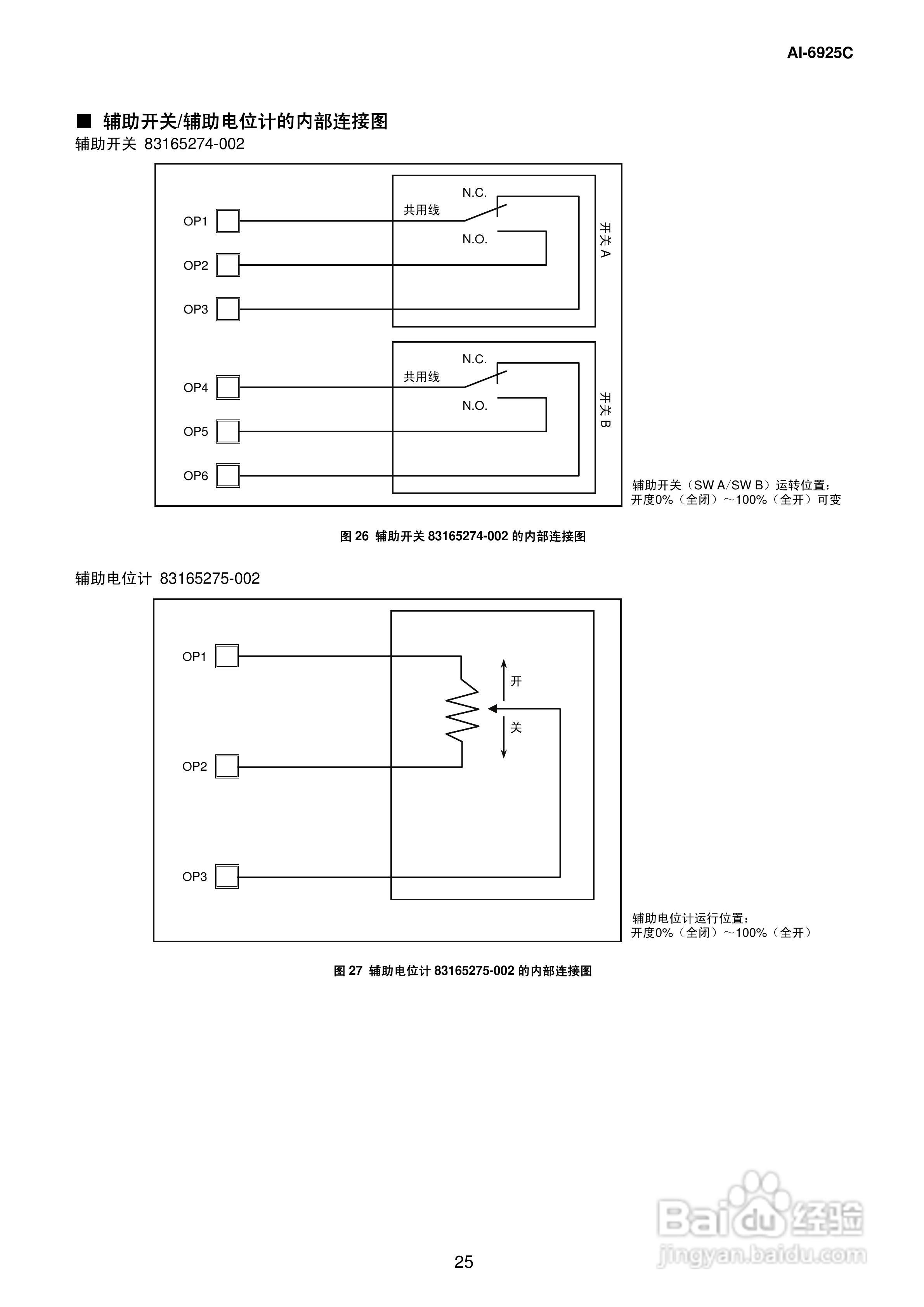
本篇为《azbil AI-6925C电动二通阀使用说明书》,主要介绍该产品的使用方法以及常见故障解决方案。
(共篇)
上一篇:
声明:
本网站引用、摘录或转载内容仅供网站访问者交流或参考,不代表本站立场,如存在版权或非法内容,请联系站长删除,联系邮箱:site.kefu@qq.com。
相关推荐
AI弧形工具的使用
阅读量:21
Ai如何编辑混合轴
阅读量:50
AI如何画一个半圆
阅读量:123
如何使用AI制作花环
阅读量:119
AI如何绘制金牌
阅读量:123
猜你喜欢
2014是什么年
先见之明是什么意思
两女一杯什么意思
运动服装
老坛酸菜的腌制方法
什么动物天天熬夜
88年是什么命
什么叫基金
人为什么而活着
乔迁新居送什么礼物
猜你喜欢
教师的职责是什么
家庭烤肉的腌制方法
桃子属于什么种类的水果
奚落的反义词是什么
老坛酸菜的腌制方法
attend是什么意思
蝎子养殖技术
不拘一格是什么意思
动物的尾巴有什么作用
认缴制是什么意思