指南生活
首页
美食营养
手工爱好
生活家居
返回
指南生活
首页
美食营养
游戏数码
手工爱好
生活家居
健康养生
运动户外
职场理财
情感交际
母婴教育
时尚美容
知识问答
生活知识
搜索
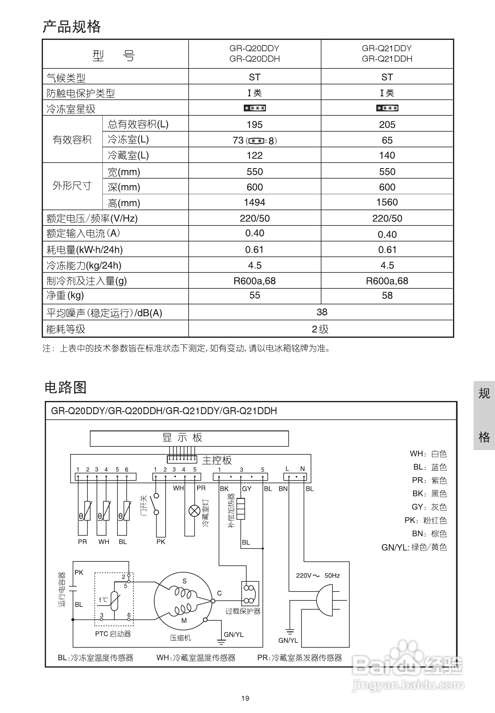
LG GR-Q20DDY电冰箱使用说明书:[3]
2026-01-05 00:47:55
(共篇)
上一篇:
声明:
本网站引用、摘录或转载内容仅供网站访问者交流或参考,不代表本站立场,如存在版权或非法内容,请联系站长删除,联系邮箱:site.kefu@qq.com。
相关推荐
LG GR-Q20DDY电冰箱使用说明书:[2]
阅读量:176
LG GR-Q20DDY电冰箱使用说明书:[1]
阅读量:107
LG GR-Q21DDH电冰箱使用说明书:[3]
阅读量:94
LG GR-Q24NDF电冰箱使用说明书:[3]
阅读量:116
使用说明书wf2651使用指南
阅读量:98
猜你喜欢
让生活更美好
永恒铸币怎么刷快
8月15日是什么星座
南康生活网
肺宁颗粒效果怎么样
快猫记录生活记录你
红龙鱼怎么养
股票退市股民怎么办
美国生活片
bba是什么车
猜你喜欢
如何鉴别注胶翡翠
遴选是什么意思
阿托伐他汀钙片怎么样
北京现代汽车怎么样
对生活的感悟作文
健康的生活方式
冰箱如何除臭
如何看电脑是什么系统
ipv6是什么意思啊
亚马逊怎么联系卖家