指南生活
首页
美食营养
手工爱好
生活家居
返回
指南生活
首页
美食营养
游戏数码
手工爱好
生活家居
健康养生
运动户外
职场理财
情感交际
母婴教育
时尚美容
知识问答
生活知识
生活百科
搜索
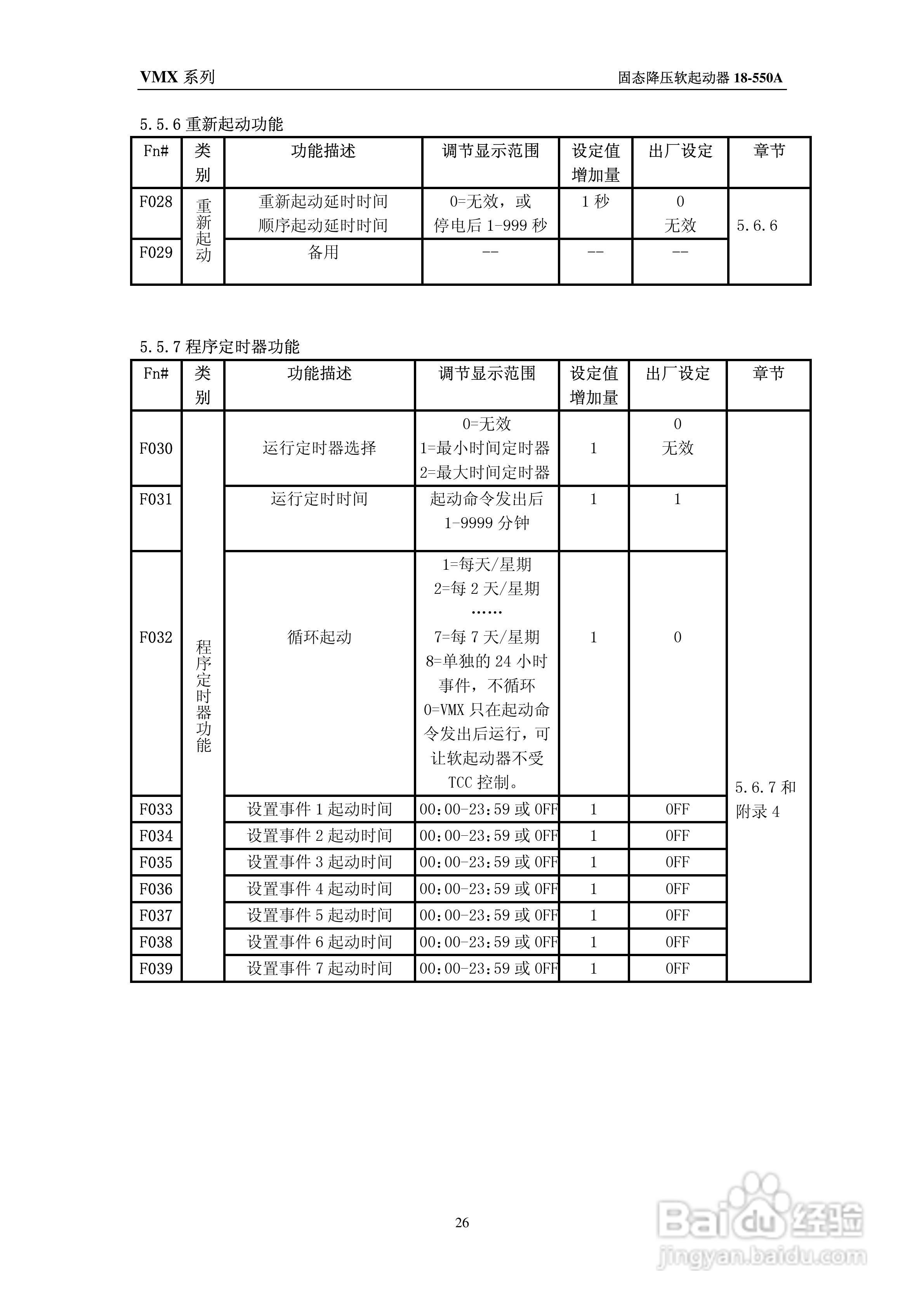
摩托托尼VMX软起动器中文说明书:[3]
2026-04-28 22:39:08
本篇为《摩托托尼VMX软起动器中文说明书》,主要介绍该产品的使用方法以及常见故障解决方案。
(共篇)
上一篇:
|
下一篇:
声明:
本网站引用、摘录或转载内容仅供网站访问者交流或参考,不代表本站立场,如存在版权或非法内容,请联系站长删除,联系邮箱:site.kefu@qq.com。
相关推荐
摩托托尼VMX软起动器中文说明书:[5]
阅读量:108
摩托托尼VMX软起动器中文说明书:[8]
阅读量:195
摩托托尼XLD软起动器中文说明书:[6]
阅读量:43
摩托托尼XLD软起动器中文说明书:[4]
阅读量:51
摩托车怠速如何调整
阅读量:164
猜你喜欢
guide是什么意思
哪些食物含维生素d
撒拉嘿呦是什么意思
皮肤出油是什么原因
维生素b1说明书
什么是供给侧改革
茶花的养殖方法
初中毕业学什么专业好
眼泡肿是什么原因
运动减肥
猜你喜欢
祺是什么意思
如何腌制泡菜
本息是什么意思
2015是什么年
prp是什么意思
对偶句是什么意思
什么是自考
黄玫瑰花语是什么
unit什么意思
11月24日是什么日子