指南生活
首页
美食营养
手工爱好
生活家居
返回
指南生活
首页
美食营养
游戏数码
手工爱好
生活家居
健康养生
运动户外
职场理财
情感交际
母婴教育
时尚美容
知识问答
生活知识
搜索
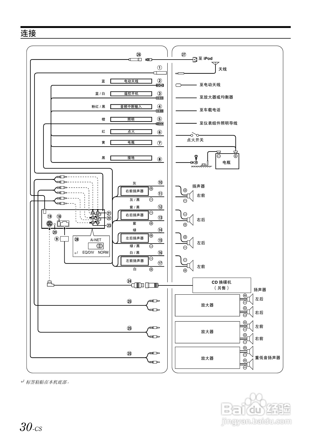
阿尔派(CDA-9885)型接收机说明书:[2]
2026-01-28 22:50:46
(共篇)
上一篇:
声明:
本网站引用、摘录或转载内容仅供网站访问者交流或参考,不代表本站立场,如存在版权或非法内容,请联系站长删除,联系邮箱:site.kefu@qq.com。
相关推荐
阿尔派(CDA-9885)型接收机说明书:[1]
阅读量:92
凯立德导航离线地图怎么下载?
阅读量:77
福特翼虎CD机如何改家用
阅读量:139
佛山道声宝马525音响改装工艺之三角位倒模篇
阅读量:178
阿尔派CDA-9887型接收机说明书:[1]
阅读量:68
猜你喜欢
鲍毓明事件是怎么回事
慢性盆腔炎怎么治疗
痛风发作了怎么样才能快速缓解下去
cf斗地主怎么玩
天猫积分怎么用
离婚证怎么办
首都经济贸易大学怎么样
毕业论文致谢怎么写
木薯怎么煮才没有毒
水壶里的水垢怎么去除
猜你喜欢
个人怎么做微信小程序
热水器泄压阀怎么调节
左胸疼是怎么回事
北斗导航怎么样好用吗
ix25怎么样
背上长痘痘怎么治疗
怎么变漂亮
ps卸载不了怎么办
齐齐哈尔大学怎么样
怎么穿丝袜