指南生活
首页
美食营养
手工爱好
生活家居
返回
指南生活
首页
美食营养
游戏数码
手工爱好
生活家居
健康养生
运动户外
职场理财
情感交际
母婴教育
时尚美容
知识问答
生活知识
搜索
伟创AC80-T3-700G高性能矢量变频器使用手册:[2]
2025-12-21 18:06:40
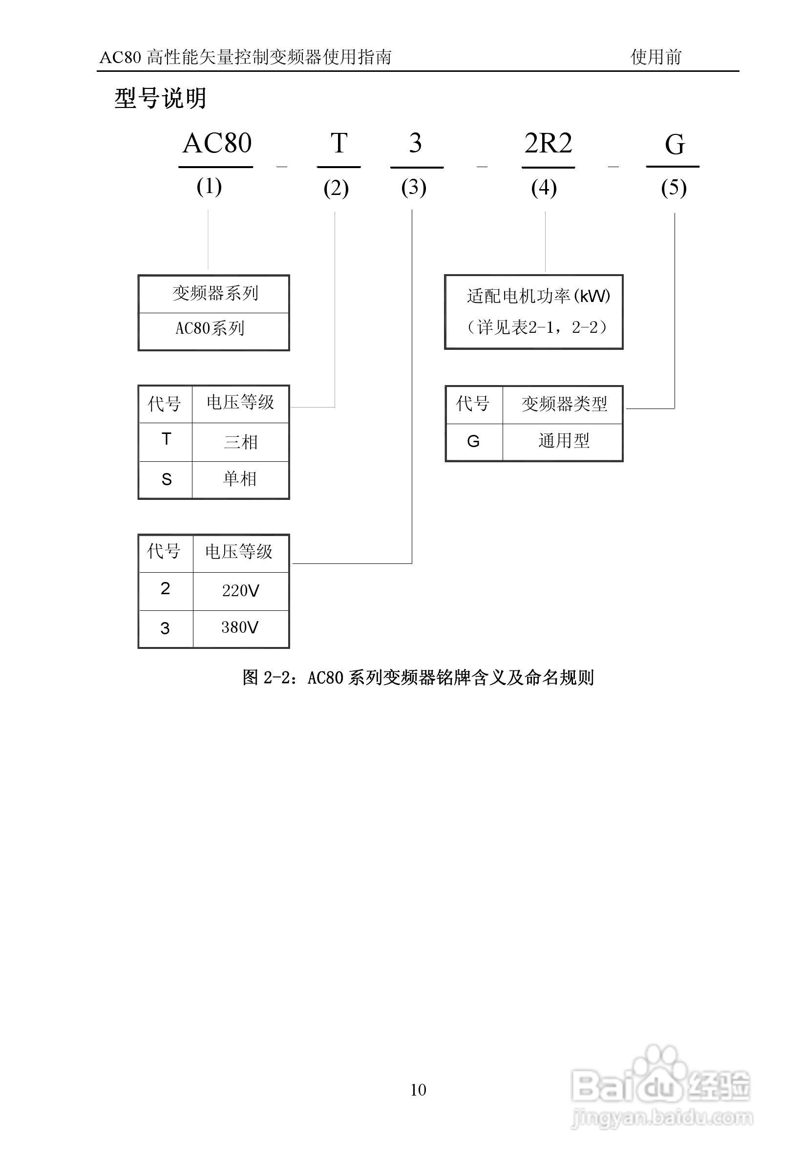
本篇为《伟创AC80-T3-700G高性能矢量变频器使用手册》,主要介绍该产品的使用方法以及常见故障解决方案。
(共篇)
上一篇:
|
下一篇:
声明:
本网站引用、摘录或转载内容仅供网站访问者交流或参考,不代表本站立场,如存在版权或非法内容,请联系站长删除,联系邮箱:site.kefu@qq.com。
相关推荐
伟创AC80-T3-700G高性能矢量变频器使用手册:[3]
阅读量:20
伟创AC80-T3-700G高性能矢量变频器使用手册:[6]
阅读量:71
变频器调试接线教程
阅读量:148
伟创AC80-T3-700G高性能矢量变频器使用手册:[5]
阅读量:47
伟创AC80-T3-700G高性能矢量变频器使用手册:[4]
阅读量:86
猜你喜欢
机制是什么意思
stupid是什么意思
索性的近义词是什么
三月不知肉味形容什么
综合知识考什么
爱过的人我已不再拥有是什么歌
管委会是什么性质单位
小鸟伏特加什么意思
代表什么
公积金贷款需要什么条件
猜你喜欢
亚麻带日语什么意思
褐色是什么颜色
梦见牛是什么意思
钓鱼用什么鱼饵最好
脱机使用打印机是什么意思
直营店是什么意思
什么的图画
wink什么意思中文翻译
人肉搜索是什么意思啊
gms是什么