指南生活
首页
美食营养
手工爱好
生活家居
返回
指南生活
首页
美食营养
游戏数码
手工爱好
生活家居
健康养生
运动户外
职场理财
情感交际
母婴教育
时尚美容
知识问答
生活知识
生活百科
搜索
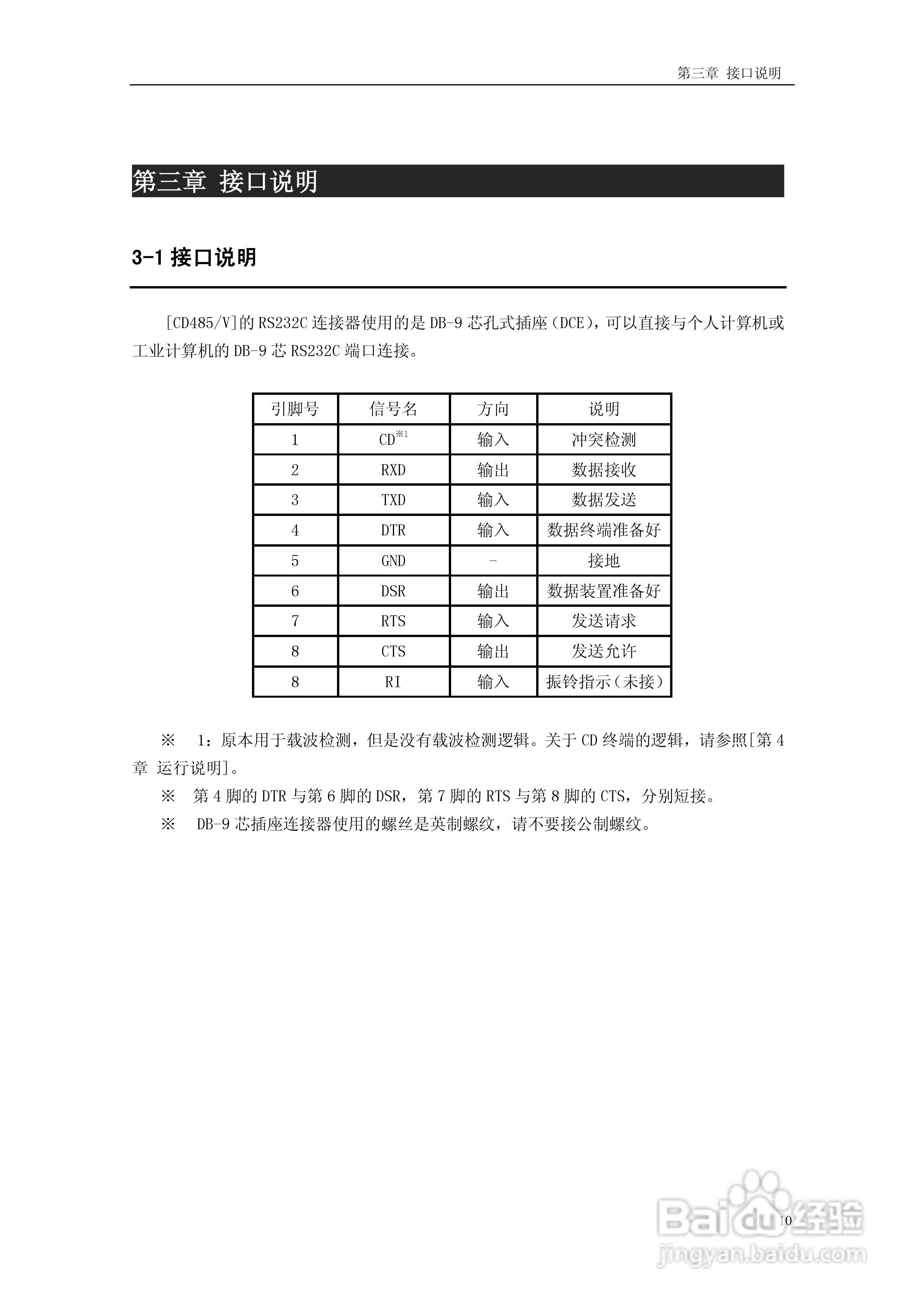
菱科CD485/V RS232C/RS485转换器用户手册:[2]
2026-04-24 22:33:00
本篇为《菱科CD485/V RS232C/RS485转换器用户手册》,主要介绍该产品的使用方法以及常见故障解决方案。
(共篇)
上一篇:
|
下一篇:
声明:
本网站引用、摘录或转载内容仅供网站访问者交流或参考,不代表本站立场,如存在版权或非法内容,请联系站长删除,联系邮箱:site.kefu@qq.com。
相关推荐
菱科CD485 RS232C/RS485转换器用户手册:[3]
阅读量:146
ODR-C31 以太网至RS232/422/485 转换器用户手册:[2]
阅读量:196
CANopen-RS485网关设备用户手册1
阅读量:86
如何进行RS485通信
阅读量:188
RS485保护方案
阅读量:60
猜你喜欢
痔疮出血怎么办
怎么截屏
early怎么读
调侃怎么读
电脑开机密码忘记了怎么办
兔肉怎么做好吃
活动方案怎么写
穿成大佬姨娘怎么破
怎么改微信号
门把手坏了怎么修
猜你喜欢
阳光车险怎么样
鸡翅怎么做好吃又简单
小米空气净化器怎么样
苹果怎么删除联系人
江南大学怎么样
肤色暗沉发黄怎么调理
燕窝怎么做
怎么介绍自己
夯怎么读音
大家的第一次是怎么发生的