指南生活
首页
美食营养
手工爱好
生活家居
返回
指南生活
首页
美食营养
游戏数码
手工爱好
生活家居
健康养生
运动户外
职场理财
情感交际
母婴教育
时尚美容
知识问答
生活知识
生活百科
搜索
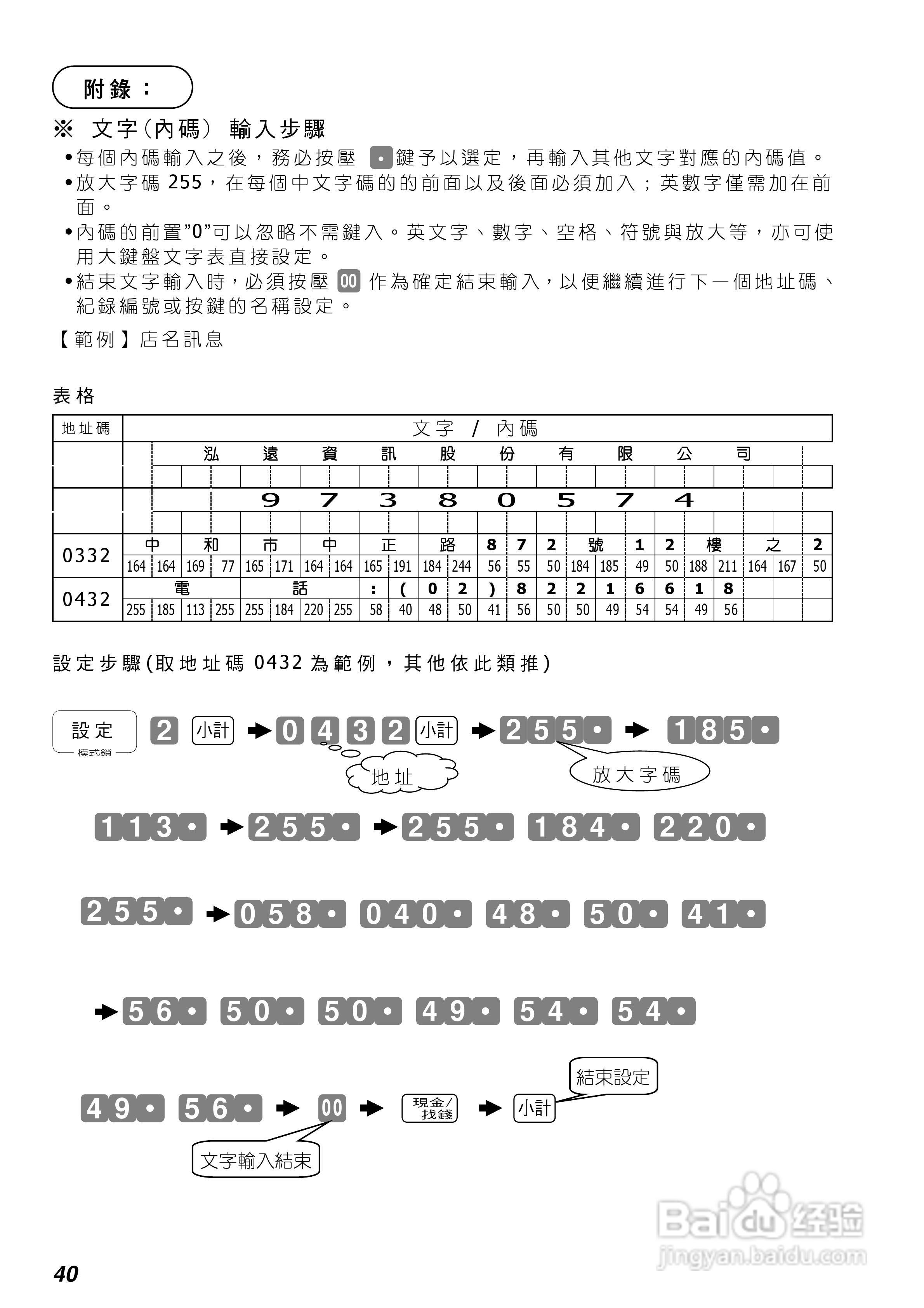
卡西欧SE-S300/C300电子收银机操作手册:[5]
2026-04-19 17:23:07
本篇为《卡西欧SE-S300/C300电子收银机操作手册》,主要介绍该产品的使用方法以及常见故障解决方案。
(共篇)
上一篇:
|
下一篇:
声明:
本网站引用、摘录或转载内容仅供网站访问者交流或参考,不代表本站立场,如存在版权或非法内容,请联系站长删除,联系邮箱:site.kefu@qq.com。
相关推荐
卡西欧SE-S300/C300电子收银机操作手册:[6]
阅读量:195
安装监控介绍,安装监控不求人
阅读量:124
想要知道门店收银系统哪个好?(已确认过眼神)
阅读量:36
收银机要如何挑选呢
阅读量:66
卡西欧160CR电脑收银机操作手册
阅读量:62
猜你喜欢
ibm是什么意思
什么是宾语
emba是什么意思
肛门口有个软软的肉疙瘩是什么
夏天有什么花
嘴上起泡是什么原因
梦见自己生了个儿子是什么意思
4月4日是什么星座
喝苦荞茶有什么好处
volvo是什么车
猜你喜欢
激动的反义词是什么
cold是什么意思
前列腺液是什么
亢奋什么意思
试管婴儿是什么
8月14日是什么节日
2002年属什么生肖
2月11日是什么星座
无纺布是什么材料做的
sam是什么意思