指南生活
首页
美食营养
手工爱好
生活家居
返回
指南生活
首页
美食营养
游戏数码
手工爱好
生活家居
健康养生
运动户外
职场理财
情感交际
母婴教育
时尚美容
知识问答
生活知识
生活百科
搜索
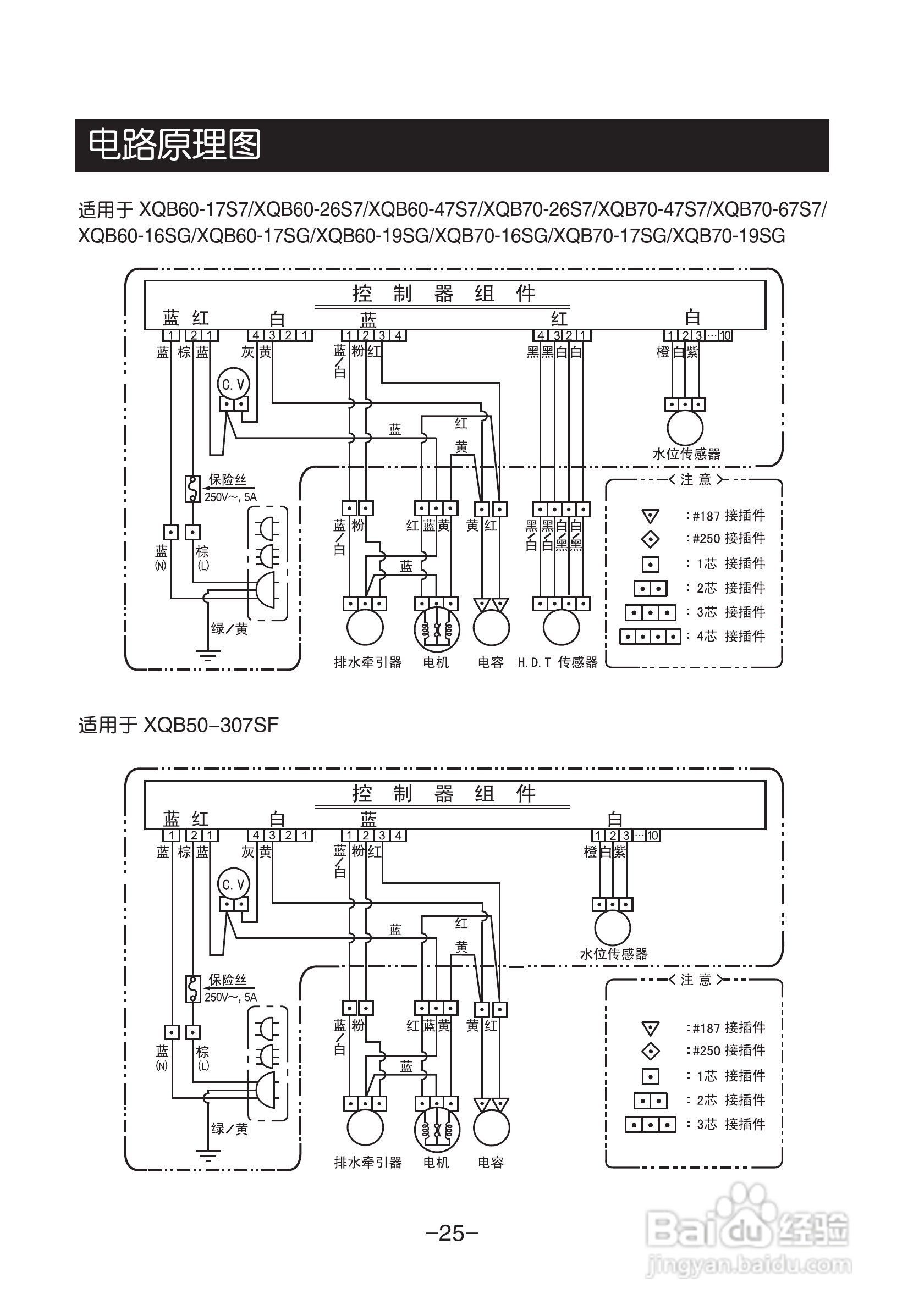
LG XQB60-19SG洗衣机使用说明书:[3]
2026-04-27 05:25:06
(共篇)
上一篇:
声明:
本网站引用、摘录或转载内容仅供网站访问者交流或参考,不代表本站立场,如存在版权或非法内容,请联系站长删除,联系邮箱:site.kefu@qq.com。
相关推荐
不同年龄段的宝宝选择纸尿裤的技巧解析
阅读量:63
长隆水上乐园 夜场 攻略
阅读量:37
今日头条怎么完成实名认证
阅读量:91
今日头条答题活动如何参加
阅读量:158
微信红包怎么捡漏?
阅读量:58
猜你喜欢
梦遗怎么办
危险源辨识方法
红烧鲳鱼的家常做法
minute怎么读音
广东建设职业技术学院怎么样
成本核算方法
风疹的治疗方法
儿童舞蹈视频大全
鸡肉的做法大全家常菜
天津好吃的
猜你喜欢
测量血压的正确方法
骨关节炎治疗方法
鸡腿菇种植方法
凤的繁体字怎么写
成语接龙大全四字成语
山茶花的养殖方法
谜语大全儿童3到6岁
清炖猪蹄的家常做法
让顾客进店的100条方法
空心菜怎么做好吃