指南生活
首页
美食营养
手工爱好
生活家居
返回
指南生活
首页
美食营养
游戏数码
手工爱好
生活家居
健康养生
运动户外
职场理财
情感交际
母婴教育
时尚美容
知识问答
生活知识
生活百科
搜索
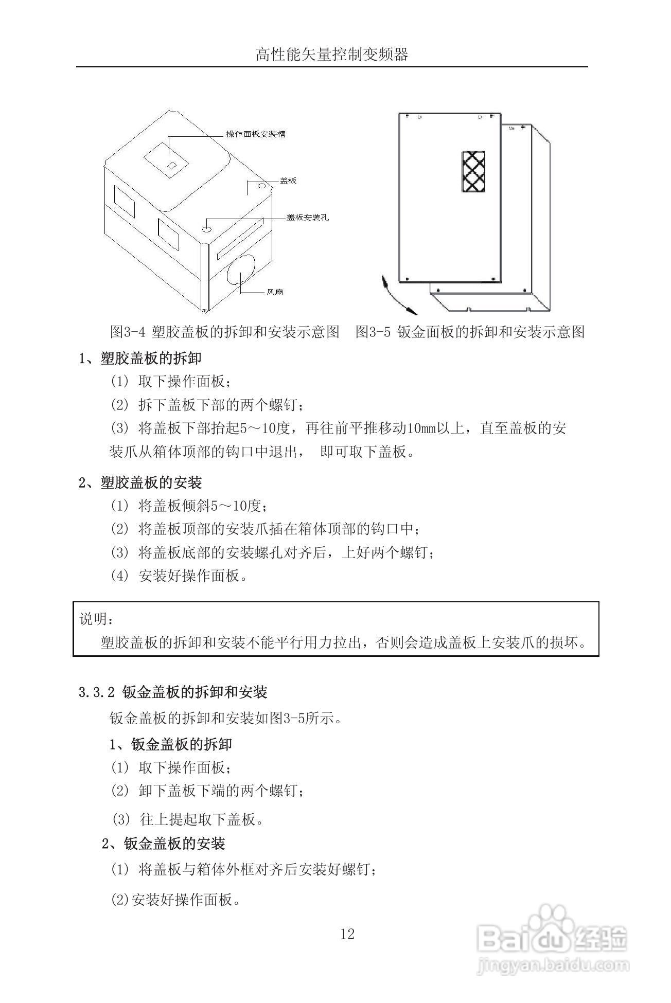
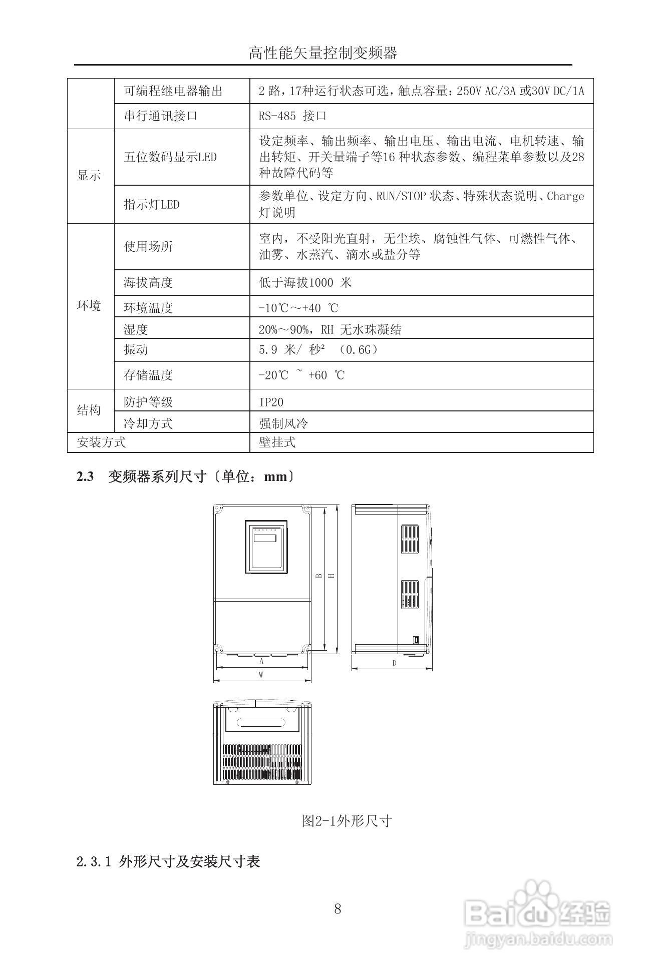
森岛SD900-4T6300矢量控制变频器使用说明书:[2]
2026-03-25 16:37:09
本篇为《森岛SD900-4T6300矢量控制变频器使用说明书》,主要介绍该产品的使用方法以及常见故障解决方案。
(共篇)
上一篇:
|
下一篇:
声明:
本网站引用、摘录或转载内容仅供网站访问者交流或参考,不代表本站立场,如存在版权或非法内容,请联系站长删除,联系邮箱:site.kefu@qq.com。
相关推荐
森岛SD900-4T6300矢量控制变频器使用说明书:[12]
阅读量:38
森岛SD680-4T6300高性能通用变频器使用说明书:[2]
阅读量:88
森岛SD680-4T6300高性能通用变频器使用说明书:[3]
阅读量:97
森岛SD680-4T6300高性能通用变频器使用说明书:[5]
阅读量:26
森岛SD680-4T6300高性能通用变频器使用说明书:[10]
阅读量:74
猜你喜欢
广东外语外贸大学怎么样
江西财经职业学院怎么样
红警2怎么联机
奇瑞e5怎么样
鼻炎鼻塞怎么办
大黄鱼怎么做好吃
一个月没来月经怎么回事
问道法宝怎么升级
水龙头漏水怎么办
怎么制作水印
猜你喜欢
ie浏览器怎么下载
提手旁怎么打
晒伤后皮肤红痛痒怎么办
海虹怎么吃
大人发烧37.5度怎么办
弓形虫怎么传染
体内寒气重怎么办
风向标怎么看
脱肛是怎么回事
龃龉怎么读