指南生活
首页
美食营养
手工爱好
生活家居
返回
指南生活
首页
美食营养
游戏数码
手工爱好
生活家居
健康养生
运动户外
职场理财
情感交际
母婴教育
时尚美容
知识问答
生活知识
生活百科
搜索
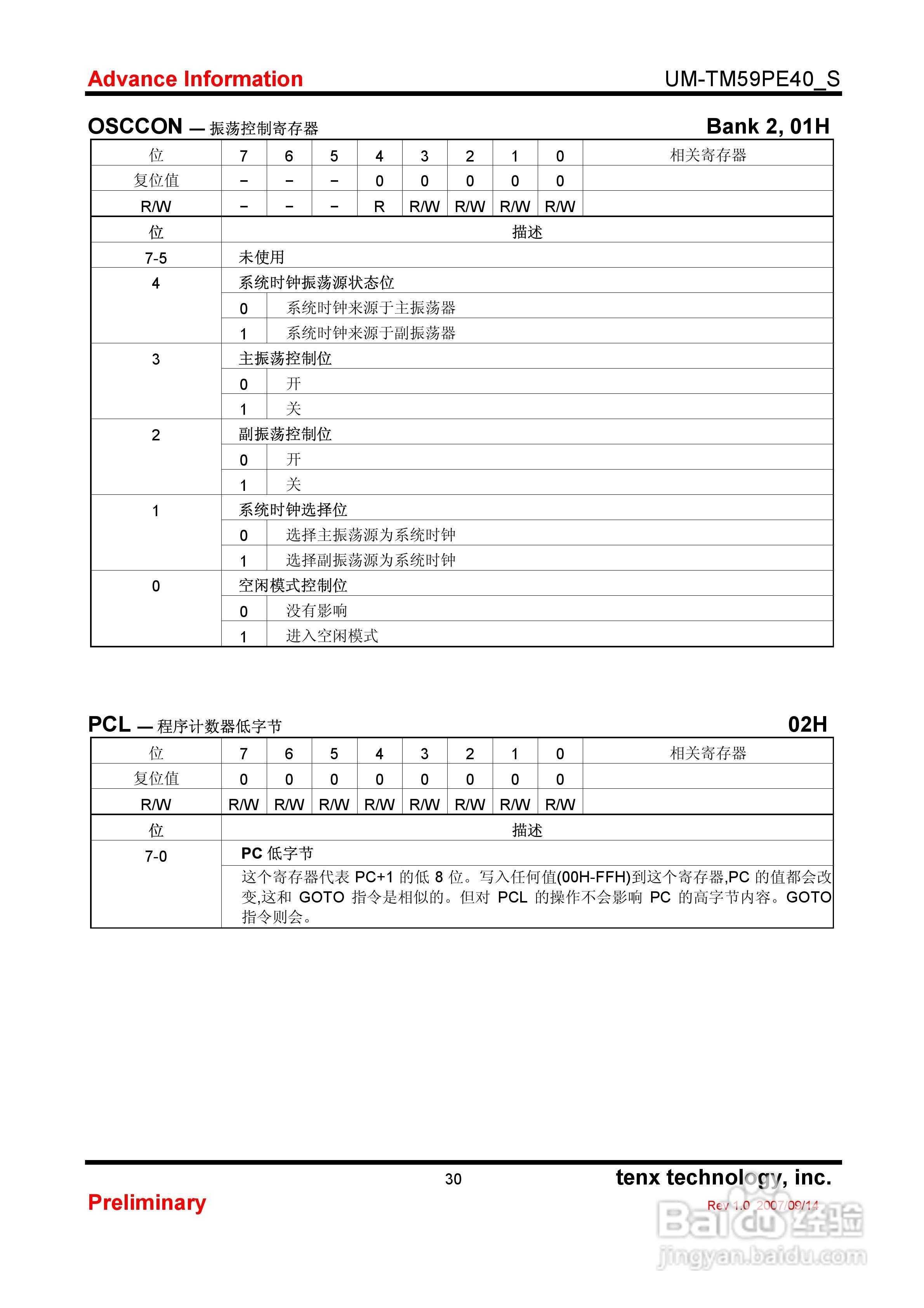
TM59PE 40 8-Bit微控制器使用手册:[4]
2026-05-09 23:57:20
本篇为《TM59PE 40 8-Bit微控制器使用手册》,主要介绍该产品的使用方法以及常见故障解决方案。
(共篇)
上一篇:
|
下一篇:
声明:
本网站引用、摘录或转载内容仅供网站访问者交流或参考,不代表本站立场,如存在版权或非法内容,请联系站长删除,联系邮箱:site.kefu@qq.com。
相关推荐
TM59PE 40 8-Bit微控制器使用手册:[3]
阅读量:94
SONIX 8-BIT MCU燒錄器使用手冊:[4]
阅读量:192
SONIX 8-BIT MCU燒錄器使用手冊:[3]
阅读量:115
SONIX 8-BIT MCU燒錄器使用手冊:[2]
阅读量:107
BitStar注册流程
阅读量:93
猜你喜欢
moncler怎么读
宝宝拉肚子怎么办
羊排怎么炖好吃
生了暴君反派的崽怎么破
汗疱疹怎么治疗
手脚出汗是怎么回事
违章停车怎么处罚
烤箱怎么烤红薯
疱疹怎么治疗
红雨瓢泼泛起了回忆怎么潜
猜你喜欢
总想大便是怎么回事
教学案例怎么写
december怎么读
实习总结怎么写
红酒怎么开
报道怎么写
肩膀酸痛是怎么回事
文竹怎么养
胎盘低置怎么长上去
hpv阳性怎么治疗