指南生活
首页
美食营养
手工爱好
生活家居
返回
指南生活
首页
美食营养
游戏数码
手工爱好
生活家居
健康养生
运动户外
职场理财
情感交际
母婴教育
时尚美容
搜索
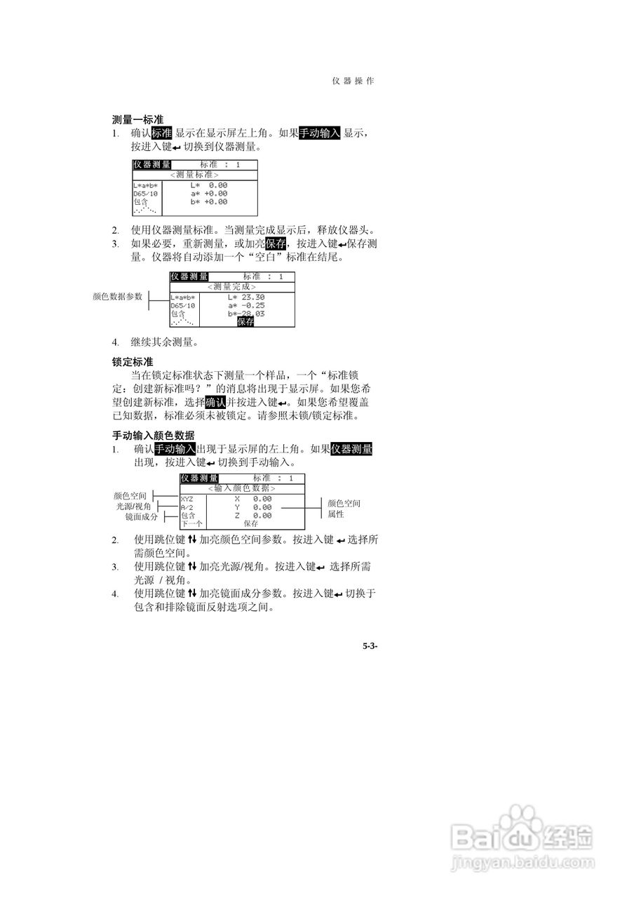
SP60系列色度测试仪说明书:[6]
2025-10-28 17:26:05
本篇为《SP60系列色度测试仪说明书》,主要介绍该产品的使用方法以及常见故障解决方案。
(共篇)
上一篇:
|
下一篇:
声明:
本网站引用、摘录或转载内容仅供网站访问者交流或参考,不代表本站立场,如存在版权或非法内容,请联系站长删除,联系邮箱:site.kefu@qq.com。
相关推荐
啤酒色度二用仪使用说明
阅读量:103
浊度色度两用仪测量说明
阅读量:172
edius的色度键怎么使用
阅读量:24
Edius如何使用色度键
阅读量:133
Ci60/Ci-60与SP60/SP-60有什么区别?
阅读量:138
猜你喜欢
家常菜谱1000例
糖醋小排的家常做法
腌萝卜怎么腌好吃又脆
河北传媒学院怎么样
角的表示方法
专业大全
饥荒怎么养兔子
清宿便排肠毒的方法
炸虾仁的家常做法
正确的刷牙方法视频
猜你喜欢
肠胃炎最佳治疗方法
糖醋小排的家常做法
qq怎么发送文件夹
翻糖怎么做
小便失禁的治疗方法
朱亚文电视剧大全最新
全新胜达车怎么样
腰部扭伤的治疗方法
符号大全
金华火腿怎么做好吃