指南生活
首页
美食营养
手工爱好
生活家居
返回
指南生活
首页
美食营养
游戏数码
手工爱好
生活家居
健康养生
运动户外
职场理财
情感交际
母婴教育
时尚美容
知识问答
生活知识
生活百科
搜索
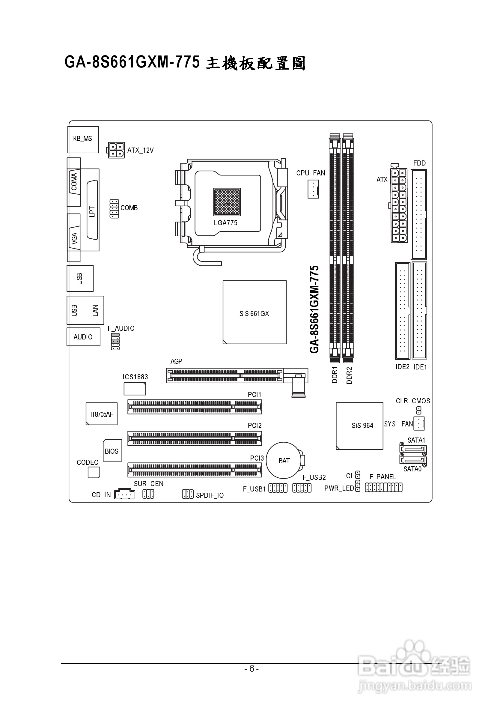
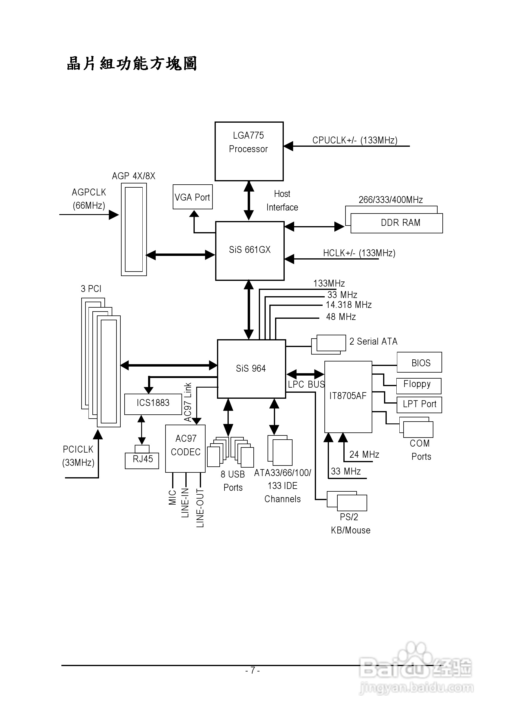
技嘉GA-8S661GXM-775 (Rev 1.x)型主板说明书:[1]
2026-04-28 21:54:41
本篇为《技嘉GA-8S661GXM-775 (Rev 1.x)型主板说明书》,主要介绍该产品的使用方法以及常见故障解决方案。
(共篇)
下一篇:
声明:
本网站引用、摘录或转载内容仅供网站访问者交流或参考,不代表本站立场,如存在版权或非法内容,请联系站长删除,联系邮箱:site.kefu@qq.com。
相关推荐
技嘉GA-8S661GXM-775 (Rev 1.x)型主板说明书:[9]
阅读量:153
技嘉GA-8S661GXM-775 (Rev 2.0)型主板说明书:[9]
阅读量:189
技嘉主板bios升级教程
阅读量:105
技嘉主板如何设置内存频率
阅读量:34
技嘉主板怎么进bios
阅读量:160
猜你喜欢
虾仁的家常做法
润肠通便的方法
黄页网站免费频道大全
疥疮的治疗方法
凉拌海带丝怎么做好吃
豆角的做法大全家常
2345解梦大全免费
北斗导航怎么用
洗纹身最好的方法
奥特曼怪兽大全
猜你喜欢
解梦大全查询自已梦见
番茄汤的做法大全
热水器水压不够怎么办
3d太湖字谜总汇大全
家常菜单
紫包菜怎么做好吃
阳气不足怎么调理
五味子怎么吃
最好玩的网络游戏大全
怎么画动漫人物的头发