指南生活
首页
美食营养
手工爱好
生活家居
返回
指南生活
首页
美食营养
游戏数码
手工爱好
生活家居
健康养生
运动户外
职场理财
情感交际
母婴教育
时尚美容
知识问答
生活知识
搜索
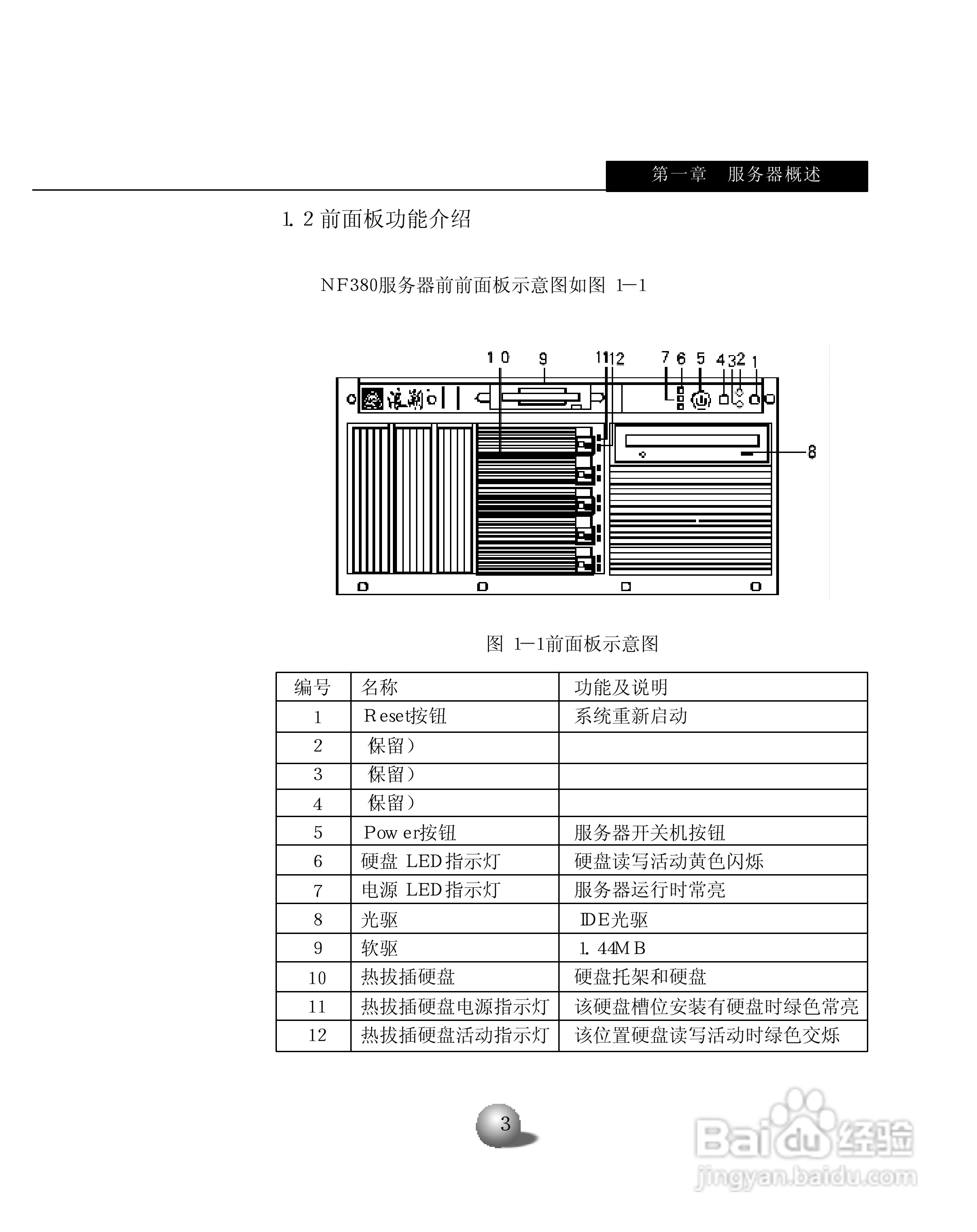
浪潮英信服务器NF380用户手册说明书:[1]
2025-12-21 21:46:09
本篇为《浪潮英信服务器NF380用户手册说明书》,主要介绍该产品的使用方法以及常见故障解决方案。
(共篇)
下一篇:
声明:
本网站引用、摘录或转载内容仅供网站访问者交流或参考,不代表本站立场,如存在版权或非法内容,请联系站长删除,联系邮箱:site.kefu@qq.com。
相关推荐
浪潮英信服务器NF380G2用户手册说明书:[1]
阅读量:186
浪潮英信服务器NF380用户手册说明书:[6]
阅读量:140
浪潮英信服务器NF380G2用户手册说明书:[2]
阅读量:138
浪潮英信服务器NF420用户手册说明书:[1]
阅读量:180
浪潮服务器系统安装
阅读量:162
猜你喜欢
forever是什么意思
ml是什么感觉
神马是什么意思
初级会计什么时候报名
在香港扶灵意味着什么
人活着是为了什么
最大的海是什么海
推送是什么意思
废旧荧光灯管属于什么垃圾
慰藉什么意思
猜你喜欢
低血压有什么症状
钡餐是什么
来日方长是什么意思
青光眼是什么症状
荔枝什么时候成熟
搭配衣服用什么软件
carrots是什么意思
疖肿是什么
什么汤养胃
karry什么意思