如何设计信号机点灯电路图?
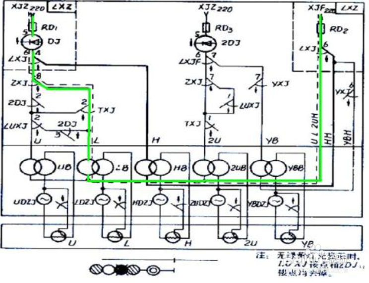
1、进站信号机按有无站内供电的预告信号机,可分为两种,但信号机点灯电路图仍合蚊伐总用一张,见《计算机联锁图册》中图Ⅰ-08(1).设计者要填写图中右上方畜缝的表格,标注进站信号组合(JZ)与防雷分线柜(F)和防雷隔离组合(ZFG)连接的端子号。

2、Xd有YXd预告信号机,所以要填写向室外送YX-LUH电源的1组端子号,由于XD无L灯显示,所以对着“L”的方格不要填写

3、竖细线右侧共6列方格,对应着图纸左侧上方3个BXG-35变压器输出的6个电源端子,电源的名称和电源端子的字母代号填写在每列方格上方的小横格里。下方的每个方格也分成上、下两部分,上方填写防雷隔离组合ZFG的侧侮物面端子号,下方填写进站信号组合JZ的侧面端子号,表示了每一组端子的连接和用途。

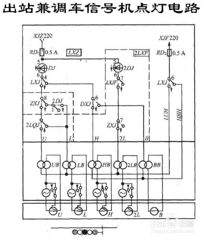
1、出站信号组合(CZ2、CZ3)与防雷分线柜(F)和防雷隔离组合(ZFG)连接的填写与进路信号机的类同,只是CZ与ZFG连接的表格中填写端子号的小方格不再分成上、下两部分。

2、另外,两方向出站信号机为点亮L和LU两种显示,出站信号组合(CZ2)要与接近离去组合(JG/LQ)中的2组2LQJ接点和2组3LQJ接点串接。为此,在计算机联锁图中大表格的竖细线左侧增加4列方格,填写2组合间4条连线所需8个组合侧面端子号。

3、不同出站信号机连接的2LQJ、3LQJ接点的继电器名称、组合填写在左侧紧挨信号机名称后面2列方格内。如X1右侧2方格内的填写,表示其出站信号机点灯电路连接的是2LQJ1的1、2组接点和3LQJ1的1、2组接点。

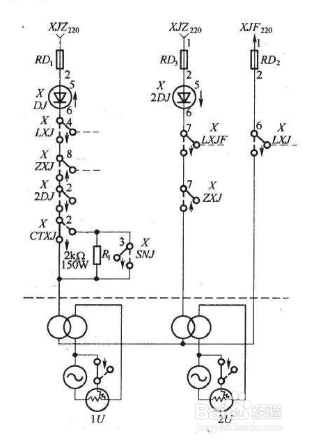
1、调车信号机组合(DX)与防雷分线柜(F)有3根点灯用连接线,与防雷隔离组合(ZFG)有两根电源线连接线,5根线需要5对10个侧面端子连接。

声明:本网站引用、摘录或转载内容仅供网站访问者交流或参考,不代表本站立场,如存在版权或非法内容,请联系站长删除,联系邮箱:site.kefu@qq.com。
阅读量:56
阅读量:154
阅读量:69
阅读量:96
阅读量:77