指南生活
首页
美食营养
手工爱好
生活家居
返回
指南生活
首页
美食营养
游戏数码
手工爱好
生活家居
健康养生
运动户外
职场理财
情感交际
母婴教育
时尚美容
知识问答
生活知识
搜索
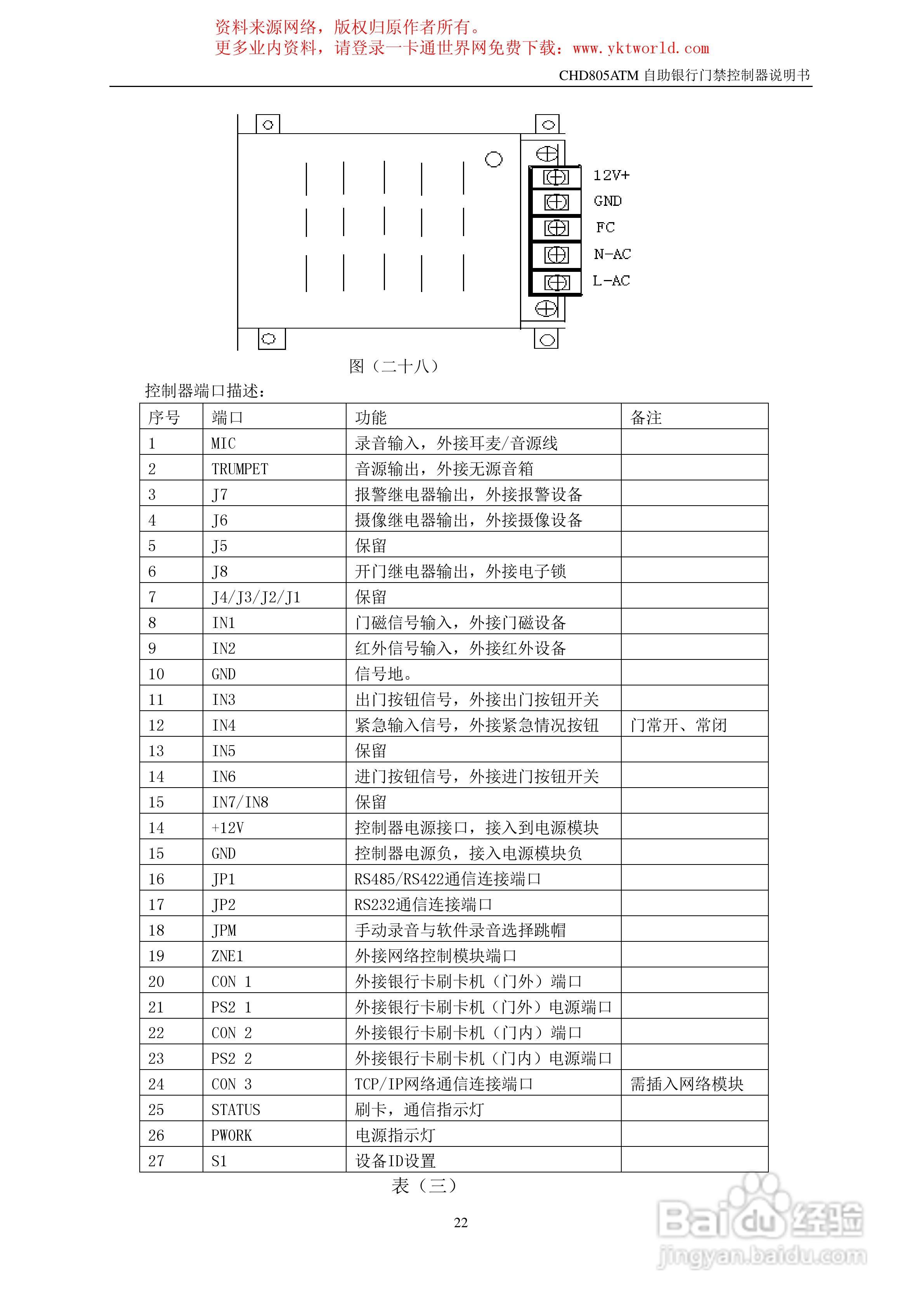
纽贝尔CHD805ATM自助银行门禁控制器说明书:[3]
2026-02-27 19:06:02
本篇为《纽贝尔CHD805ATM自助银行门禁控制器说明书》,主要介绍该产品的使用方法以及常见故障解决方案。
(共篇)
上一篇:
声明:
本网站引用、摘录或转载内容仅供网站访问者交流或参考,不代表本站立场,如存在版权或非法内容,请联系站长删除,联系邮箱:site.kefu@qq.com。
相关推荐
纽贝尔CHD805ATM自助银行门禁控制器说明书:[1]
阅读量:133
纽贝尔CHD805AT智能门禁控制器说明书:[3]
阅读量:149
纽贝尔CHD805AT智能门禁控制器说明书:[4]
阅读量:176
纽贝尔CHD805AT智能门禁控制器说明书:[1]
阅读量:65
纽贝尔CHD805系列智能门禁控制器说明书:[1]
阅读量:154
猜你喜欢
汽车雨刮器加什么水
电子商务是什么意思
公司融资是什么意思
天真无邪的意思
童养媳是什么意思
continue是什么意思
教师节送老师什么比较好呢
多规合一是什么意思
无欲则刚的意思
四万左右买什么车好
猜你喜欢
什么叫函授教育
culture是什么意思
leather是什么意思
膜拜的意思
网上卖什么东西赚钱
attend是什么意思
吃螃蟹喝什么酒
tonight是什么意思
螃蟹不能与什么一起吃
有什么书值得一看