指南生活
首页
美食营养
手工爱好
生活家居
返回
指南生活
首页
美食营养
游戏数码
手工爱好
生活家居
健康养生
运动户外
职场理财
情感交际
母婴教育
时尚美容
知识问答
生活知识
生活百科
搜索
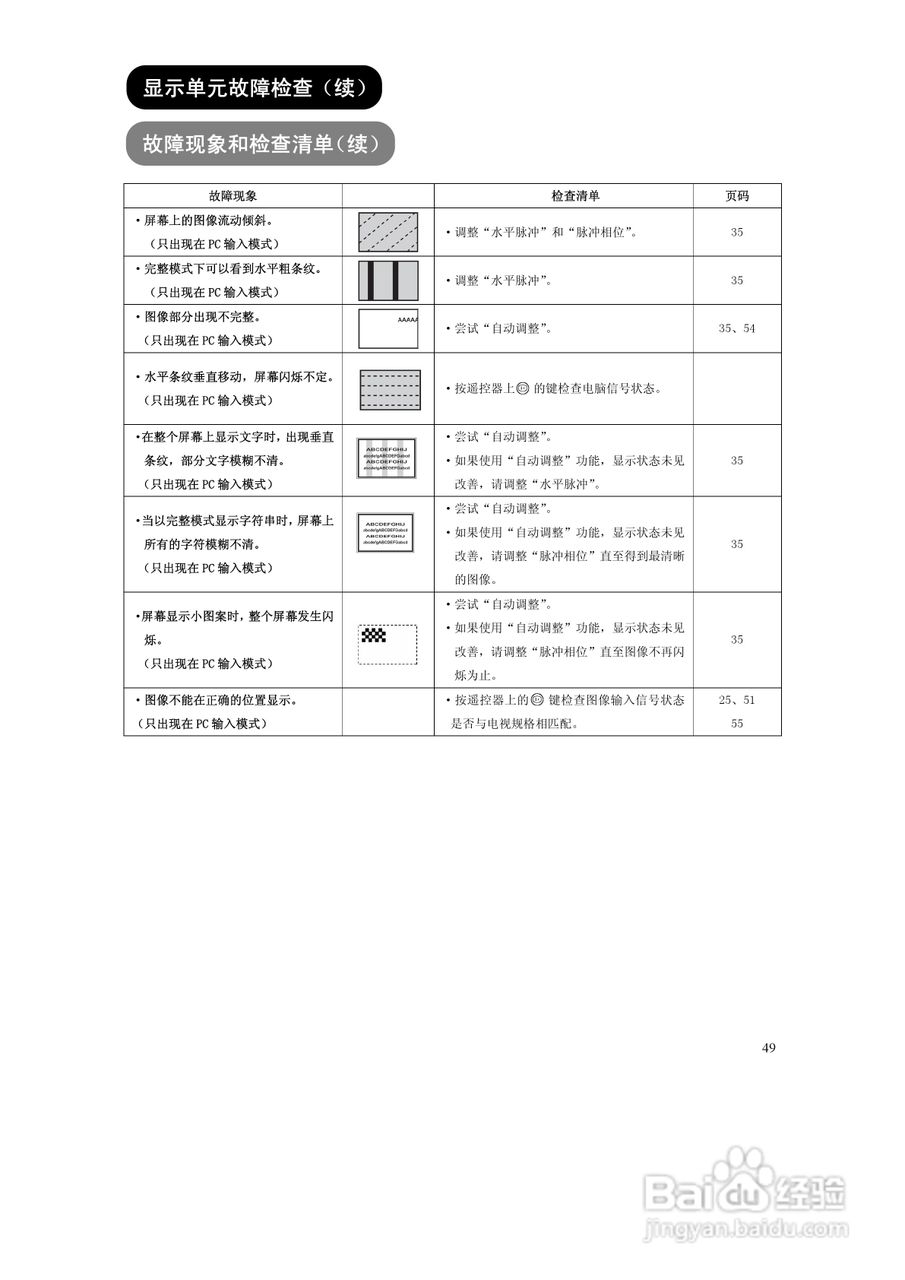
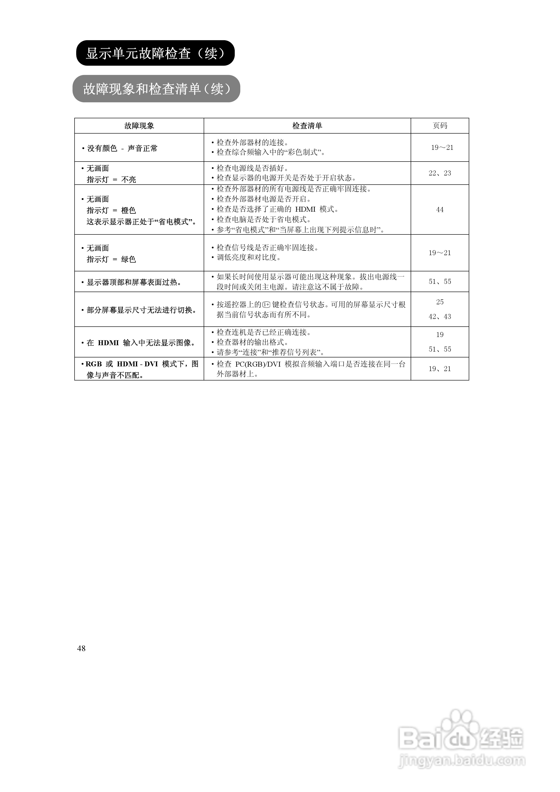
日立液晶彩色电视机UT37-MX08CB/CW型使用说明书:[5]
2026-04-22 15:21:48
(共篇)
上一篇:
|
下一篇:
声明:
本网站引用、摘录或转载内容仅供网站访问者交流或参考,不代表本站立场,如存在版权或非法内容,请联系站长删除,联系邮箱:site.kefu@qq.com。
相关推荐
日立液晶彩色电视机UT37-MX08CB/CW型使用说明书:[6]
阅读量:54
日立电锤如何辨别真假
阅读量:190
日立液晶彩色电视机UT37-MX08CB/CW型使用说明书:[3]
阅读量:109
日立液晶彩色电视机UT37-MX08CB/CW型使用说明书:[4]
阅读量:176
日立液晶彩色电视机UT37-MX08CB/CW型使用说明书:[2]
阅读量:120
猜你喜欢
人工荨麻疹怎么治疗
icloud云备份怎么用
宝宝拉肚怎么办
2元一次方程怎么解
含沙射影是什么意思
师长是什么军衔
如何安装网络打印机
如何按摩丰胸
卡贝卫浴怎么样
空调如何加氟
猜你喜欢
秋天的第一杯奶茶是什么梗
auto是什么意思
顺丰快递单怎么填写
blue是什么意思
生活与健康
如何下载word文档
帅哥生活照
如何办信用卡
5个月宝宝咳嗽怎么办
五峰生活网