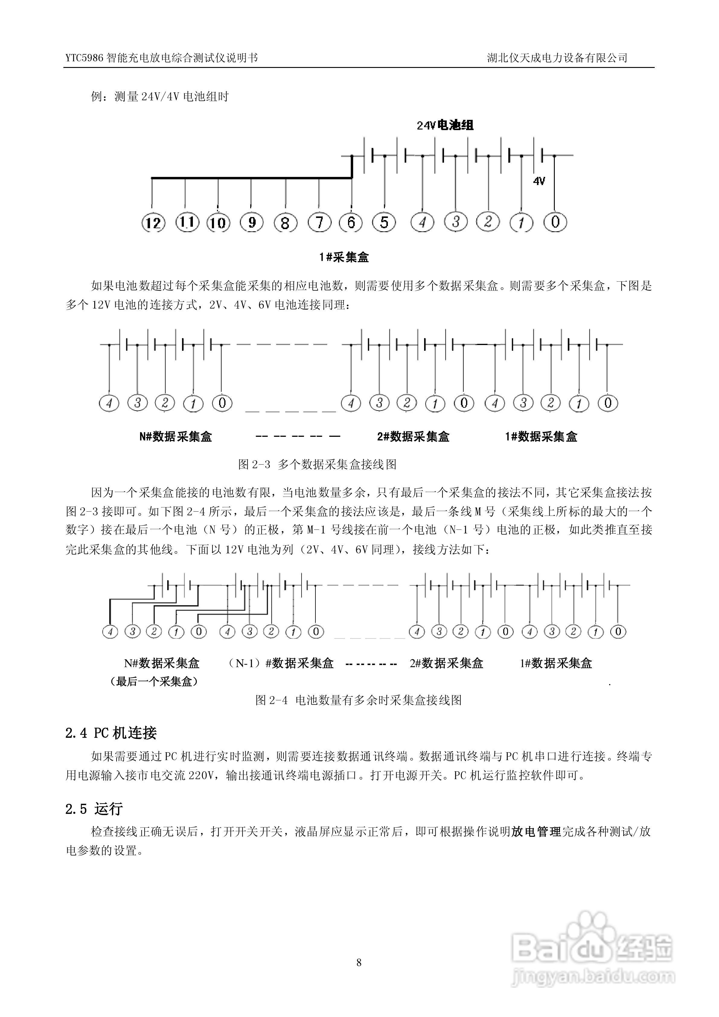
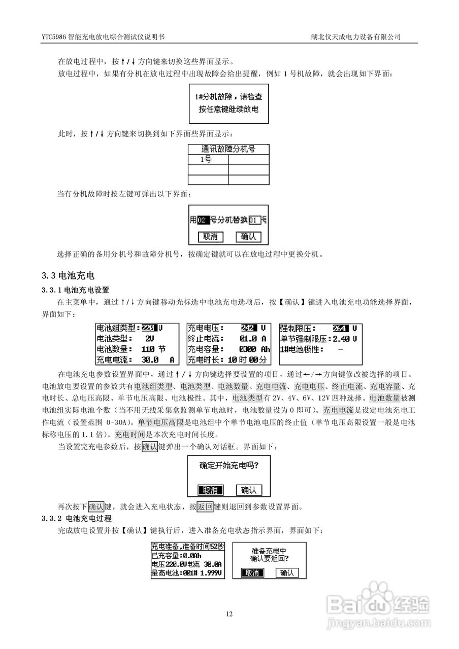
仪天成YTC5986智能充电放电综合测试仪说明书

2026-05-10 06:08:34

仪天成YTC5986智能充电放电综合测试仪说明书

仪天成YTC5986智能充电放电综合测试仪说明书

仪天成YTC5986智能充电放电综合测试仪说明书

仪天成YTC5986智能充电放电综合测试仪说明书

仪天成YTC5986智能充电放电综合测试仪说明书

仪天成YTC5986智能充电放电综合测试仪说明书

仪天成YTC5986智能充电放电综合测试仪说明书

仪天成YTC5986智能充电放电综合测试仪说明书

仪天成YTC5986智能充电放电综合测试仪说明书

仪天成YTC5986智能充电放电综合测试仪说明书

仪天成YTC5986智能充电放电综合测试仪说明书

仪天成YTC5986智能充电放电综合测试仪说明书

仪天成YTC5986智能充电放电综合测试仪说明书

仪天成YTC5986智能充电放电综合测试仪说明书

仪天成YTC5986智能充电放电综合测试仪说明书

仪天成YTC5986智能充电放电综合测试仪说明书

仪天成YTC5986智能充电放电综合测试仪说明书

仪天成YTC5986智能充电放电综合测试仪说明书

仪天成YTC5986智能充电放电综合测试仪说明书

声明:本网站引用、摘录或转载内容仅供网站访问者交流或参考,不代表本站立场,如存在版权或非法内容,请联系站长删除,联系邮箱:site.kefu@qq.com。
猜你喜欢