指南生活
首页
美食营养
手工爱好
生活家居
返回
指南生活
首页
美食营养
游戏数码
手工爱好
生活家居
健康养生
运动户外
职场理财
情感交际
母婴教育
时尚美容
知识问答
生活知识
生活百科
搜索
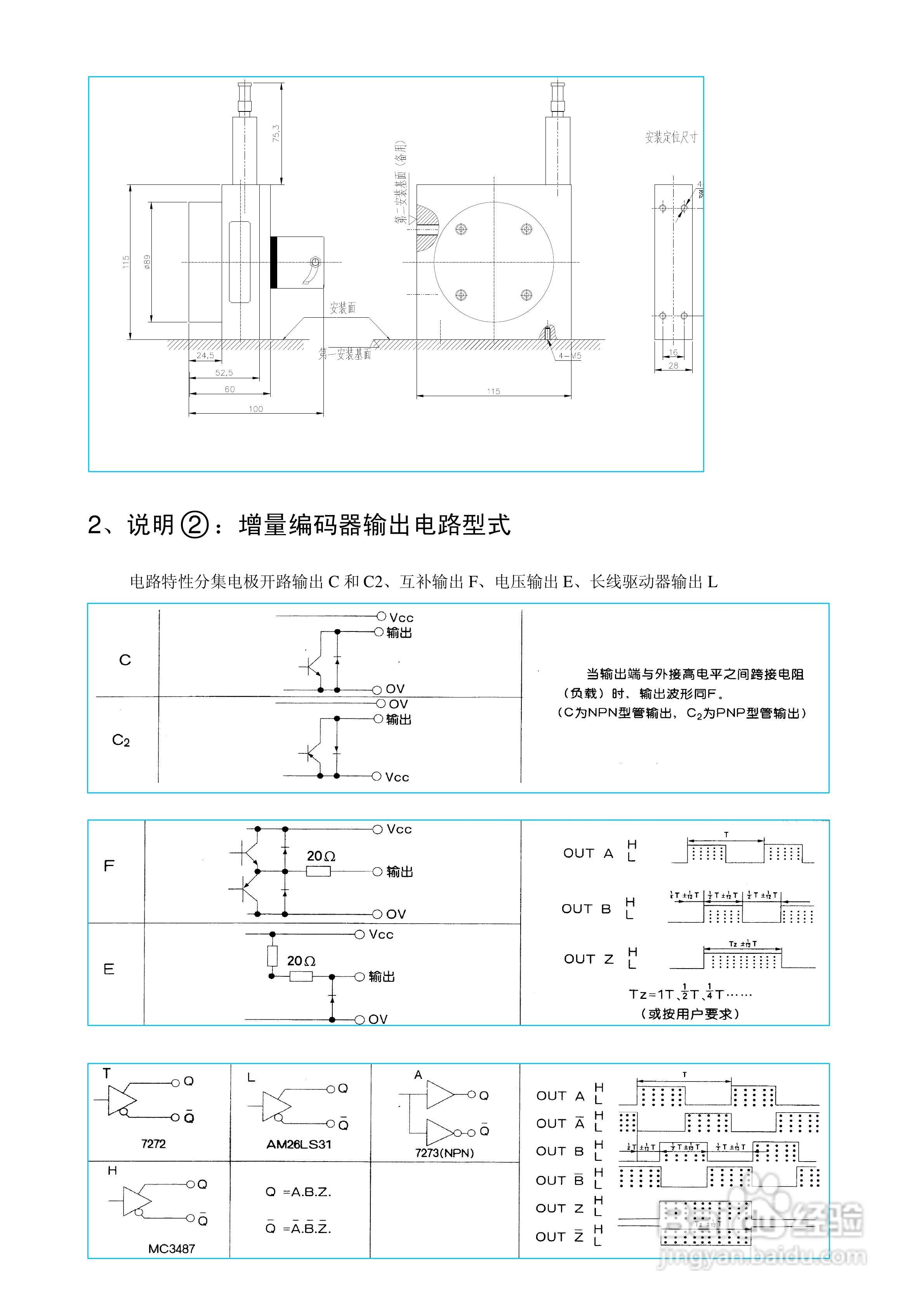
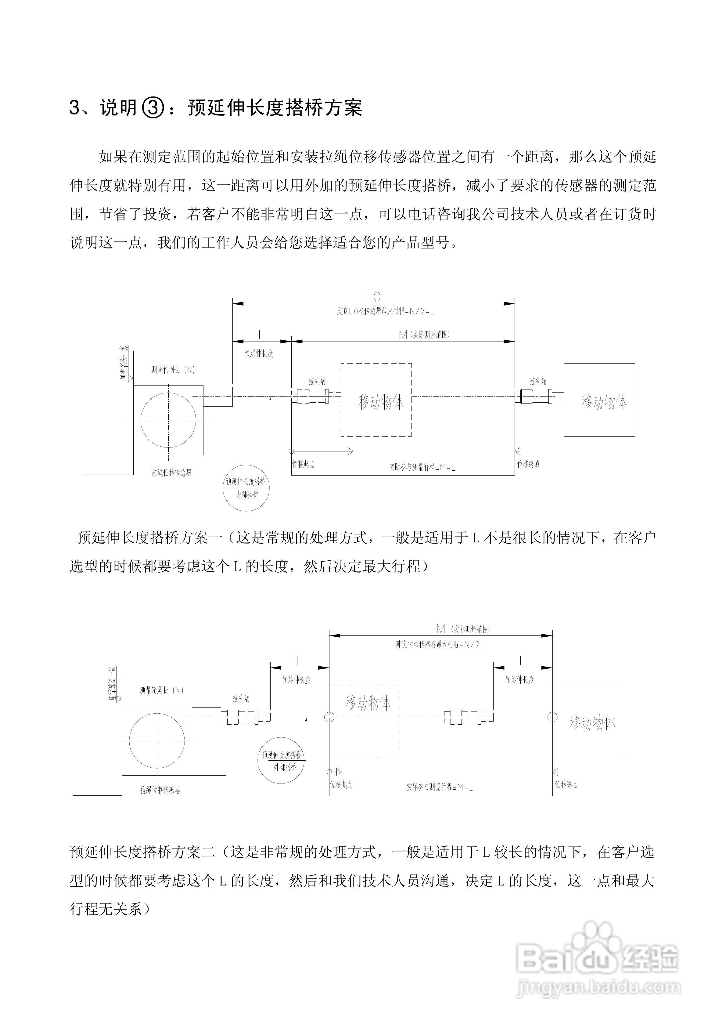
鑫盛星创STS-H-MA/V/R型拉线位移传感器使用说明书:[5]
2026-05-10 08:48:57
本篇为《鑫盛星创STS-H-MA/V/R型拉线位移传感器使用说明书》,主要介绍该产品的使用方法以及常见故障解决方案。
(共篇)
上一篇:
声明:
本网站引用、摘录或转载内容仅供网站访问者交流或参考,不代表本站立场,如存在版权或非法内容,请联系站长删除,联系邮箱:site.kefu@qq.com。
相关推荐
JX20电涡流位移传感器使用说明书:[5]
阅读量:68
位移传感器安装使用说明及注意事项
阅读量:164
JX20电涡流位移传感器使用说明书:[4]
阅读量:68
JX20XL电涡流位移传感器使用说明书:[4]
阅读量:141
JX20电涡流位移传感器使用说明书:[2]
阅读量:145
猜你喜欢
12月份是什么星座
什么是马克思主义中国化
kpa是什么意思
wall是什么意思
酸菜鱼用什么鱼
12月15日是什么星座
1月25日是什么星座
处女座和什么座最配
guess什么意思
股票停牌意味着什么
猜你喜欢
韵母是什么
腰酸痛是什么原因
打呼噜是什么原因引起的
什么鱼好养
现在什么生意好做
食用碱是什么
权重是什么意思
空调室内机漏水是什么原因
毕业答辩什么人会不过
色拉油是什么油