SIPOS 5 Flash ECOTRON经济型电动执行机构使用说明书:[2]

2026-04-24 13:44:38

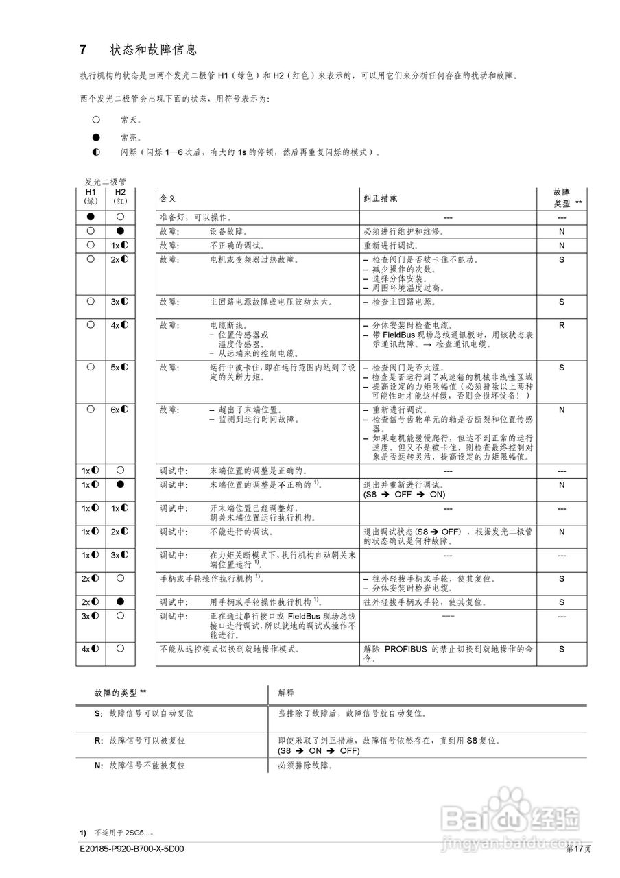
本篇为《SIPOS 5 Flash ECOTRON经济型电动执行机构使用说明书》,主要介绍该产品的使用方法以及常见故障解决方案。


SIPOS 5 Flash ECOTRON经济型电动执行机构使用说明书:[2]

SIPOS 5 Flash ECOTRON经济型电动执行机构使用说明书:[2]

SIPOS 5 Flash ECOTRON经济型电动执行机构使用说明书:[2]

SIPOS 5 Flash ECOTRON经济型电动执行机构使用说明书:[2]

SIPOS 5 Flash ECOTRON经济型电动执行机构使用说明书:[2]

SIPOS 5 Flash ECOTRON经济型电动执行机构使用说明书:[2]

SIPOS 5 Flash ECOTRON经济型电动执行机构使用说明书:[2]

SIPOS 5 Flash ECOTRON经济型电动执行机构使用说明书:[2]

SIPOS 5 Flash ECOTRON经济型电动执行机构使用说明书:[2]

SIPOS 5 Flash ECOTRON经济型电动执行机构使用说明书:[2]

(共篇)上一篇:
声明:本网站引用、摘录或转载内容仅供网站访问者交流或参考,不代表本站立场,如存在版权或非法内容,请联系站长删除,联系邮箱:site.kefu@qq.com。
相关推荐
  • 阅读量:159
  • 阅读量:46
  • 阅读量:117
  • 阅读量:121
  • 阅读量:156
  • 猜你喜欢