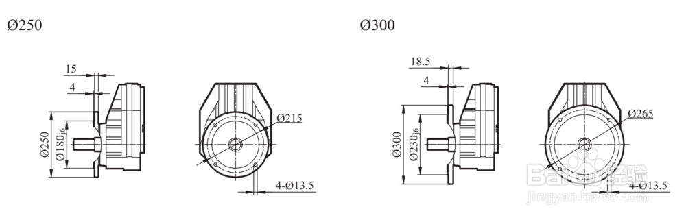
R87减速机输出轴径尺寸图纸
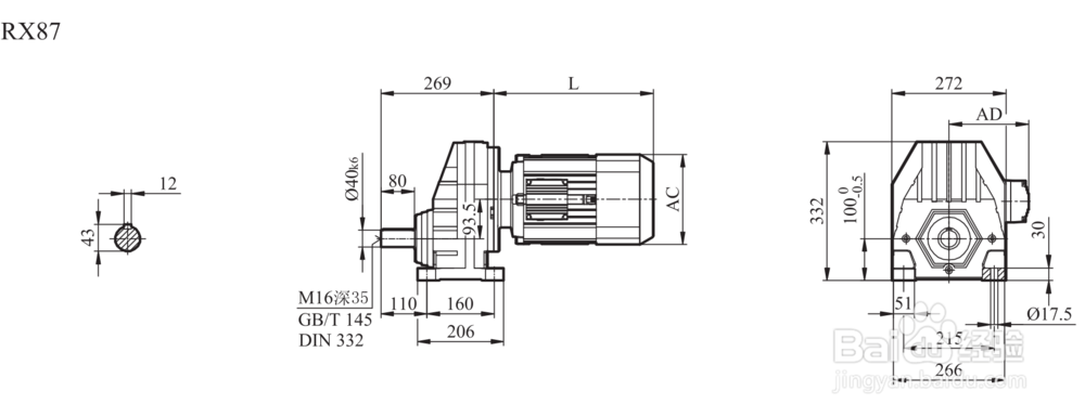
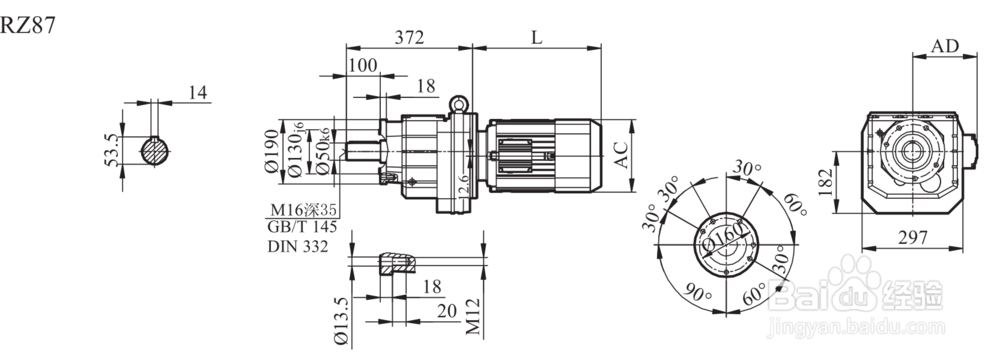
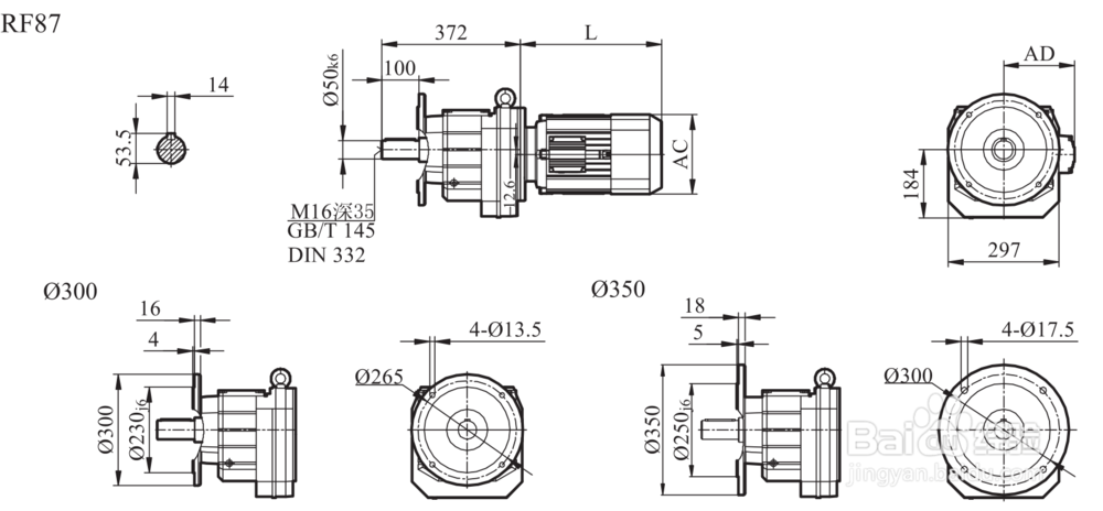
1、RX87减速机和RXF87输出轴径是43*12。R87减速机/RF87/R87F/RZ87输出轴径是53.5*14。图纸均为R87减速机所有型号,的安装尺寸,以及法兰,输出轴尺寸



2、有的用户在设备运行几个月后驱动电机的输出轴断了,为什么R系列减速机把驱动电机的输出轴扭断了,此我们查看了驱动电机的输出轴横断面,发现与同轴减速机输出轴的横断面几乎完全一样,横断面的外圈较明亮,而越向轴心处断面颜色越暗,最后到轴心处是折断的。横断面的照片这就充分地说明了造成驱动电机输出轴断轴的主要原因就是电机和同轴减速机装配时不同心

3、当电机和R系列减速机间装配时同心度保证的非常好时,电机输出轴承受的仅仅是转动力运转时也会很平滑,然而不同心时输出轴要承受来自于R系列减速机输入端的径向力,这个径向力长期作用将会使电机输出轴被迫弯曲,而且弯曲的方向随着输出轴转动不断变化。输出轴每转动一周横向力的方向变化360度,如果同心度的误差较大时该径向力使同轴减速机的电机输出轴温度升高,其金属结构不断被破坏最后该径向力将会超出电机输出轴所能承受的径向力,最后导致驱动电机输出轴折断

4、当同心度的误差越大时驱动电机输出轴折断的时间越短,在驱动电机输出轴折断的同时,同轴减速机输入端同样也会承受来自于电机方面的径向力,如果这个径向力同时超出了二者所能承受的最大径向负荷的话,其结果也会导致同轴减速机输入端产生变形甚至断裂,因此在装配时保证同心度至关重要

5、直观上讲如果电机轴和R系列减速机输入端同心,那么电机和R系列减速机间的配合就会很紧密,它们之间的接触面紧紧相连而装配时如果不同心,那么它们间的接触面之间就会有间隙图。同样同轴减速机的输出轴也有折断或弯曲现象发生,其原因与驱动电机的断轴原因相同,但R系列减速机的出力是驱动电机出力和减速比之积相对于电机来讲出力更大故减速机输出轴更易被折断,因此用户在使用同轴减速机时对其输出端装配同心度的保证也应十分注意
