指南生活
首页
美食营养
手工爱好
生活家居
返回
指南生活
首页
美食营养
游戏数码
手工爱好
生活家居
健康养生
运动户外
职场理财
情感交际
母婴教育
时尚美容
知识问答
生活知识
生活百科
搜索
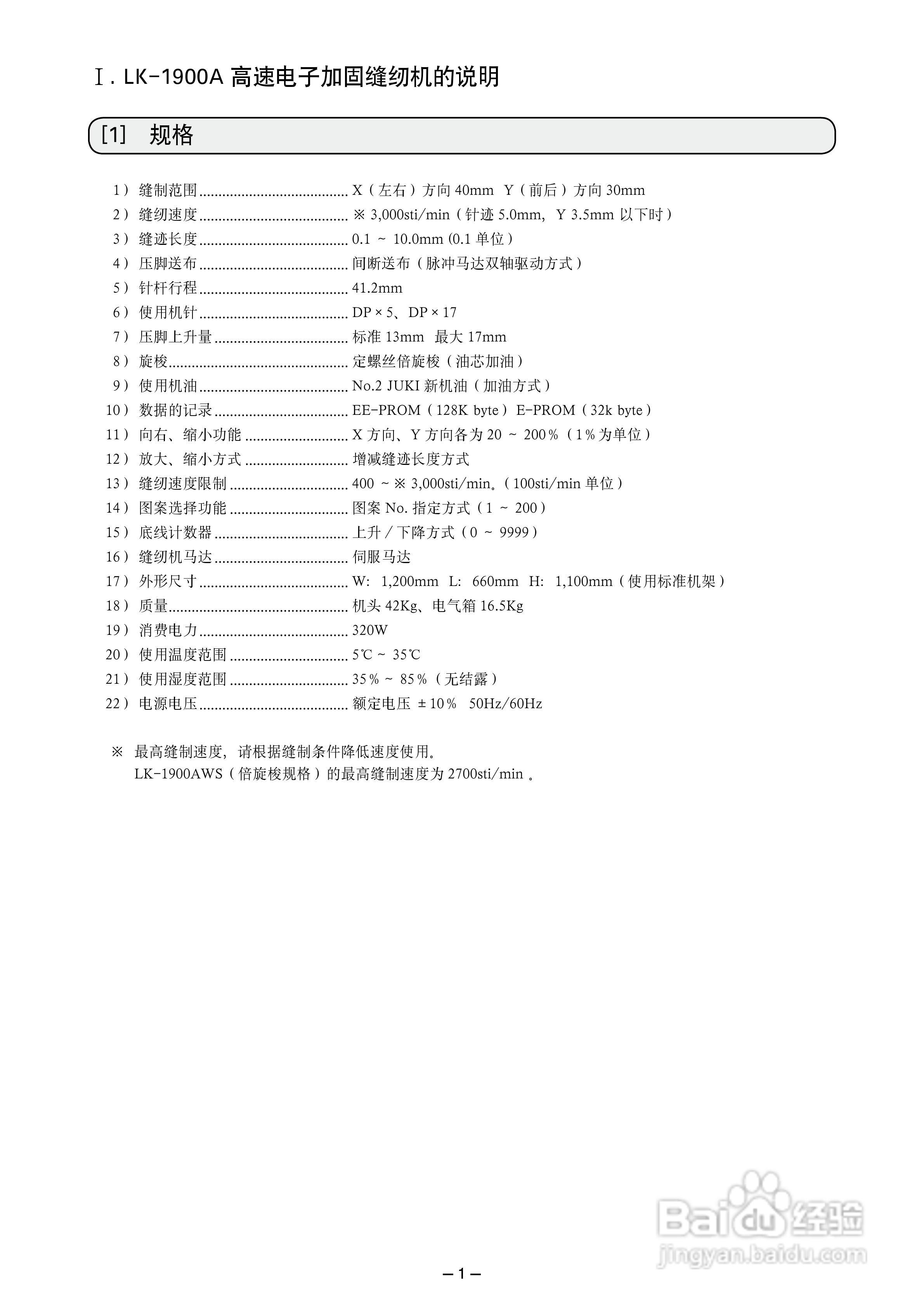
LK-1900A高速电子加固缝纫机使用说明书:[1]
2026-04-12 01:16:16
本篇为《LK-1900A高速电子加固缝纫机使用说明书》,主要介绍该产品的使用方法以及常见故障解决方案。
(共篇)
下一篇:
声明:
本网站引用、摘录或转载内容仅供网站访问者交流或参考,不代表本站立场,如存在版权或非法内容,请联系站长删除,联系邮箱:site.kefu@qq.com。
相关推荐
怎样使用蝎子?-----中药的使用
阅读量:57
放疗会掉头发吗
阅读量:166
洗晒毛衣的注意事项
阅读量:129
宝宝有湿疹痒怎么办
阅读量:176
糯米蛋!!!
阅读量:163
猜你喜欢
消瘦的人如何增肥
部队生活
路由器限速怎么设置
向往的生活2
天帝的悠闲生活
base是什么意思
pc是什么意思
专业不对口怎么找工作
作文生活中的小镜头
如何写好简历
猜你喜欢
母婴生活馆
公诉是什么意思
口腔溃疡怎么办最快最有效的方法
生活禅
如何练好钢笔字
生活知识
玉字加一笔是什么字
美好的生活
骆驼鞋子质量怎么样
怎么打开注册表编辑器