指南生活
首页
美食营养
手工爱好
生活家居
返回
指南生活
首页
美食营养
游戏数码
手工爱好
生活家居
健康养生
运动户外
职场理财
情感交际
母婴教育
时尚美容
知识问答
搜索
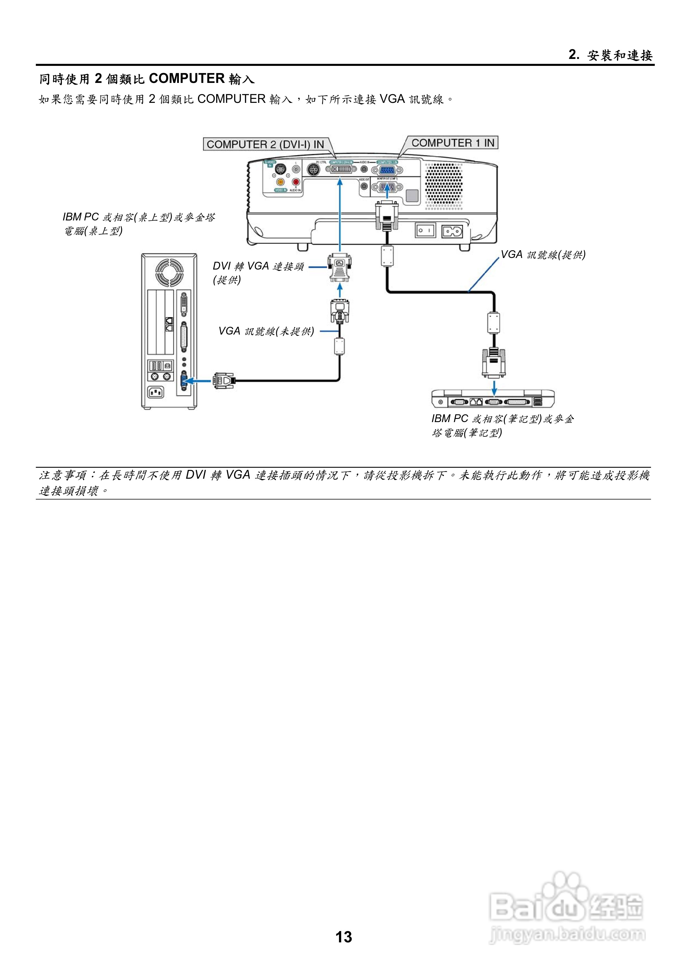
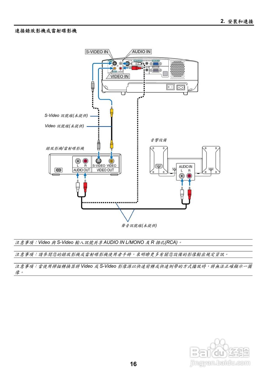
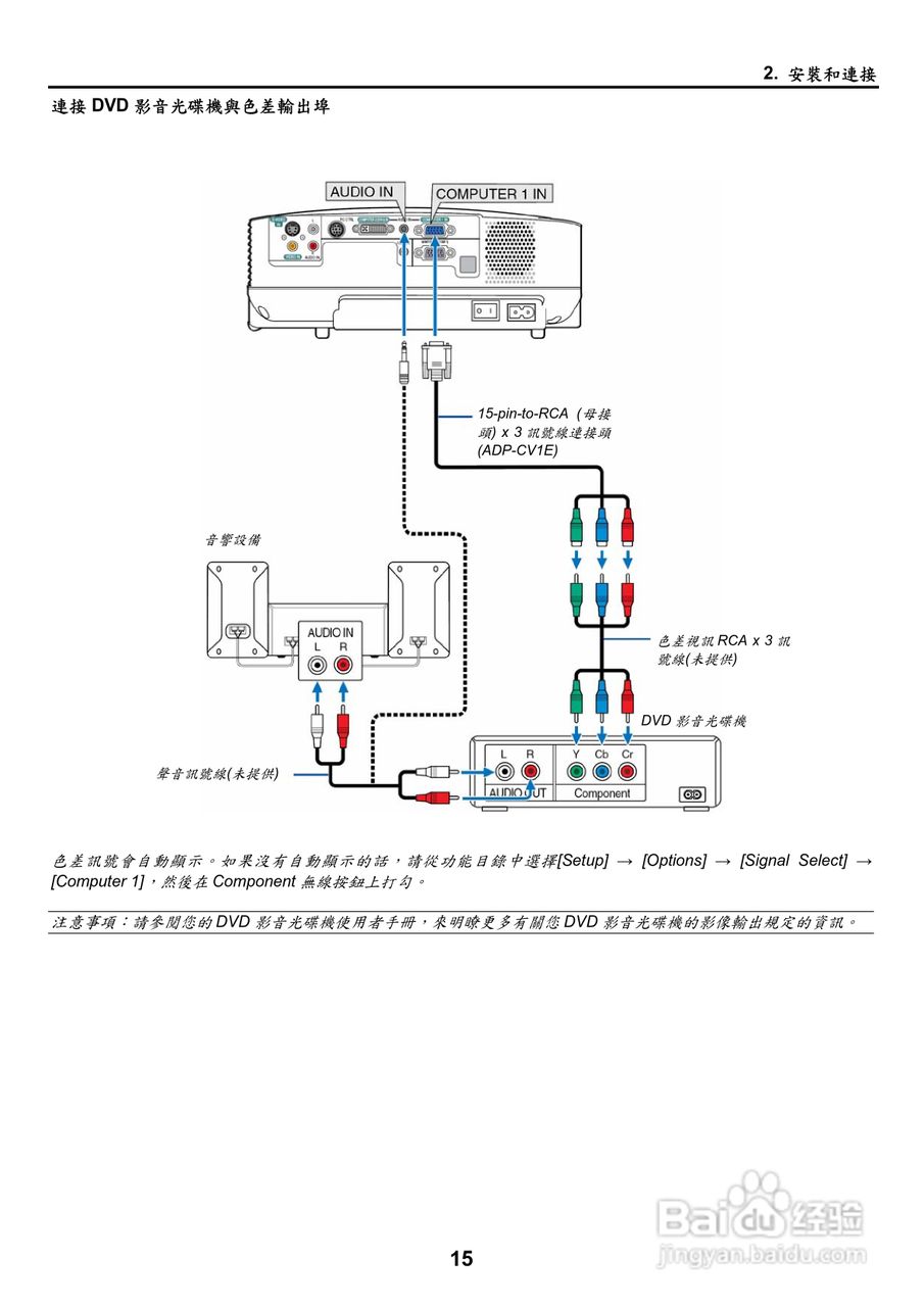
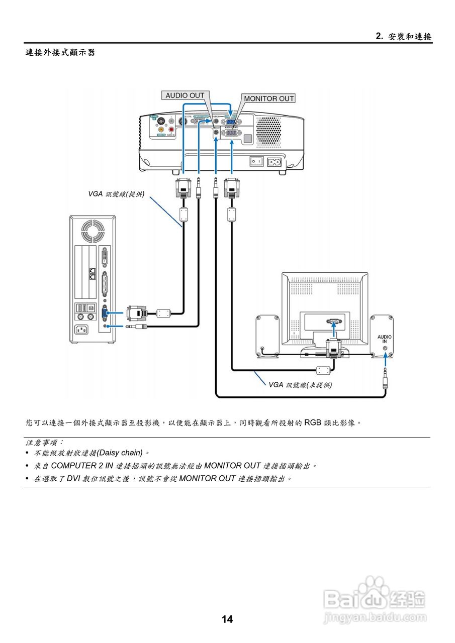
NEC VT700型投影机用户手册:[3]
2025-11-26 07:06:01
本篇为《NEC VT700型投影机用户手册》,主要介绍该产品的使用方法以及常见故障解决方案。
(共篇)
下一篇:
声明:
本网站引用、摘录或转载内容仅供网站访问者交流或参考,不代表本站立场,如存在版权或非法内容,请联系站长删除,联系邮箱:site.kefu@qq.com。
相关推荐
MARANTZ马兰士SR-73无输出检修
阅读量:98
天龙AVR-2106型收音环绕扩音机说明书:[1]
阅读量:118
打造属于自己的3寸音箱
阅读量:152
让废旧碱性电池物尽其用
阅读量:149
场效应管应用于哪些领域
阅读量:144
猜你喜欢
无主之地2怎么联机
汽车隔音怎么做
一品排骨怎么样
成都航空职业技术学院怎么样
云南省旅游景点
温州科技职业学院怎么样
旅游攻略网
凉拌胡萝卜丝
猕猴桃可以减肥吗
自然流产后多久可以同房
猜你喜欢
进击的巨人哪里可以看
李白诗的特点
白云山怎么去
旅游卫视行者
雅思怎么读
打嗝怎么办怎么止嗝
win7怎么一键还原
桂林世外桃源景区
孕妇可以吃绿豆吗
win7怎么调分辨率