指南生活
首页
美食营养
手工爱好
生活家居
返回
指南生活
首页
美食营养
游戏数码
手工爱好
生活家居
健康养生
运动户外
职场理财
情感交际
母婴教育
时尚美容
知识问答
生活知识
搜索
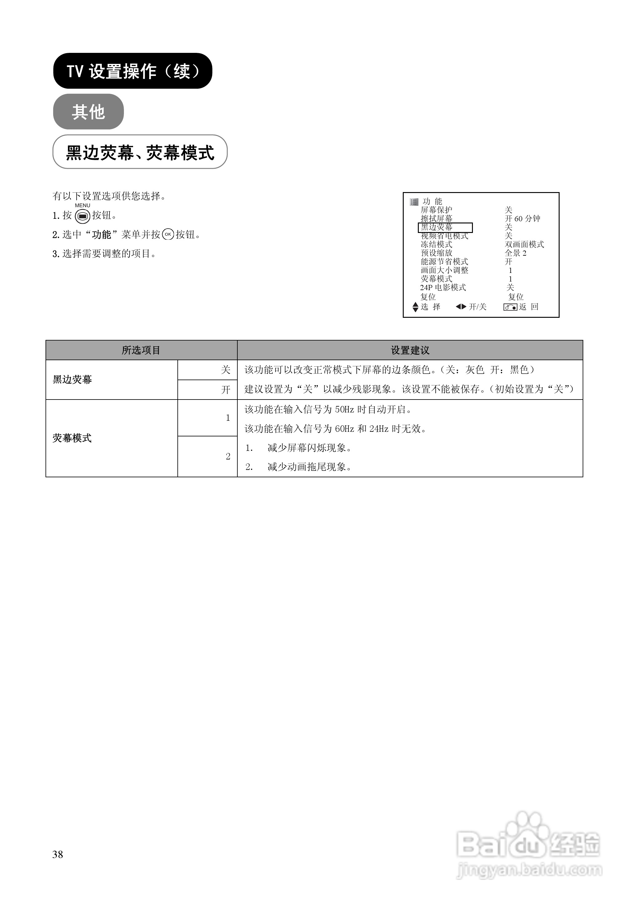
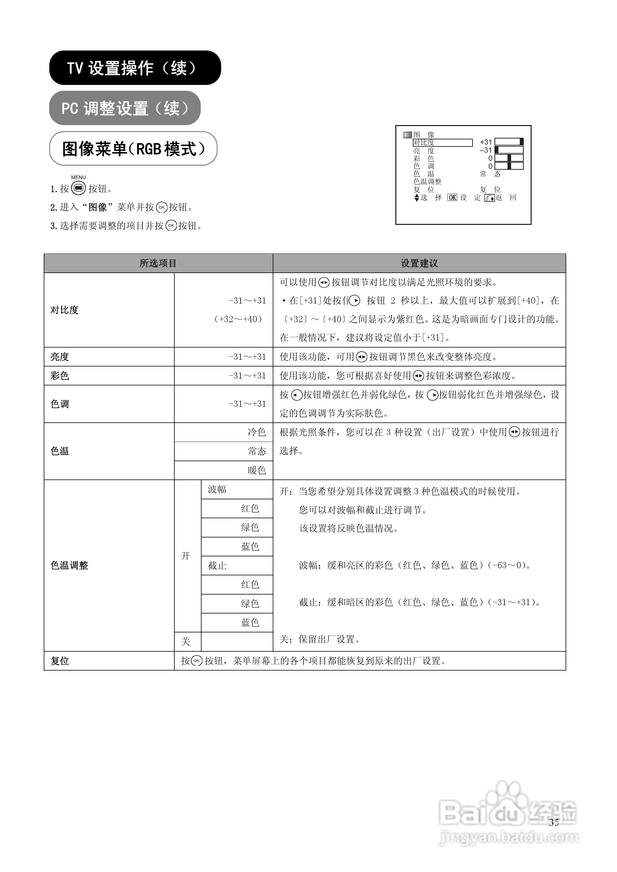
HITACHI CLE-998等离子电视说明书:[4]
2025-12-09 06:39:58
(共篇)
上一篇:
|
下一篇:
声明:
本网站引用、摘录或转载内容仅供网站访问者交流或参考,不代表本站立场,如存在版权或非法内容,请联系站长删除,联系邮箱:site.kefu@qq.com。
相关推荐
HITACHI HA8000服务器说明书:[4]
阅读量:48
HITACHI HA8000服务器说明书:[5]
阅读量:47
HITACHI HA8000服务器说明书:[2]
阅读量:44
HITACHI HA8000服务器说明书:[3]
阅读量:146
HITACHI HA8000服务器说明书:[1]
阅读量:101
猜你喜欢
滞留票是什么意思
量贩是什么意思
一如既往是什么意思
社保年检需要什么资料
去澳门买什么划算
恨铁不成钢的意思
卫衣里面穿什么
祝福老师的祝福语
什么是公民社会
德行的意思
猜你喜欢
一望无际是什么意思
被套什么材质的好
逝者如斯夫是什么意思
犹豫是什么意思
狗血是什么意思
儿子生日快乐祝福语
香港有什么值得买的
path是什么意思
ago是什么意思
什么是j2ee