指南生活
首页
美食营养
手工爱好
生活家居
返回
指南生活
首页
美食营养
游戏数码
手工爱好
生活家居
健康养生
运动户外
职场理财
情感交际
母婴教育
时尚美容
知识问答
生活知识
生活百科
搜索
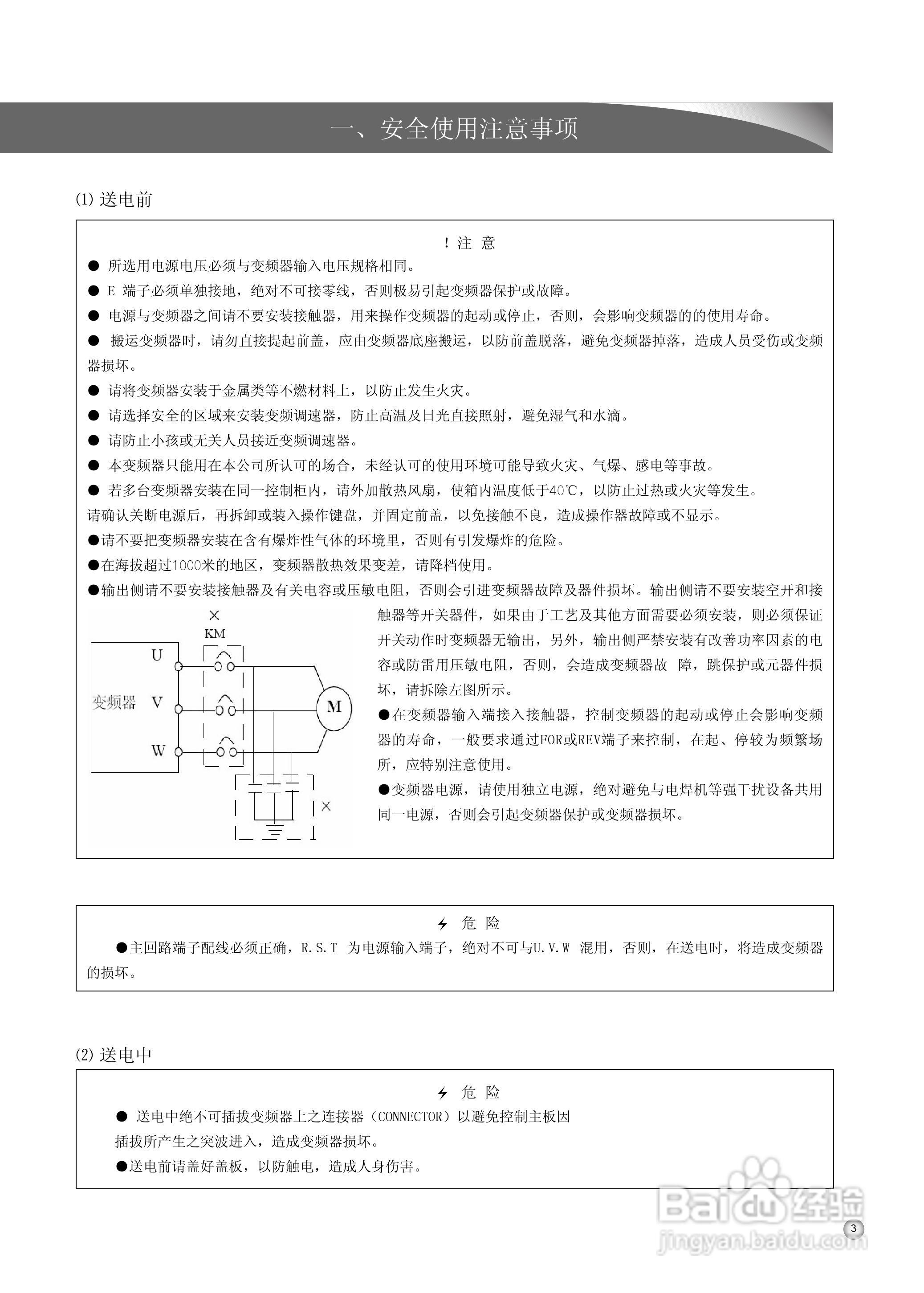
久川C0315A4变频器中文说明书:[1]
2026-04-19 14:51:43
本篇为《久川C0315A4变频器中文说明书》,主要介绍该产品的使用方法以及常见故障解决方案。
(共篇)
下一篇:
声明:
本网站引用、摘录或转载内容仅供网站访问者交流或参考,不代表本站立场,如存在版权或非法内容,请联系站长删除,联系邮箱:site.kefu@qq.com。
相关推荐
久川C0315A4变频器中文说明书:[4]
阅读量:141
久川C0315A4变频器中文说明书:[2]
阅读量:92
变频器工作原理及应用
阅读量:168
变频器怎么恢复出厂设置
阅读量:179
变频器调试接线教程
阅读量:133
猜你喜欢
怎么安装驱动
扬州大学怎么样
总建筑面积怎么算
宝宝睡觉出汗多是怎么回事
婴儿湿疹怎么治疗
来月经肚子疼怎么办
电子邮箱地址怎么写
玉米排骨汤怎么做
盐吃多了会怎么样
腋下有异味怎么办
猜你喜欢
泌乳素高不孕怎么办
所有制性质怎么填
苹果手机怎么升级
宝宝鼻塞流鼻涕怎么办
股票怎么卖出
灵芝粉怎么吃
excel下拉菜单怎么做
肤色暗黄怎么调理
东南西北怎么分
红烧茄子怎么做好吃