氧化锌避雷器带电测试仪
1、避雷器测量原理
判断氧化锌避雷器是否发生老化或受潮,通常以观察正常运行电压下流过氧化锌避雷器阻性电流的变化,即观察阻性泄漏电流是否增大作为判断依据。
阻性泄漏电流往往仅占全电流的10%~20%,因此,仅仅以观察全电流的变化情况来确定氧化锌避雷器阻性电流的变化情况是困难的,只有将阻性泄漏电流从总电流中分离出来。
本测试仪依赖电压基准信号,高速采集基准电压和避雷器泄漏电流,通过谐波分析法,进行快速傅立叶变换,分别计算阻性分量(基波、谐波),容性分量等。
阻性电流基波 = 全电流基波•cosφ,φ为全电流对电压基波的相角差。

2、避雷器性能判断
(1)阻性电流的基波成分增长较大,谐波的含量增长不明显时,一般表现为污秽严重或受潮。
(2)阻性电流谐波的含量增长较大,基波成分增长不明显时,一般表现为老化。
(3)仅当避雷器发生均匀劣化时,底部容性电流不发生变化。发生不均匀劣化时,底部容性电流增加。避雷器有一半发生劣化时,底部容性电流增加最多。
(4)相间干扰对测试结果有影响,但不影响测试结果的有效性。采用历史数据的纵向比较法,能较好地反映氧化锌避雷器运行情况。
(5)避雷器性能可以从阻性电流基波判断,也可以从电流电压相角差Φ判断更有效,因为90°-Φ相当于介损角。如果规定阻性电流小于总电流的25%,对应的φ为75°

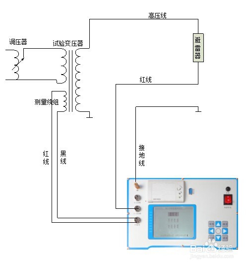
1、实验室测试接线方法
在变压器停电状态下,实验室接线方法如图所示,请先将仪器可靠地线,再接电流测试线(单根红线接氧化锌避雷器下端),最后接电压测试线(二芯线的红线、黑线接变压器的测量绕组,注意方向)。接电流测试线的方法,首先根据电流大小,接电流测试线到主机端0-2mA或2-10mA量程档上,再将另一端接氧化锌避雷器下端。接电压测试线的方法,也是先接仪器这一端再去接变压器测试绕组。检查正确接线后,慢慢升压到氧化锌避雷器的额定电压,然后操作仪器开始试验。
