OMRON A4EG抓握式启动开关说明书:[1]
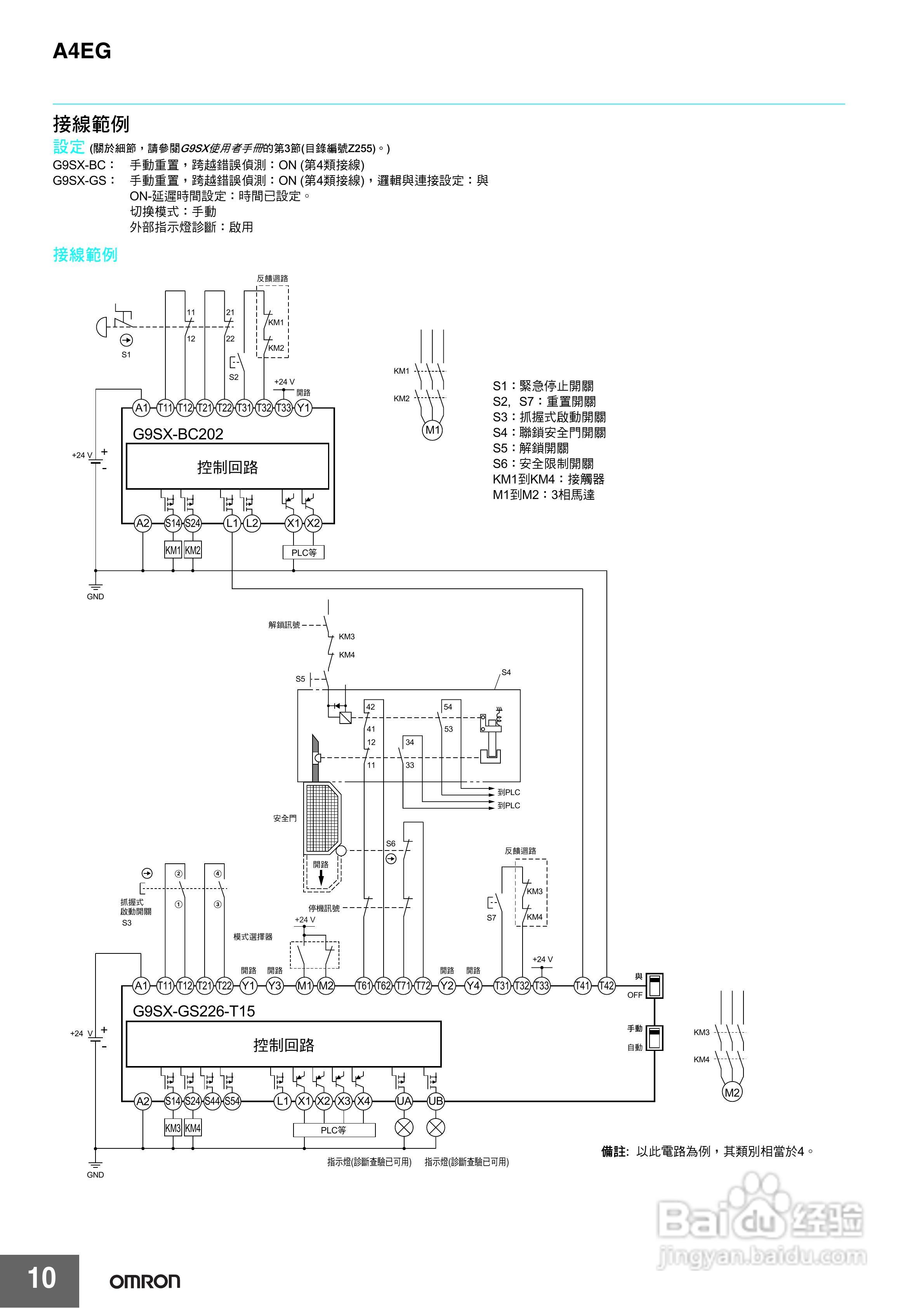
本篇为《OMRON A4EG抓握式启动开关说明书》,主要介绍该产品的使用方法以及常见故障解决方案。
![OMRON A4EG抓握式启动开关说明书:[1]](https://exp-picture.cdn.bcebos.com/aebdff86242fa8728422a351bfdaf05e4b23e991.jpg)
![OMRON A4EG抓握式启动开关说明书:[1]](https://exp-picture.cdn.bcebos.com/4b626771fe1d96d800247c952ccd0c6efaf2e191.jpg)
![OMRON A4EG抓握式启动开关说明书:[1]](https://exp-picture.cdn.bcebos.com/7496877bbbf4da5850e7c3fcea0f8b56ac04d791.jpg)
![OMRON A4EG抓握式启动开关说明书:[1]](https://exp-picture.cdn.bcebos.com/50a010f85856d53d8519c55c47d2bb665059ca91.jpg)
![OMRON A4EG抓握式启动开关说明书:[1]](https://exp-picture.cdn.bcebos.com/05a320a23a42a07a982da186673834bb18efc191.jpg)
![OMRON A4EG抓握式启动开关说明书:[1]](https://exp-picture.cdn.bcebos.com/87c8bf46b7b1eef93a8051c9bfb33c4132ba3296.jpg)
![OMRON A4EG抓握式启动开关说明书:[1]](https://exp-picture.cdn.bcebos.com/ce26355fd5460596ec29e9653e03c8d247fe2596.jpg)
![OMRON A4EG抓握式启动开关说明书:[1]](https://exp-picture.cdn.bcebos.com/340e4eb8b43ea8db3677e787189c2cf7deb21696.jpg)
![OMRON A4EG抓握式启动开关说明书:[1]](https://exp-picture.cdn.bcebos.com/a1780d1fceecd3d90648ef716799594305010896.jpg)
![OMRON A4EG抓握式启动开关说明书:[1]](https://exp-picture.cdn.bcebos.com/486884883913e8e590d3b009352f477047187d96.jpg)
声明:本网站引用、摘录或转载内容仅供网站访问者交流或参考,不代表本站立场,如存在版权或非法内容,请联系站长删除,联系邮箱:site.kefu@qq.com。
阅读量:150
阅读量:38
阅读量:107
阅读量:131
阅读量:131
本篇为《OMRON A4EG抓握式启动开关说明书》,主要介绍该产品的使用方法以及常见故障解决方案。
![OMRON A4EG抓握式启动开关说明书:[1]](https://exp-picture.cdn.bcebos.com/aebdff86242fa8728422a351bfdaf05e4b23e991.jpg)
![OMRON A4EG抓握式启动开关说明书:[1]](https://exp-picture.cdn.bcebos.com/4b626771fe1d96d800247c952ccd0c6efaf2e191.jpg)
![OMRON A4EG抓握式启动开关说明书:[1]](https://exp-picture.cdn.bcebos.com/7496877bbbf4da5850e7c3fcea0f8b56ac04d791.jpg)
![OMRON A4EG抓握式启动开关说明书:[1]](https://exp-picture.cdn.bcebos.com/50a010f85856d53d8519c55c47d2bb665059ca91.jpg)
![OMRON A4EG抓握式启动开关说明书:[1]](https://exp-picture.cdn.bcebos.com/05a320a23a42a07a982da186673834bb18efc191.jpg)
![OMRON A4EG抓握式启动开关说明书:[1]](https://exp-picture.cdn.bcebos.com/87c8bf46b7b1eef93a8051c9bfb33c4132ba3296.jpg)
![OMRON A4EG抓握式启动开关说明书:[1]](https://exp-picture.cdn.bcebos.com/ce26355fd5460596ec29e9653e03c8d247fe2596.jpg)
![OMRON A4EG抓握式启动开关说明书:[1]](https://exp-picture.cdn.bcebos.com/340e4eb8b43ea8db3677e787189c2cf7deb21696.jpg)
![OMRON A4EG抓握式启动开关说明书:[1]](https://exp-picture.cdn.bcebos.com/a1780d1fceecd3d90648ef716799594305010896.jpg)
![OMRON A4EG抓握式启动开关说明书:[1]](https://exp-picture.cdn.bcebos.com/486884883913e8e590d3b009352f477047187d96.jpg)