指南生活
首页
美食营养
手工爱好
生活家居
返回
指南生活
首页
美食营养
游戏数码
手工爱好
生活家居
健康养生
运动户外
职场理财
情感交际
母婴教育
时尚美容
知识问答
生活知识
搜索
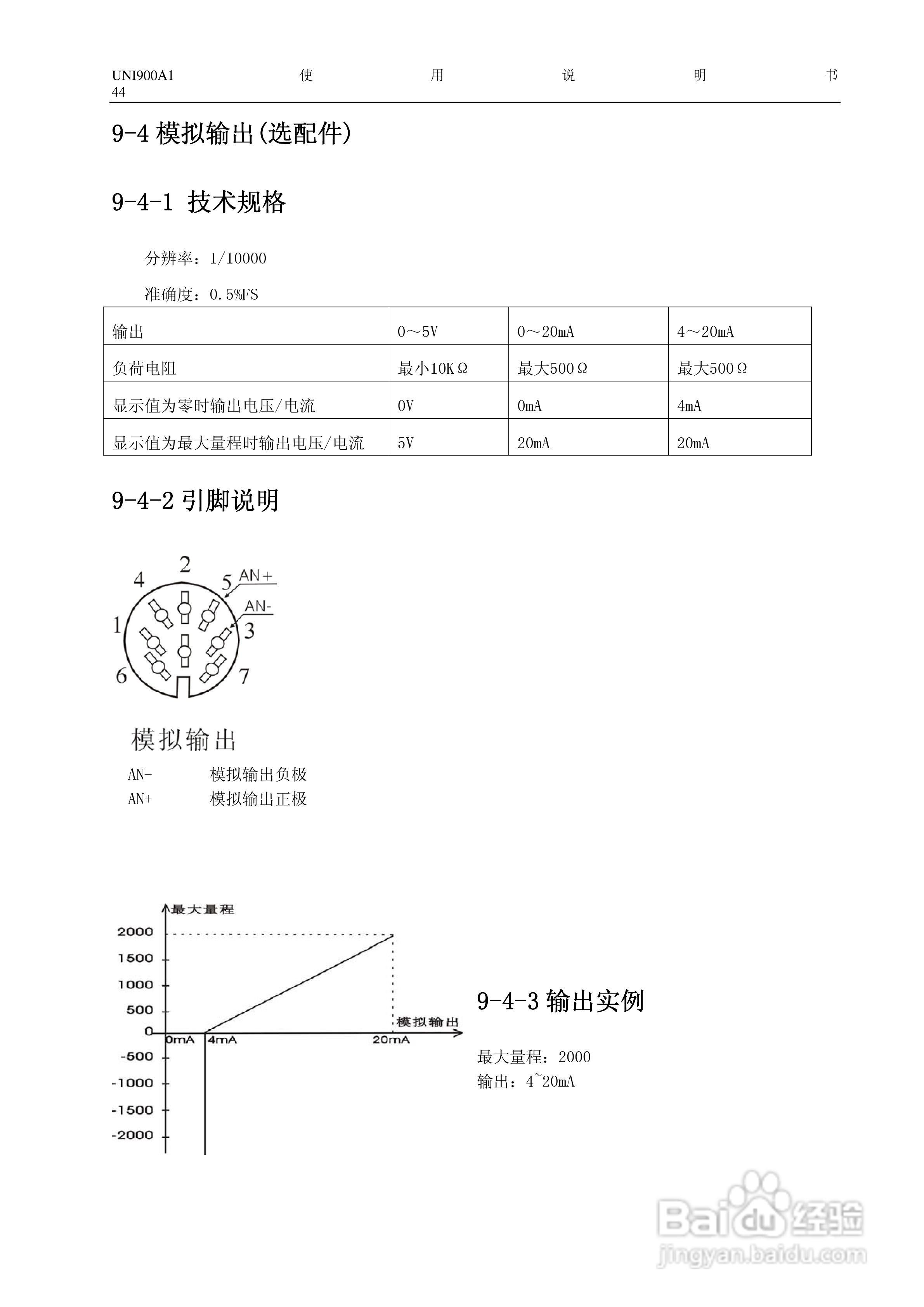
长陆UNI900A1称重显示控制仪使用说明书:[5]
2025-12-31 03:14:17
本篇为《长陆UNI900A1称重显示控制仪使用说明书》,主要介绍该产品的使用方法以及常见故障解决方案。
(共篇)
上一篇:
声明:
本网站引用、摘录或转载内容仅供网站访问者交流或参考,不代表本站立场,如存在版权或非法内容,请联系站长删除,联系邮箱:site.kefu@qq.com。
相关推荐
XSB-1力值显示控制仪使用说明书:[6]
阅读量:181
使用说明书封面怎么做
阅读量:48
怎样使用温度显示控制仪
阅读量:67
怎样连接温度显示控制仪
阅读量:44
位移显示控制仪
阅读量:181
猜你喜欢
薄暮传说攻略
简单的减肥动作
长头发怎么扎丸子头
dos怎么进入
我的世界材质包怎么用
坝上草原自驾游攻略
华为怎么连接电脑
侠客风云传蓝婷攻略
承重墙怎么看
哥本哈根减肥法
猜你喜欢
康宝莱奶昔减肥价格
生殖器疱疹怎么办
生化危机2攻略
散步减肥
圣安地列斯怎么偷东西
减肥最有效的方法
减肥俱乐部
苏州旅游攻略二日游
给书包减肥
湖北神农架旅游攻略