指南生活
首页
美食营养
手工爱好
生活家居
返回
指南生活
首页
美食营养
游戏数码
手工爱好
生活家居
健康养生
运动户外
职场理财
情感交际
母婴教育
时尚美容
知识问答
生活知识
生活百科
搜索
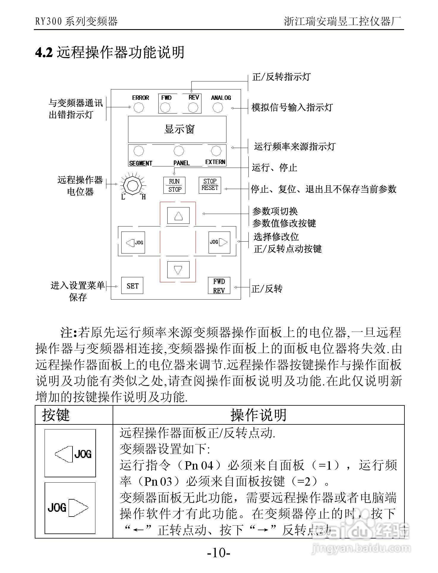
RY300系列变频器远程操作器说明书:[1]
2026-04-23 20:15:23
本篇为《RY300系列变频器远程操作器说明书》,主要介绍该产品的使用方法以及常见故障解决方案。
(共篇)
下一篇:
声明:
本网站引用、摘录或转载内容仅供网站访问者交流或参考,不代表本站立场,如存在版权或非法内容,请联系站长删除,联系邮箱:site.kefu@qq.com。
相关推荐
RY300系列变频器远程操作器说明书:[2]
阅读量:156
你知道电动门操作器是怎么操作的吗?
阅读量:52
SWP-ND系列手动操作器使用手册:[1]
阅读量:178
天津贝尔 DFD-系列电动操作器使用说明书:[1]
阅读量:182
KH108智能手动操作器说明书:[3]
阅读量:24
猜你喜欢
股票成交量怎么看
香椿怎么吃
吃芒果过敏怎么办
扬子空调怎么样
标致301怎么样
qq空间说说怎么全部删除
beyond怎么读
突然头晕是怎么回事
冰雹是怎么形成的
年糕怎么做
猜你喜欢
个体户怎么报税
怎么切换输入法
airdrop怎么用
眼睛充血怎么快速消除
埋怎么组词
老放屁是怎么回事
荷兰豆怎么炒
放假通知怎么写
台账怎么做
孕妇发烧怎么办