指南生活
首页
美食营养
手工爱好
生活家居
返回
指南生活
首页
美食营养
游戏数码
手工爱好
生活家居
健康养生
运动户外
职场理财
情感交际
母婴教育
时尚美容
知识问答
生活知识
生活百科
搜索
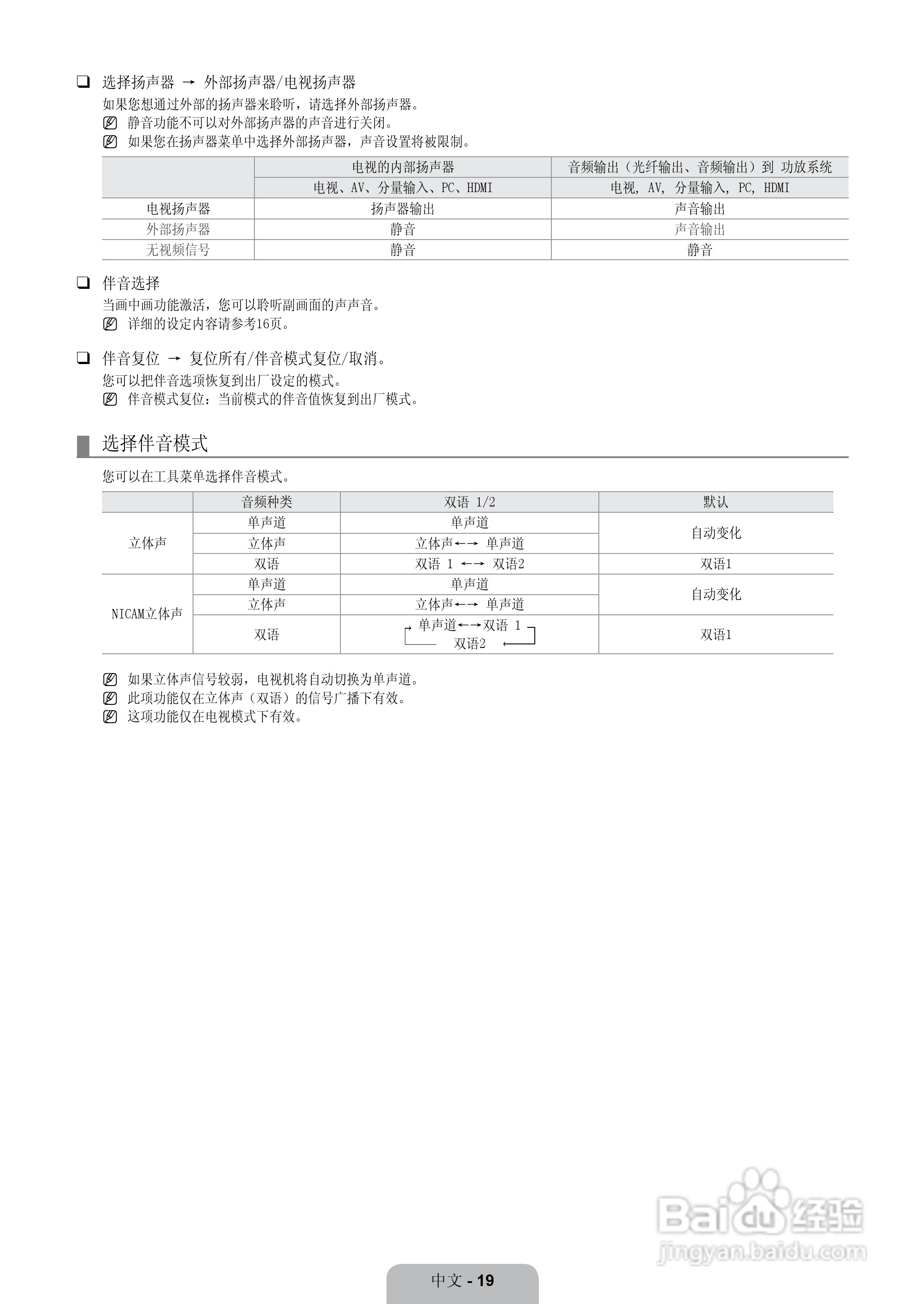
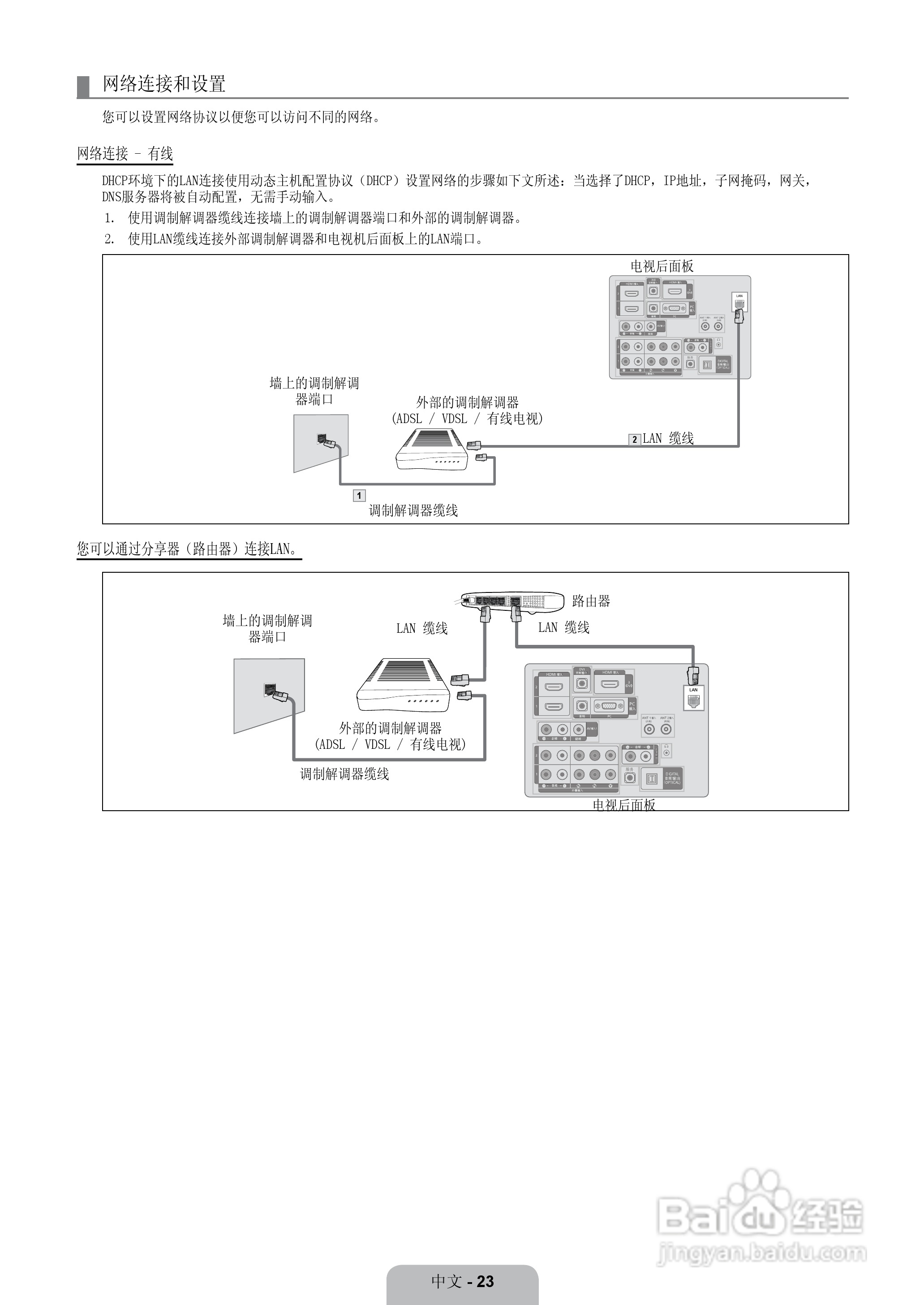
三星LA52B750U1F液晶彩电使用说明书:[3]
2026-04-26 17:01:04
(共篇)
上一篇:
|
下一篇:
声明:
本网站引用、摘录或转载内容仅供网站访问者交流或参考,不代表本站立场,如存在版权或非法内容,请联系站长删除,联系邮箱:site.kefu@qq.com。
相关推荐
三星LA46B750U1F液晶彩电使用说明书:[3]
阅读量:150
三星LA46B750U1F液晶彩电使用说明书:[1]
阅读量:111
三星LA46B750U1F液晶彩电使用说明书:[4]
阅读量:161
三星s8 打开usb调试教程
阅读量:48
三星LA46B750U1F液晶彩电使用说明书:[8]
阅读量:151
猜你喜欢
穿越电视剧大全列表
我的世界绊线钩怎么用
小猫简笔画图片大全
mistake怎么读
网上怎么查银行卡余额
河南坠子大全
二年级应用题大全
赵匡胤简介
乐高游戏大全
爸爸简笔画图片大全
猜你喜欢
奇瑞瑞虎3怎么样
怎么驱鬼
宫腔积液怎么治疗
车牌号大全
乡村喜剧电视剧大全
鞋盒手工制作大全
年会舞蹈视频大全
可莱丝面膜怎么样
动物性行为大全
汽车大全图片