指南生活
首页
美食营养
手工爱好
生活家居
返回
指南生活
首页
美食营养
游戏数码
手工爱好
生活家居
健康养生
运动户外
职场理财
情感交际
母婴教育
时尚美容
知识问答
生活知识
生活百科
搜索
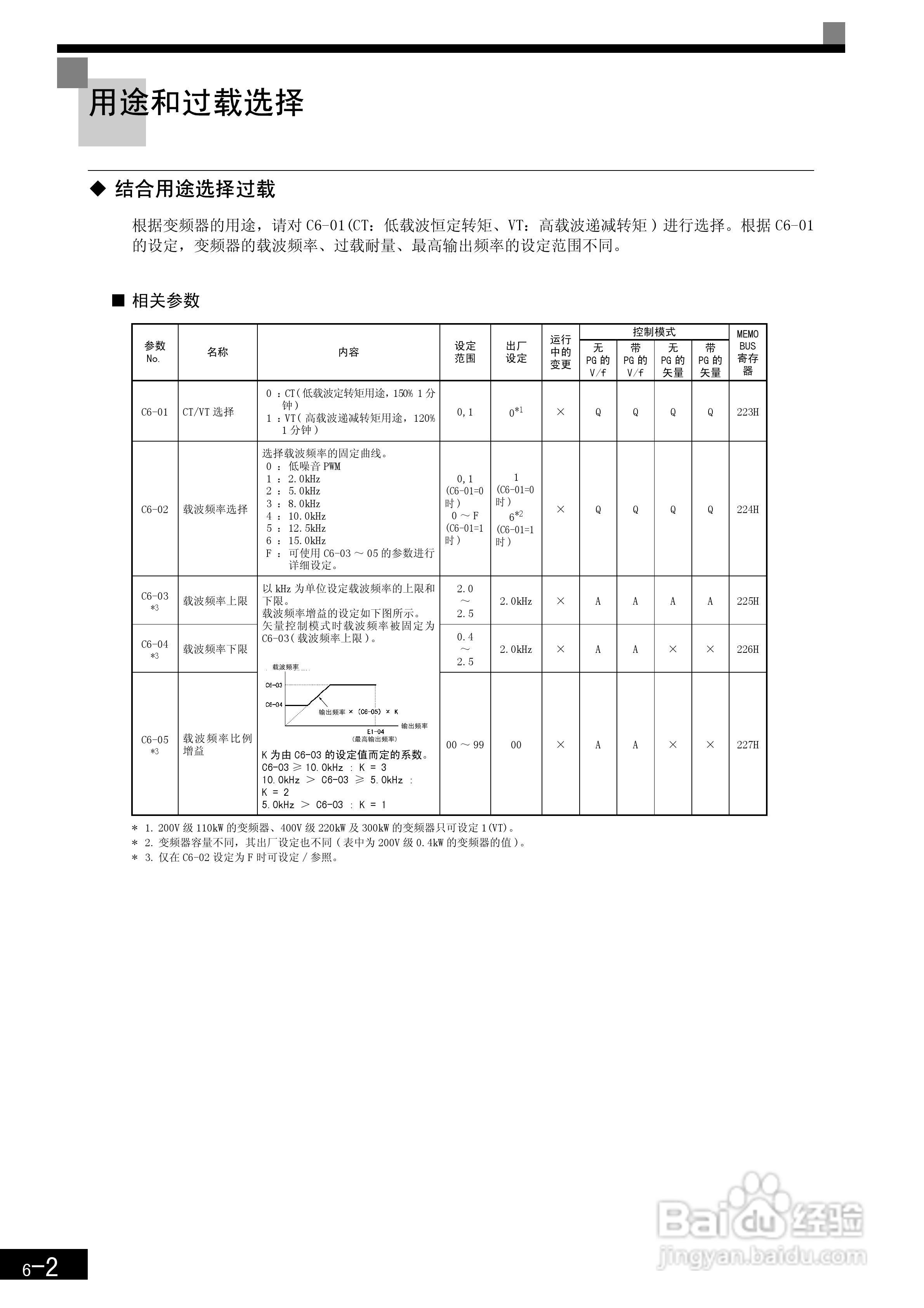
安川CIMR-F7B4300变频器使用说明书:[20]
2026-04-23 10:08:28
本篇为《安川CIMR-F7B4300变频器使用说明书》,主要介绍该产品的使用方法以及常见故障解决方案。
(共篇)
上一篇:
|
下一篇:
声明:
本网站引用、摘录或转载内容仅供网站访问者交流或参考,不代表本站立场,如存在版权或非法内容,请联系站长删除,联系邮箱:site.kefu@qq.com。
相关推荐
安川CIMR-F7B4300变频器使用说明书:[18]
阅读量:156
安川CIMR-F7B4300变频器使用说明书:[29]
阅读量:106
使用说明书wf2651使用指南
阅读量:177
使用说明书封面怎么做
阅读量:122
安川CIMR-F7B4300变频器使用说明书:[36]
阅读量:47
猜你喜欢
虾类依靠什么呼吸
usd什么意思
脾的作用
三个火字念什么
鱼腥草的作用
盐蒸橙子的功效与作用
三七的功效与作用
成人用品店有什么
海马的功效与作用吃法
莲花什么时候开
猜你喜欢
企业策划是做什么的
脾的作用
糖筛什么时候做
搬家送什么礼物好
什么是近亲结婚
c照能开什么车
学习炒股入门知识
凌霄花的功效与作用
柠檬红茶的功效与作用
什么是磁共振