指南生活
首页
美食营养
手工爱好
生活家居
返回
指南生活
首页
美食营养
游戏数码
手工爱好
生活家居
健康养生
运动户外
职场理财
情感交际
母婴教育
时尚美容
知识问答
生活知识
生活百科
搜索
雅达YD2301-2302马达保护器使用说明手册:[3]
2026-05-18 04:08:16
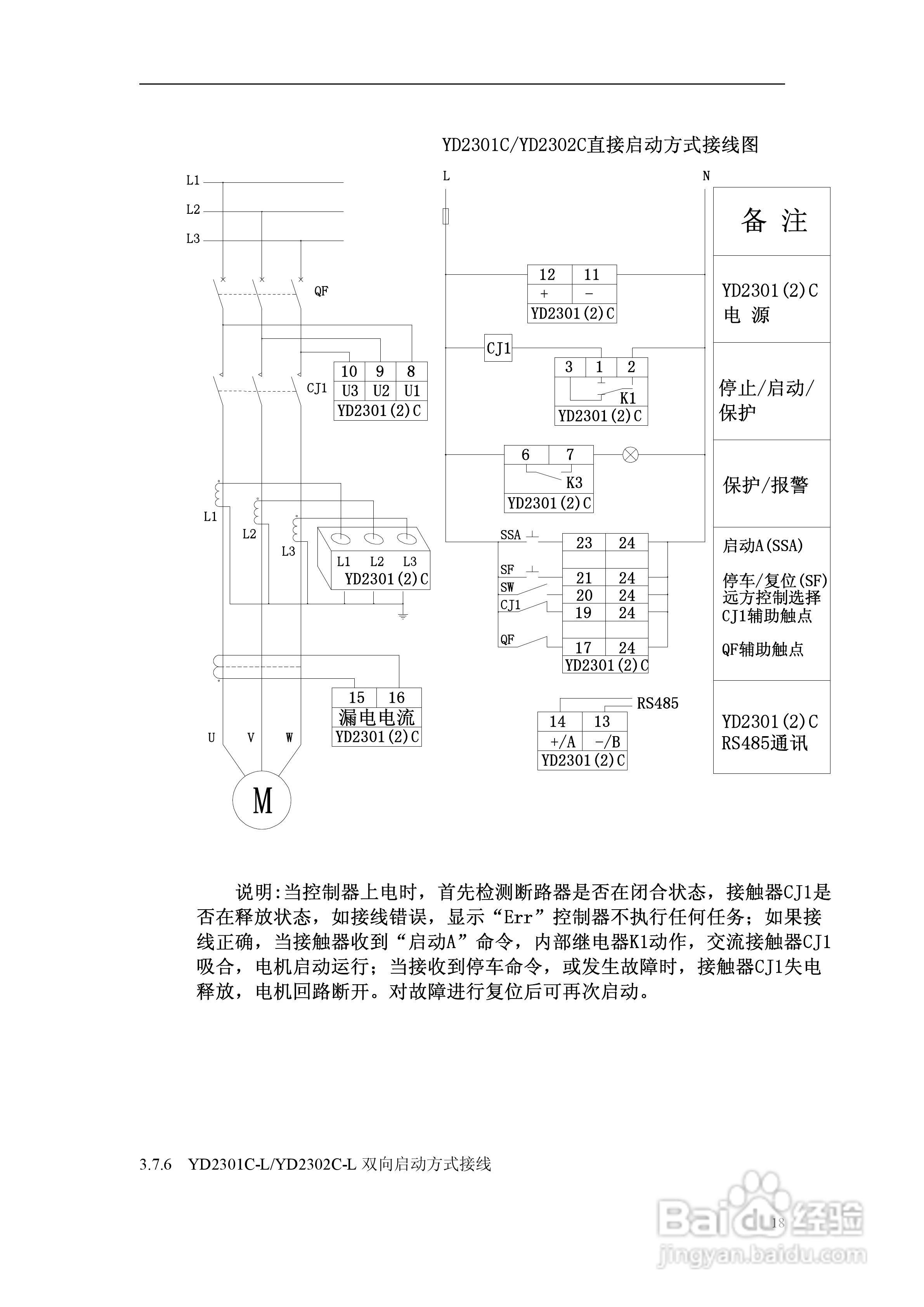
本篇为《雅达YD2301-2302马达保护器使用说明手册》,主要介绍该产品的使用方法以及常见故障解决方案。
(共篇)
上一篇:
|
下一篇:
声明:
本网站引用、摘录或转载内容仅供网站访问者交流或参考,不代表本站立场,如存在版权或非法内容,请联系站长删除,联系邮箱:site.kefu@qq.com。
相关推荐
衣柜内部怎么设计最合适?
阅读量:74
焖牛筋牛杂牛腩
阅读量:114
耐碱磁力循环泵运转时常见故障排除及检修方法!
阅读量:122
蒜蓉炒包菜的做法
阅读量:22
如何煎炸鳅鱼?
阅读量:167
猜你喜欢
pmp是什么意思
ost是什么意思
python是什么意思
妥协是什么意思
soccer是什么意思
牛黄安宫丸的功效与作用
端详是什么意思
黑曜石的作用
善罢甘休的意思
虫草花的作用
猜你喜欢
扑街是什么意思
树叶的作用
凝视的意思
tap是什么意思
什么样的女人最有魅力
cf是什么意思
怀孕什么时候做b超
漫无目的的意思
不甘示弱的意思
life是什么意思