指南生活
首页
美食营养
手工爱好
生活家居
返回
指南生活
首页
美食营养
游戏数码
手工爱好
生活家居
健康养生
运动户外
职场理财
情感交际
母婴教育
时尚美容
知识问答
生活知识
生活百科
搜索
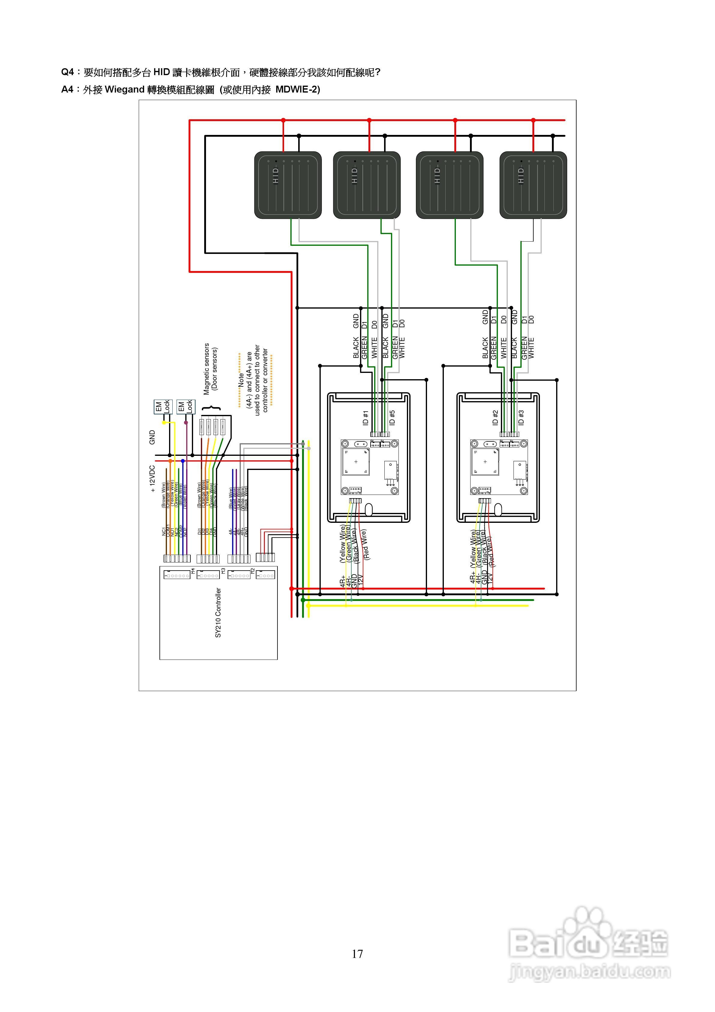
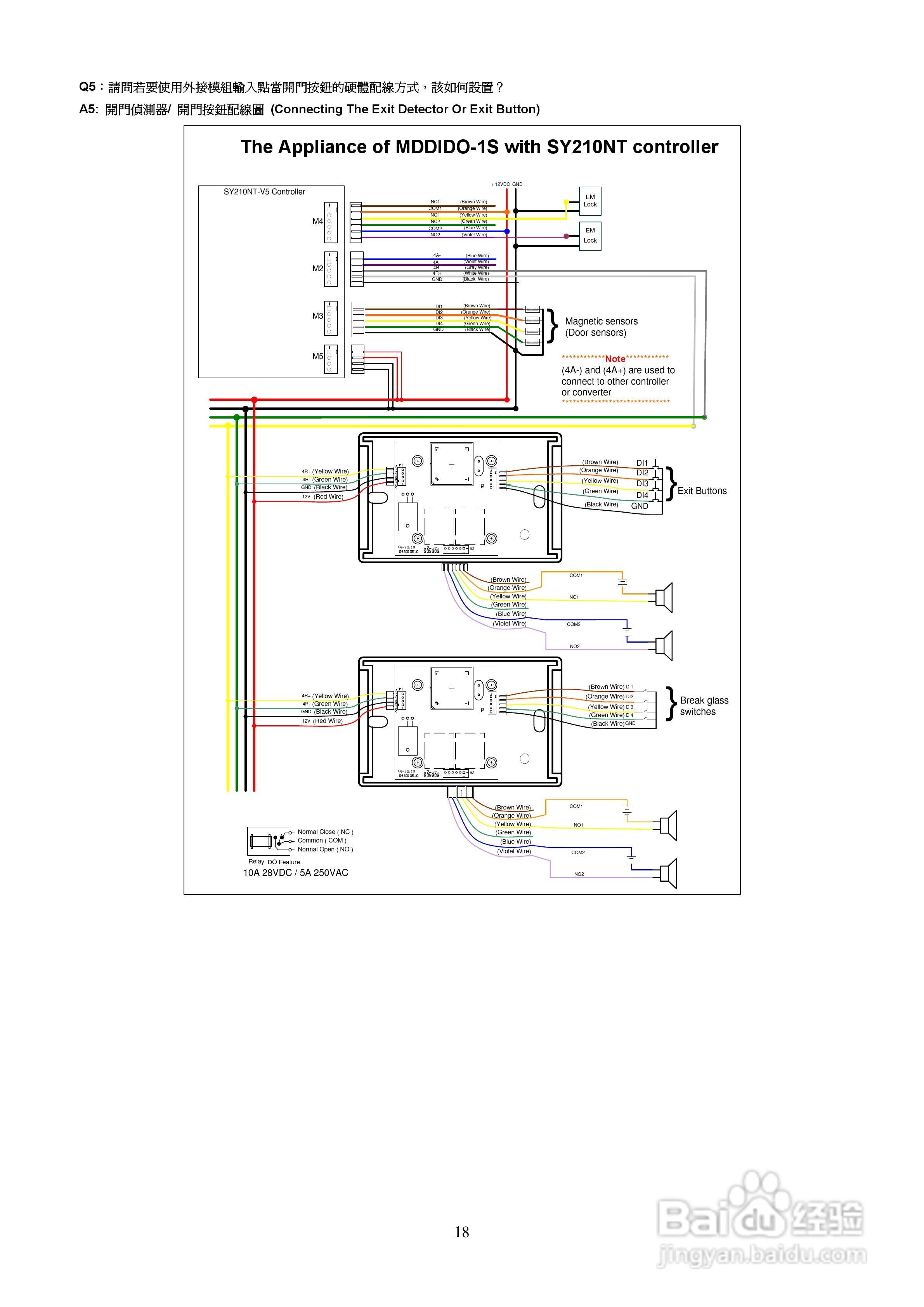
SYRIS SY210NT V5网路型多门控制器安装说明书:[2]
2026-05-04 00:12:39
本篇为《SYRIS SY210NT V5网路型多门控制器安装说明书》,主要介绍该产品的使用方法以及常见故障解决方案。
(共篇)
上一篇:
声明:
本网站引用、摘录或转载内容仅供网站访问者交流或参考,不代表本站立场,如存在版权或非法内容,请联系站长删除,联系邮箱:site.kefu@qq.com。
相关推荐
SYRIS SY210NT V5网路型多门控制器安装说明书:[1]
阅读量:144
SYRIS SY210NT 系列控制器操作手册:[2]
阅读量:149
SYRIS SY210NT 系列控制器操作手册:[1]
阅读量:129
FC5A型可编程控制器_显示器使用说明书:[2]
阅读量:138
LS-S面板安装太阳能控制器产品说明书:[2]
阅读量:152
猜你喜欢
你喜欢什么样的老师
肝的作用
运动会手抄报
蚂蚁粉的功效与作用
蓝色代表什么意思
知识分享
知识图谱
学校运动会新闻报道
若即若离什么意思
法克什么意思
猜你喜欢
财经知识
说明方法的作用
去痘印用什么好
坚持不懈什么意思
航天知识
种植业什么前景最好
布洛芬片的作用
黄秋葵花的功效与作用
防雷电安全知识
自挂东南枝什么意思