指南生活
首页
美食营养
手工爱好
生活家居
返回
指南生活
首页
美食营养
游戏数码
手工爱好
生活家居
健康养生
运动户外
职场理财
情感交际
母婴教育
时尚美容
知识问答
生活知识
生活百科
搜索
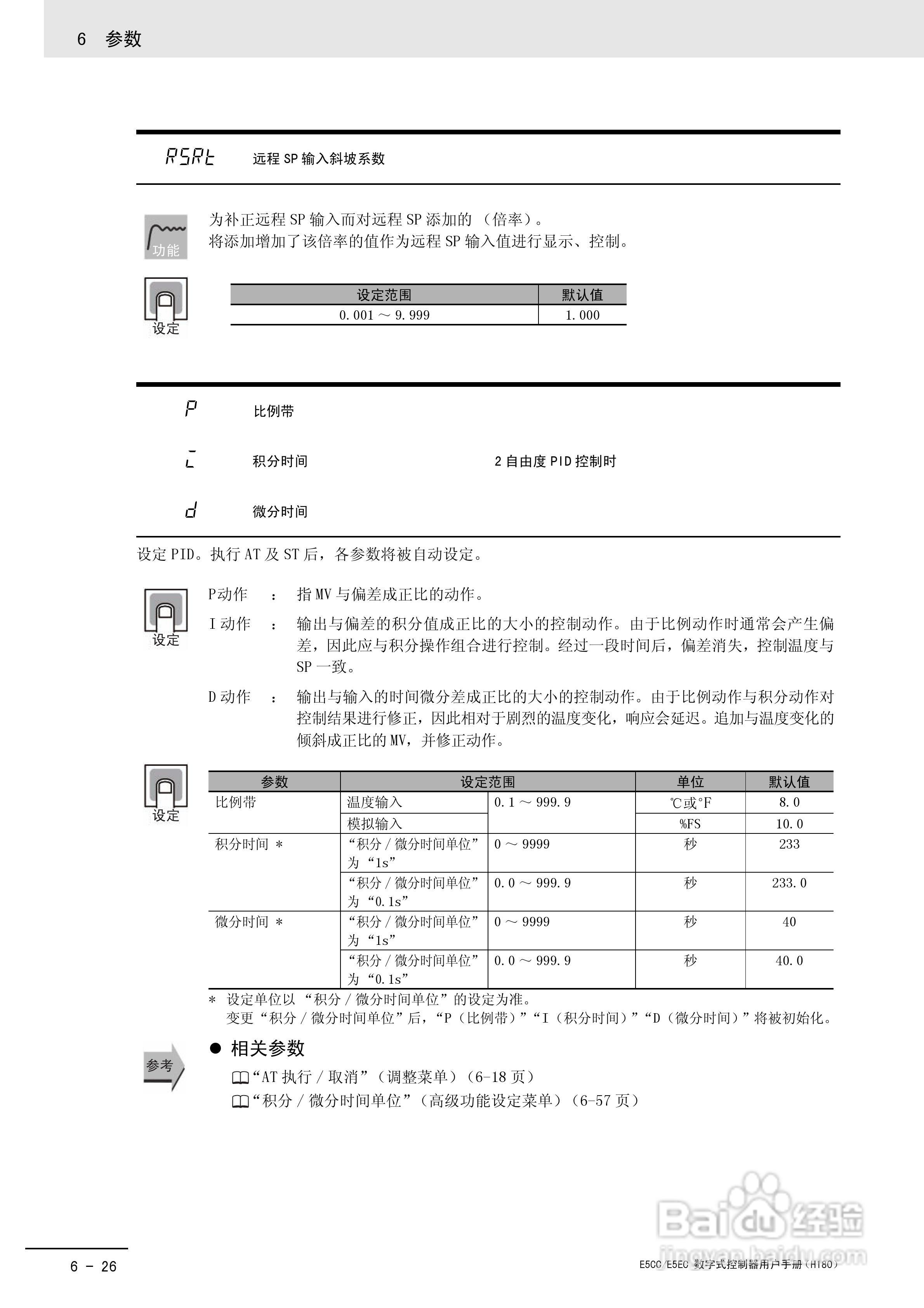
欧姆龙温控器E5CC-E5EC操作手册:[22]
2026-04-02 11:26:39
本篇为《欧姆龙温控器E5CC-E5EC操作手册》,主要介绍该产品的使用方法以及常见故障解决方案。
(共篇)
上一篇:
|
下一篇:
声明:
本网站引用、摘录或转载内容仅供网站访问者交流或参考,不代表本站立场,如存在版权或非法内容,请联系站长删除,联系邮箱:site.kefu@qq.com。
相关推荐
欧姆龙温控器E5CC-E5EC操作手册:[18]
阅读量:55
欧姆龙温控器E5CC-E5EC操作手册:[15]
阅读量:141
E5DC 系列温控器设置说明
阅读量:82
如何使用CopperCAM生成PCB雕刻刀路
阅读量:32
Remote Mouse 无线鼠标免费下载教程
阅读量:80
猜你喜欢
幸福的方法
防止脱发的最好方法
米粉怎么冲
歌曲大全免费听
微信怎么了
血压高头疼怎么办
怎么样治疗早泄
心动过速的治疗方法
7座suv汽车大全
雪铁龙c5怎么样
猜你喜欢
家庭灭鼠最佳方法
腰间盘突出治疗方法
去黑痣最有效的方法
周公解梦大全查询梦见
肺不张的治疗方法
温度计碎了怎么办
秋刀鱼怎么做好吃
糖果图片大全
ppt怎么做好看
齐鲁工业大学怎么样