泰华仪表信号隔离器特点及应用知识
1、采用信号隔离器可解决多点接地形成“接地环路”影响,和解决电磁干扰、高频信号渗入影响,且信号隔离器有一定的隔离功能,在很大范围内,可有效的保护后级设备不受雷击和浪涌的侵害。
2、采用信号隔离器,可以解决由于导线存在电阻,电压信号在远距离传输时产生压降,造成信号失真。信号隔离器可以将电压信号转化成为电流信号,实现远距离信号传送。
3、采用信号隔离器,可接收来自现场的标准或非标准模拟信号输入,以标准信号形式输出到控制室或DCS,实现电源、输入和输出相互隔离。由现场传感器、变送器传递过来的电流信号、毫伏小信号或一些特殊信号不能直接采样,需要把这些信号转化为一定范围的电压信号,方便现场数据的采集。信号隔离器能方便地应用于对现场仪表的各种信号进行调理,通过隔离,并转换成工业计算机,DCS,PLC等能接受的标准信号或用户指定的特殊信号,在工业测量系统、医疗电子设备、电力设备等方面被广泛应用。
4、信号隔离器可以接收来自温度传感器/变送器、压力传感器/变送器、液位传感器/变送器、湿度传感器/变送器、流量传感器/变送器、气敏传感器/变送器、光敏传感器/变送器等等传感器/变送器的信号。
下面是信号隔离器的一般应用:

1、泰华仪表的信号隔离器,就是输入与输出之间电气绝缘的放大器。在测量设备、医疗电子设备、电力设备等方面被广泛应用。在工业生产过程中实现监视和控制需要用到各种各样自动化仪表,控制系统及执行机构。构成系统后有时往往发现在仪表和设备这间信号传输互相干扰,造成系统不稳定甚至误操作。出现这些情况除了每个仪表、设备本身性能原因如抗电磁干扰影响性能差外,主要还有其它原因。
2、2.1多点接地形成“接地环路”影响
各种原因可能系统连接存在多点接地,这样设备之间的信号参考点之间可能存在电势差,从而形成“接地环路”造成信号传输过程中失真。

3、根据理论分析和实践证明,在各个过程环路中使用信号隔离方法,断开过程环路,同时又不影响过程信号的正常传输,从而比较彻底解决接地环路引起的信号失真问题。

4、2.2电磁干扰、高频信号渗入影响
在工业过程监控系统中,常常碰到测量信号不稳定的情况。一、电磁干扰引起;二、可能高频信号渗入。
如果电流信号输出控制变频器,变频器高频渗入信号中,这样常常碰到控制使变频器和阀门工作不稳定、不正常。

5、解决电磁干扰,高频信号渗入影响。实践证明,在两个设备信号连接之间加适当的隔离器是最有效的方法之一。

6、2.3设备保护,保护安全,防止误动作和事故扩大
信号远距离传输时,当有雷击浪涌或高电压脉冲时,会造成有采样设备(DCS、PLC、IPC机等贵重设备)损坏。采用隔离器,有一定隔离耐压,这样就有效保护采样设备。医疗电子设备中往往利用传感器对患者进行接触测量。如果设备发生故障就会使患者触电,导致重大事故的发生。因此除了电源输入部分的基本绝缘外,与患者接触的探头部分以及内部电路也需要采取绝缘措施,进行双重绝缘。在发电站、变电站等的监视设备中,为以防万一,都备有双重防护系统以提高安全性。针对自然灾害发生的输电线触地、短路,雷电引起的共态大电流等现象,可以通过电气绝缘的措施防止监视装置发生误动作以及破坏性事故发生。
1、信号隔离器的品种较多,从输入通道数来分有单路,双路,三路,四路以及一路输入,二、三、四路输出信号分配功能的品种。从供电方式来分又分为回路供电型和独立供电型。
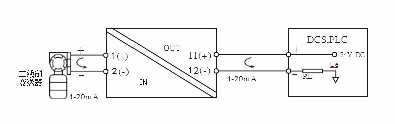
3.1回路供电型
输入输出均为二线,接线方便,它把DCS,PLC或显示表提供的电源经隔离给二线制变送器配电,同时,二线制变送器产生的4-20mA信号经隔离输入到DCS,PLC或显示表。它特别适合于现场为二线制变送器,需要隔离输入到DCS,PLC系统或显示仪表,而输入设备的输入卡具有内部供电功能的场合,如下图。

2、但是它有不足之处:
1、隔离器相当于一个负载,经过隔离器在隔离两端之间有一个不大于6V的压降,因此它给二线制变送器的配电工作电压会降低
,一般要求变送器12V供电能工作。
例如:供电24V,RL=250Ω,当20mA时,供给二线制变送器的配电电压UO≈24V-0.02xRL-6≥13V,这样一般要求二线制变送器要在12V电压下能正常工作。
2、传输精度相对于独立供电的隔离器要差一点,为0.2%-0.4%F.S左右,选用时要特别注意。
3、3.2独立供电型
这是最为常用的配二线制变送器的配电隔离器,它需要对隔离器独立供电,如下图所示。其特点是:
1、传输精度高,达到0.1%F.S。
2、接线方式灵活,可以接二线制变送器、三线制变送器或电流源信号,使用灵活方便。
3、电源、输入、输出之间完全隔离,保证高抗干扰性能。

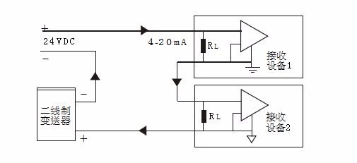
1、在具体应用中,我们还会经常遇到将一个变送器信号接入两个或两个以上接收装置的情况,若采用串联环路,则环路中任一处开路都会造成整个环路上的仪表无信号,而且负载电阻之和很容易超过变送器的负载能力,还必须保证两个负载信号之间参考点不一样,如下图。

2、根据理论分析和实践证明,在各个过程环路中使用信号解决以上问题的最理想方案是使用信号分配器。把一路输入转换成隔离二路输出,精度高、隔离能力强,如下图。
①、通过串联电阻取电压信号方法是以假定接收设备的输入阻抗无穷大为前提的,所以接收设备的输入阻抗必然对信号的测量产生误差,而且,并联设备数目越多,误差越大。
②、导线越长,线阻的电压降越大,对实际电压信号的影响也越大,因此,信号传输距离不能太长。
③、由于RFI/EMI的信号容易与电压信号叠加,所以该连接易受无线射频/电磁干扰。

3、解决以上问题的最理想方案是使用信号分配器。把一路输入转换成隔离二路输出,精度高、隔离能力强,如下图。
①两输出信号既可相同也可不同,变送器和各个接收设备间完全隔离。
②任一接收设备出现的故障不会影响整个环路及另一个
接收设备。
