指南生活
首页
美食营养
手工爱好
生活家居
返回
指南生活
首页
美食营养
游戏数码
手工爱好
生活家居
健康养生
运动户外
职场理财
情感交际
母婴教育
时尚美容
知识问答
生活知识
生活百科
搜索
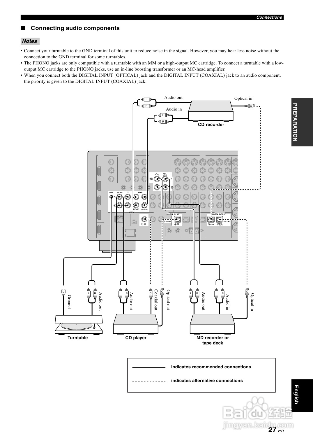
YAMAHA RX-V3800功放说明书:[2]
2026-05-10 13:13:01
(共篇)
上一篇:
|
下一篇:
声明:
本网站引用、摘录或转载内容仅供网站访问者交流或参考,不代表本站立场,如存在版权或非法内容,请联系站长删除,联系邮箱:site.kefu@qq.com。
相关推荐
马兰士SR5004功放使用说明书:[3]
阅读量:154
《全民学乒乓横拍篇》正手高吊弧圈球技术讲解
阅读量:170
DENON立体声扩音机PMA-2000AE操作说明书
阅读量:155
索尼STR-DE590功放使用说明书:[5]
阅读量:76
魔力宝贝手游不同人物属性有区别吗哪个角色好
阅读量:154
猜你喜欢
12月18日是什么星座
性xxx生活大片
地震时如何逃生
如何治疗荨麻疹
电脑反应慢怎么解决
带薪休假工资怎么算
w7鼠标灵敏度怎么调
知柏地黄丸有什么功效与作用
胸部如何变大
如何把电脑格式化
猜你喜欢
如何做面包
怎么申请吧主
雪白雪白的什么的
情欲生活
电脑发热怎么办
生活与命运
路由器如何设置
生活家地板
完美生活吉他谱
腹肌怎么练最有效