指南生活
首页
美食营养
手工爱好
生活家居
返回
指南生活
首页
美食营养
游戏数码
手工爱好
生活家居
健康养生
运动户外
职场理财
情感交际
母婴教育
时尚美容
知识问答
生活知识
生活百科
搜索
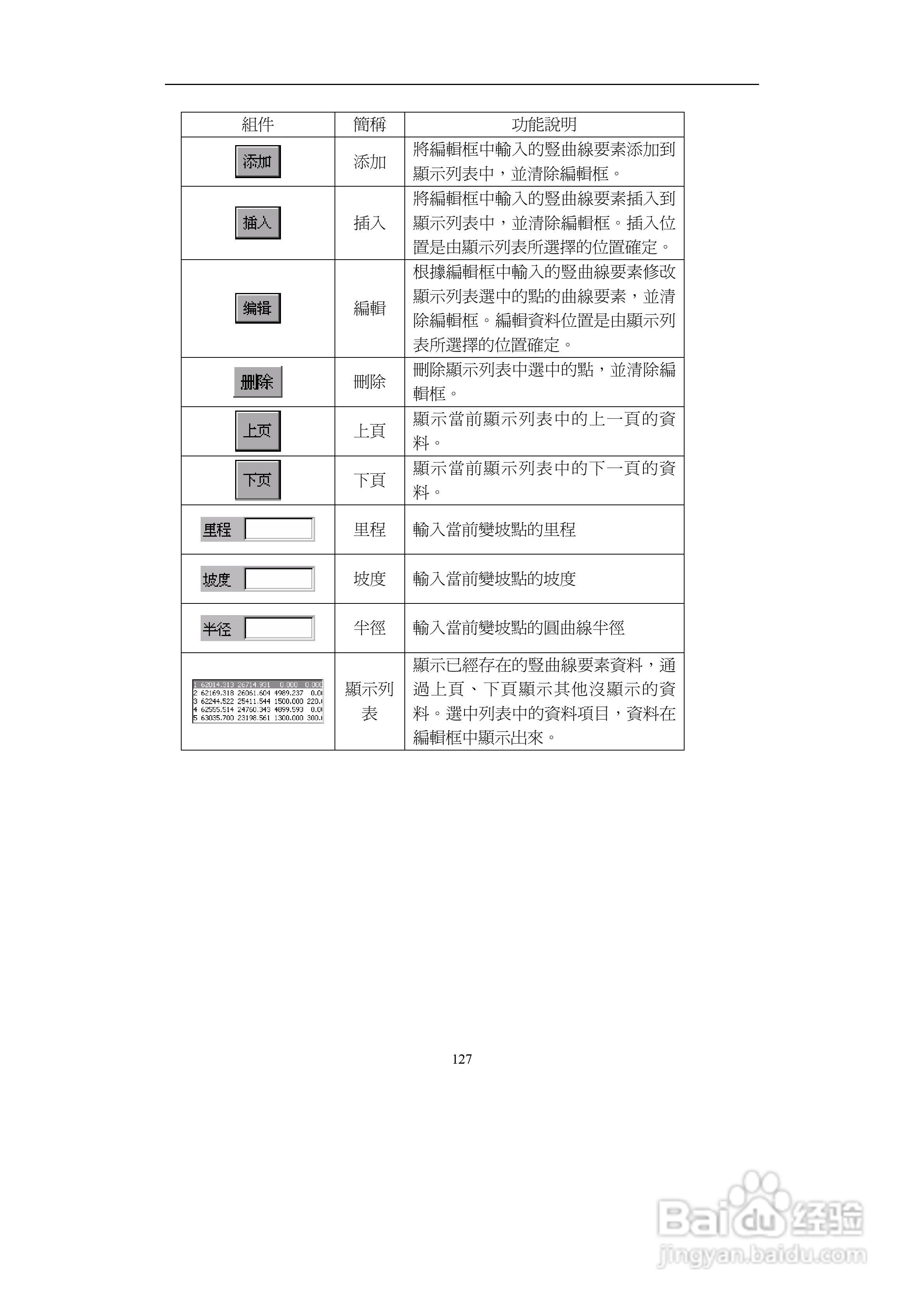
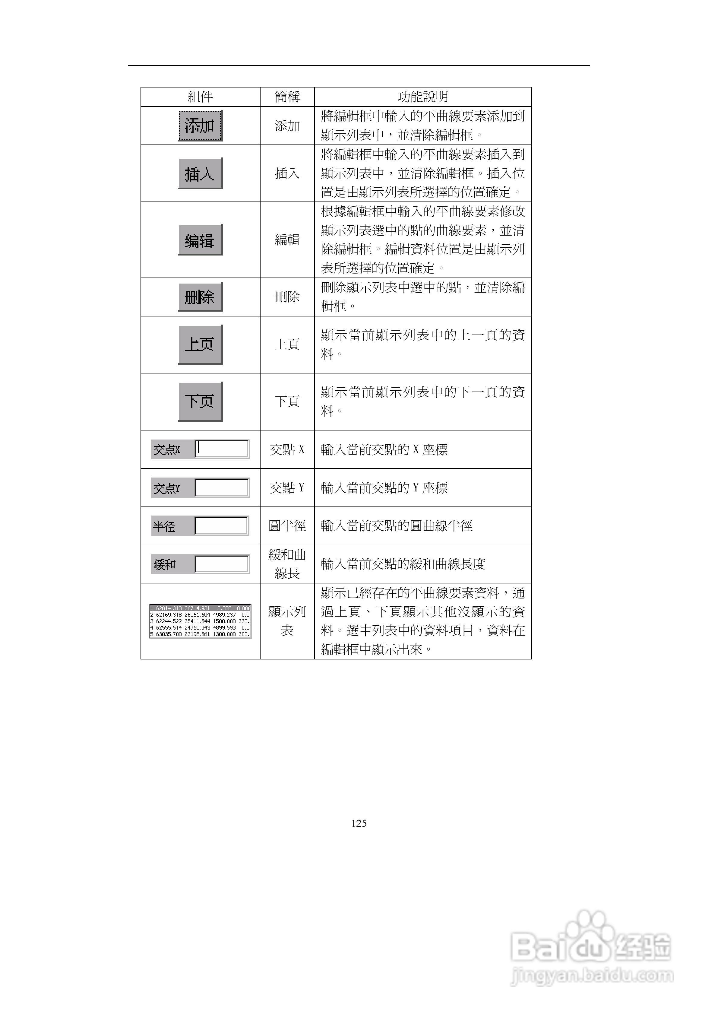
上煇RTS-700全站仪说明书:[11]
2026-04-22 21:38:34
本篇为《上煇RTS-700全站仪说明书》,主要介绍该产品的使用方法以及常见故障解决方案。
(共篇)
上一篇:
|
下一篇:
声明:
本网站引用、摘录或转载内容仅供网站访问者交流或参考,不代表本站立场,如存在版权或非法内容,请联系站长删除,联系邮箱:site.kefu@qq.com。
相关推荐
上煇RTS-700全站仪说明书:[12]
阅读量:133
上煇RTS-630全站仪说明书:[11]
阅读量:163
上煇RTS-630全站仪说明书:[14]
阅读量:185
上煇RTS-630全站仪说明书:[15]
阅读量:111
上煇RTS-680/GPI-210 系列全站仪说明书:[11]
阅读量:193
猜你喜欢
高血压是怎么引起的
qq空间怎么注销
炖鸽子汤的做法大全
披萨怎么做
寒噤怎么读
排骨怎么做
大便发绿是怎么回事
乙肝怎么治疗
我怀了亲生儿子的孩子怎么办
酸菜鱼怎么做
猜你喜欢
502胶水怎么溶解
电子邮箱怎么注册
鳊鱼怎么做好吃
吃西餐刀叉怎么拿
back怎么读
duck怎么读
炒股怎么炒
为什么下水道的盖子是圆的
素馅包子的做法
密码锁怎么改密码