指南生活
首页
美食营养
手工爱好
生活家居
返回
指南生活
首页
美食营养
游戏数码
手工爱好
生活家居
健康养生
运动户外
职场理财
情感交际
母婴教育
时尚美容
知识问答
生活知识
搜索
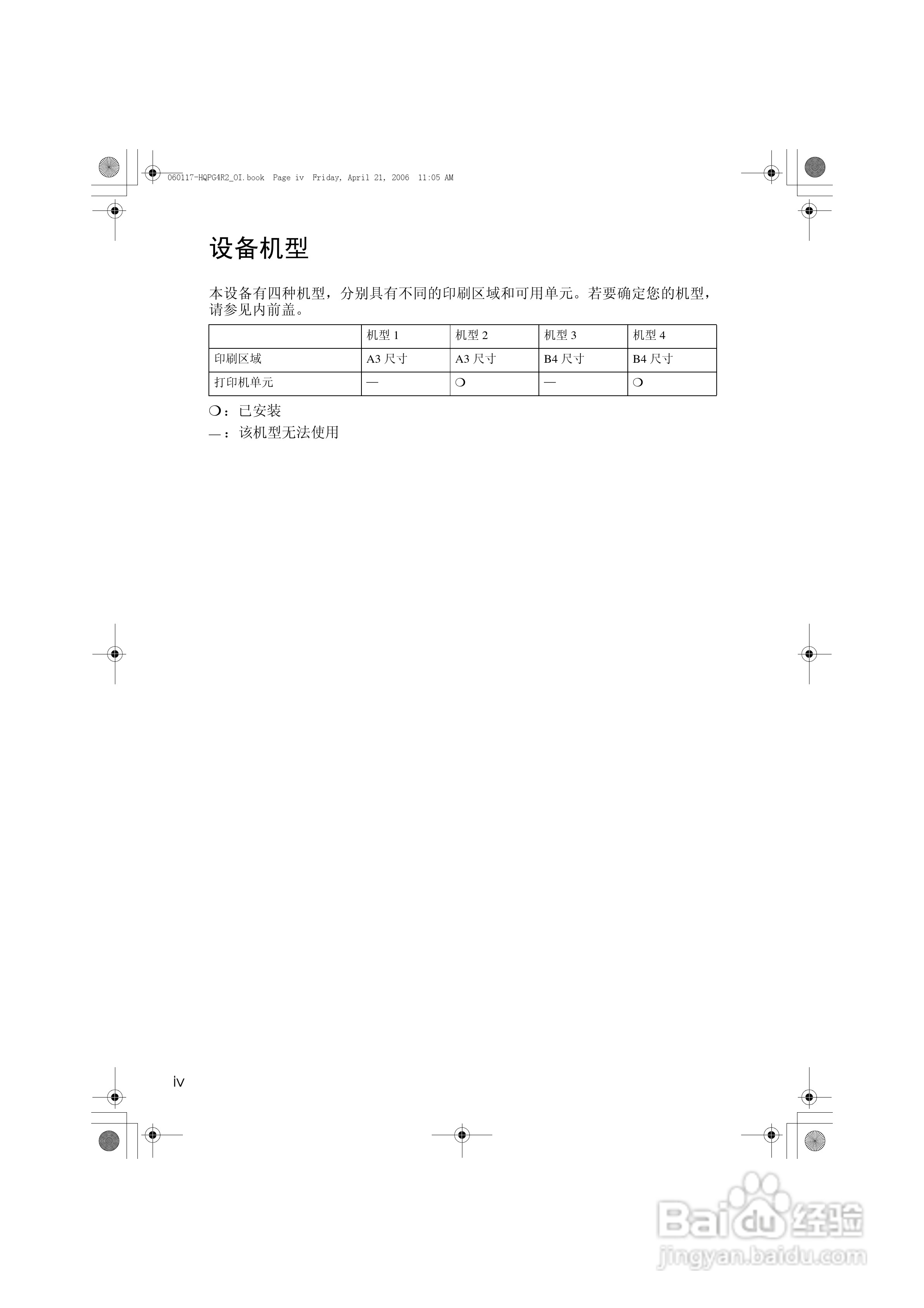
基士得耶CP6450P一体机使用说明书:[1]
2026-01-01 00:27:22
本篇为《基士得耶CP6450P一体机使用说明书》,主要介绍该产品的使用方法以及常见故障解决方案。
(共篇)
下一篇:
声明:
本网站引用、摘录或转载内容仅供网站访问者交流或参考,不代表本站立场,如存在版权或非法内容,请联系站长删除,联系邮箱:site.kefu@qq.com。
相关推荐
基士得耶CP6450P一体机使用说明书:[16]
阅读量:131
基士得耶CP6450C一体机使用说明书:[1]
阅读量:125
基士得耶CP6450C一体机使用说明书:[13]
阅读量:166
基士得耶CP6450C一体机使用说明书:[10]
阅读量:70
基士得耶CP6450C一体机使用说明书:[11]
阅读量:107
猜你喜欢
fat是什么意思啊
镜花水月的意思
甩干机什么牌子好
檄文的意思
knife是什么意思
老师的祝福语
司空见惯的惯的意思
peak是什么意思
string是什么意思
苹果6有什么特殊功能
猜你喜欢
687是什么意思
气溶胶传播是什么意思
今年两会什么时候开
building是什么意思
轻卡什么牌子好
女裤什么牌子好
明日黄花是什么意思
什么是乌龙球
犹豫是什么意思
对戒什么牌子好