指南生活
首页
美食营养
手工爱好
生活家居
返回
指南生活
首页
美食营养
游戏数码
手工爱好
生活家居
健康养生
运动户外
职场理财
情感交际
母婴教育
时尚美容
知识问答
生活知识
生活百科
搜索
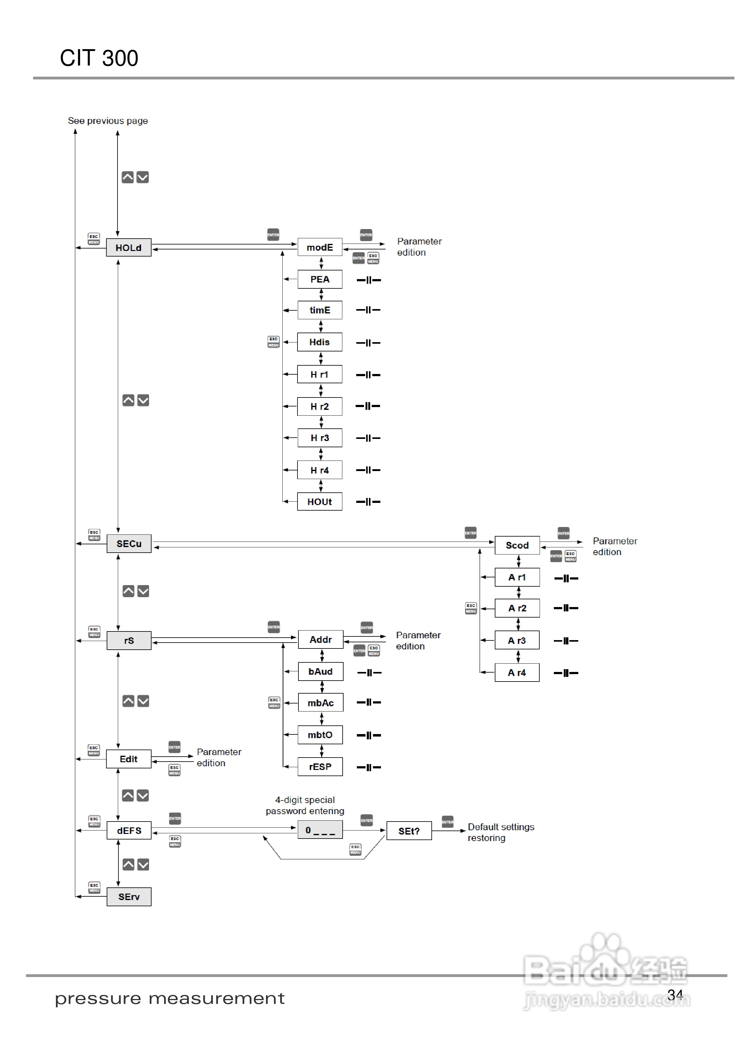
欧智博德CIT 300 流程显示器使用手册:[4]
2026-04-02 15:58:40
/>
/>
(共篇)
上一篇:
|
下一篇:
声明:
本网站引用、摘录或转载内容仅供网站访问者交流或参考,不代表本站立场,如存在版权或非法内容,请联系站长删除,联系邮箱:site.kefu@qq.com。
相关推荐
欧智博德CIT 250 流程显示器使用手册:[4]
阅读量:36
欧智博德CIT 250 流程显示器使用手册:[3]
阅读量:141
欧智博德CIT 200 流程显示器使用手册:[2]
阅读量:181
显示器帧数设置
阅读量:139
显示器有拖影如何解决
阅读量:73
猜你喜欢
bot项目是什么意思
rar是什么格式
偏头痛是什么原因
北漂是什么意思
菊粉是什么
炎症是什么
learn是什么意思
生抽是什么
什么是价值观
wink什么意思中文翻译
猜你喜欢
o型血和ab型血生的孩子是什么血型
mua什么意思
人体最大的器官是什么
沉甸甸的反义词是什么
过渡句是什么意思
edc是什么意思
6月10日是什么星座
sx是什么意思
1314是什么意思啊
什么的夜晚