指南生活
首页
美食营养
手工爱好
生活家居
返回
指南生活
首页
美食营养
游戏数码
手工爱好
生活家居
健康养生
运动户外
职场理财
情感交际
母婴教育
时尚美容
知识问答
生活知识
搜索
F1218程控高斯/特斯拉计使用说明书:[2]
2025-12-21 17:23:37
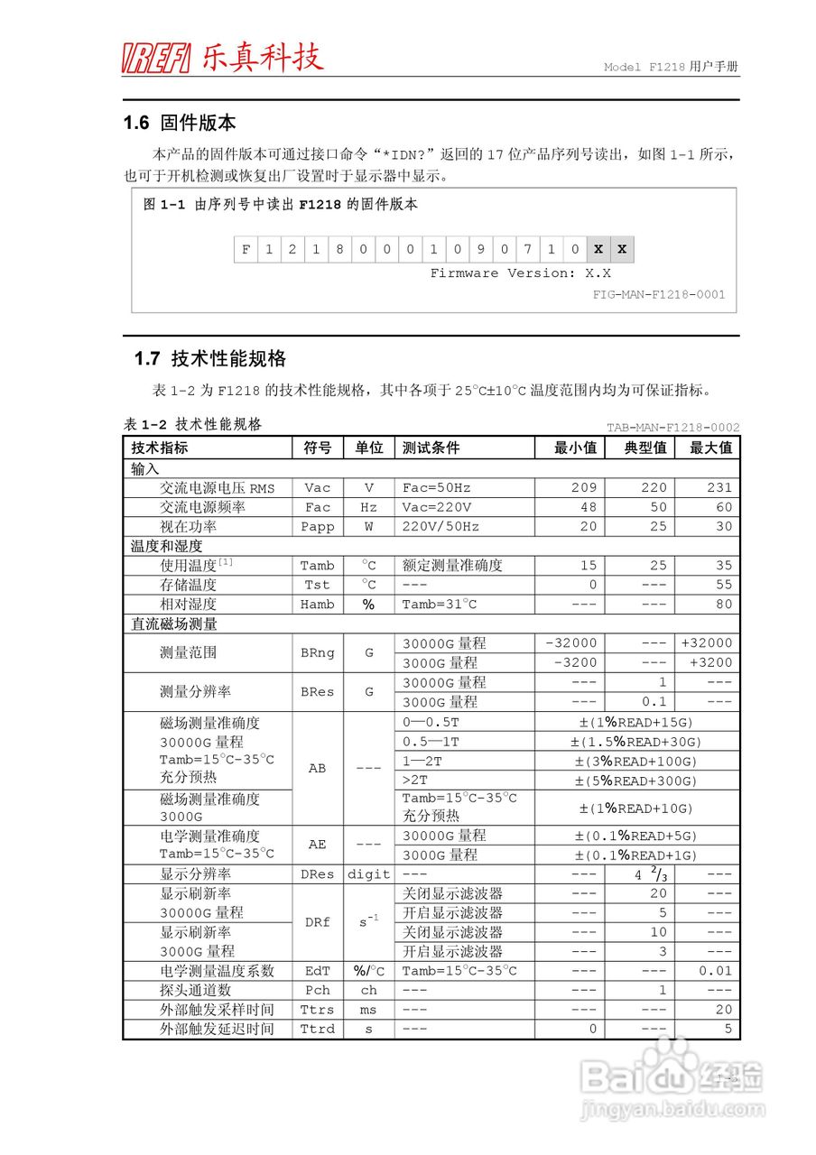
本篇为《F1218程控高斯/特斯拉计使用说明书》,主要介绍该产品的使用方法以及常见故障解决方案。
(共篇)
上一篇:
|
下一篇:
声明:
本网站引用、摘录或转载内容仅供网站访问者交流或参考,不代表本站立场,如存在版权或非法内容,请联系站长删除,联系邮箱:site.kefu@qq.com。
相关推荐
F1216程控高斯/毫特斯拉计用户手册:[2]
阅读量:129
F1216程控高斯/毫特斯拉计用户手册:[7]
阅读量:68
F1216程控高斯/毫特斯拉计用户手册:[6]
阅读量:65
乐真科技程控高斯/特斯拉计 F1201 用户手册:[2]
阅读量:183
乐真科技程控高斯/特斯拉计 F1201 用户手册:[3]
阅读量:177
猜你喜欢
qq农场点券有什么用
december是什么意思
61儿童节祝福语
鬼吹灯之精绝古城结局什么意思
小儿垂钓的意思
bpd是什么意思
强烈的气息有什么用
冥思遐想的意思
你牛什么牛唐古
树冠是指什么
猜你喜欢
wine是什么意思
学而不思则罔的意思
春城无处不飞花寒食东风御柳斜的意思
股市pe是什么意思
放纵是什么意思
京a8车牌号代表什么
粘木头用什么胶最好
什么是个人利益
红色卫衣配什么裤子
祝福语老师