指南生活
首页
美食营养
手工爱好
生活家居
返回
指南生活
首页
美食营养
游戏数码
手工爱好
生活家居
健康养生
运动户外
职场理财
情感交际
母婴教育
时尚美容
知识问答
生活知识
生活百科
搜索
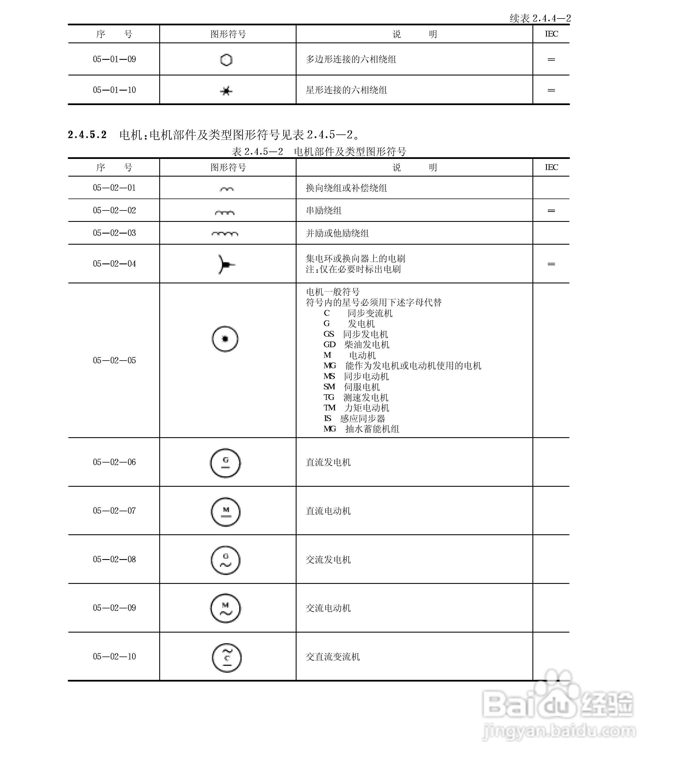
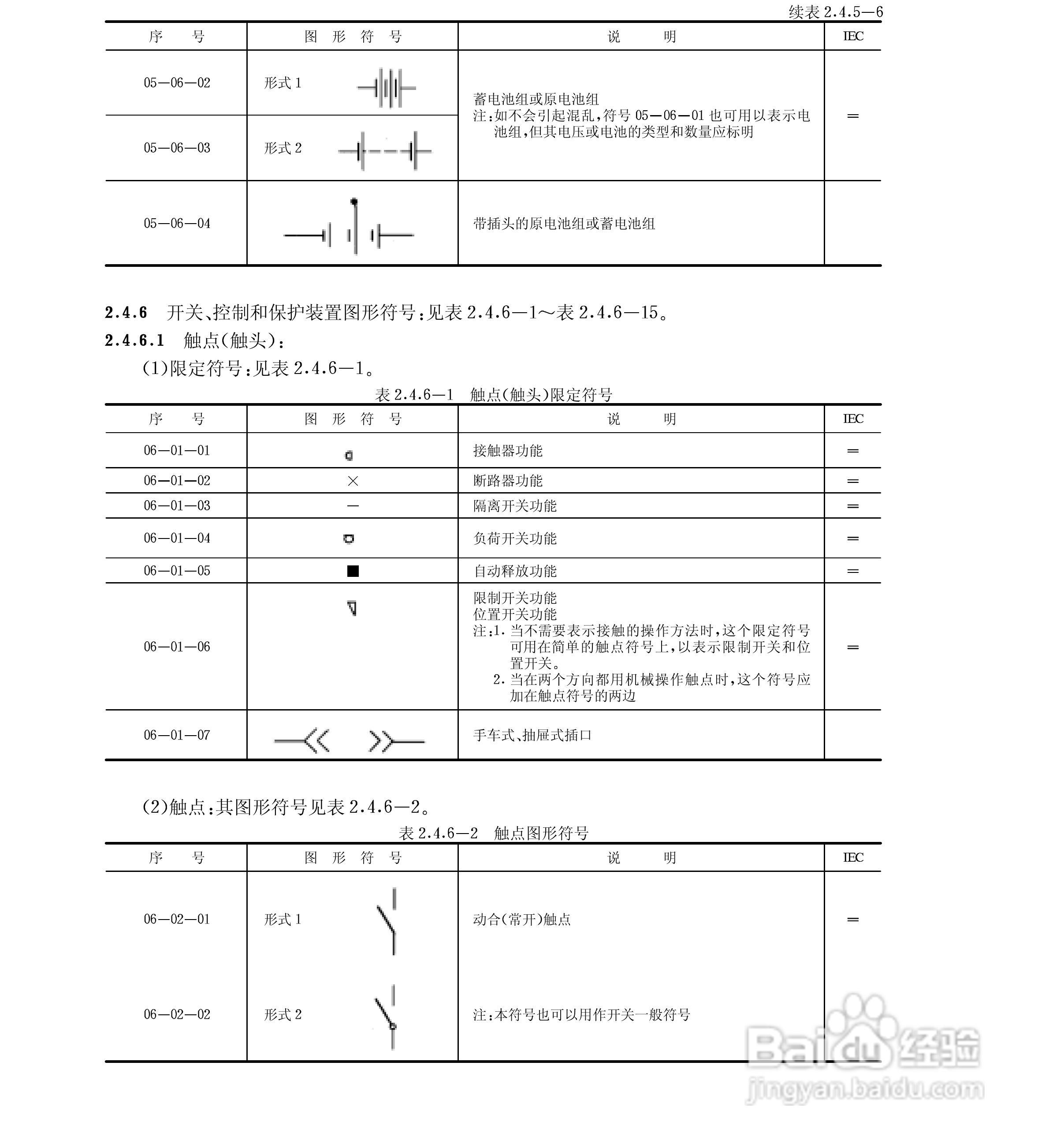
电气图形符号大全:[3]
2026-04-22 18:25:01
本篇为《电气图形符号大全》,主要介绍该产品的使用方法以及常见故障解决方案。
(共篇)
上一篇:
|
下一篇:
声明:
本网站引用、摘录或转载内容仅供网站访问者交流或参考,不代表本站立场,如存在版权或非法内容,请联系站长删除,联系邮箱:site.kefu@qq.com。
相关推荐
打印机共享设置
阅读量:106
如何使用局域网的打印机。
阅读量:119
电脑中如何更改高级共享设置?
阅读量:109
Windows7系统如何查看计算机工作组与名称
阅读量:54
电脑怎么更改共享网络的名称?
阅读量:35
猜你喜欢
青虾的做法大全
张钧甯怎么读读音
全自动洗衣机怎么用
竹笋怎么做好吃
电子邮箱怎么注册
怎么抽烟
蛋为什么疼
虾饺子馅做法大全
开机启动项怎么设置
next怎么读
猜你喜欢
玫瑰花怎么养才不会枯萎
多囊卵巢怎么调理
为什么会得子宫肌瘤
饮水机怎么清洗
周记怎么写 格式
为什么抖音没有浏览量
娜丽丝防晒喷雾怎么样
show怎么读
煎蛋怎么做
红烧鳗鱼的做法