指南生活
首页
美食营养
手工爱好
生活家居
返回
指南生活
首页
美食营养
游戏数码
手工爱好
生活家居
健康养生
运动户外
职场理财
情感交际
母婴教育
时尚美容
知识问答
生活知识
生活百科
搜索
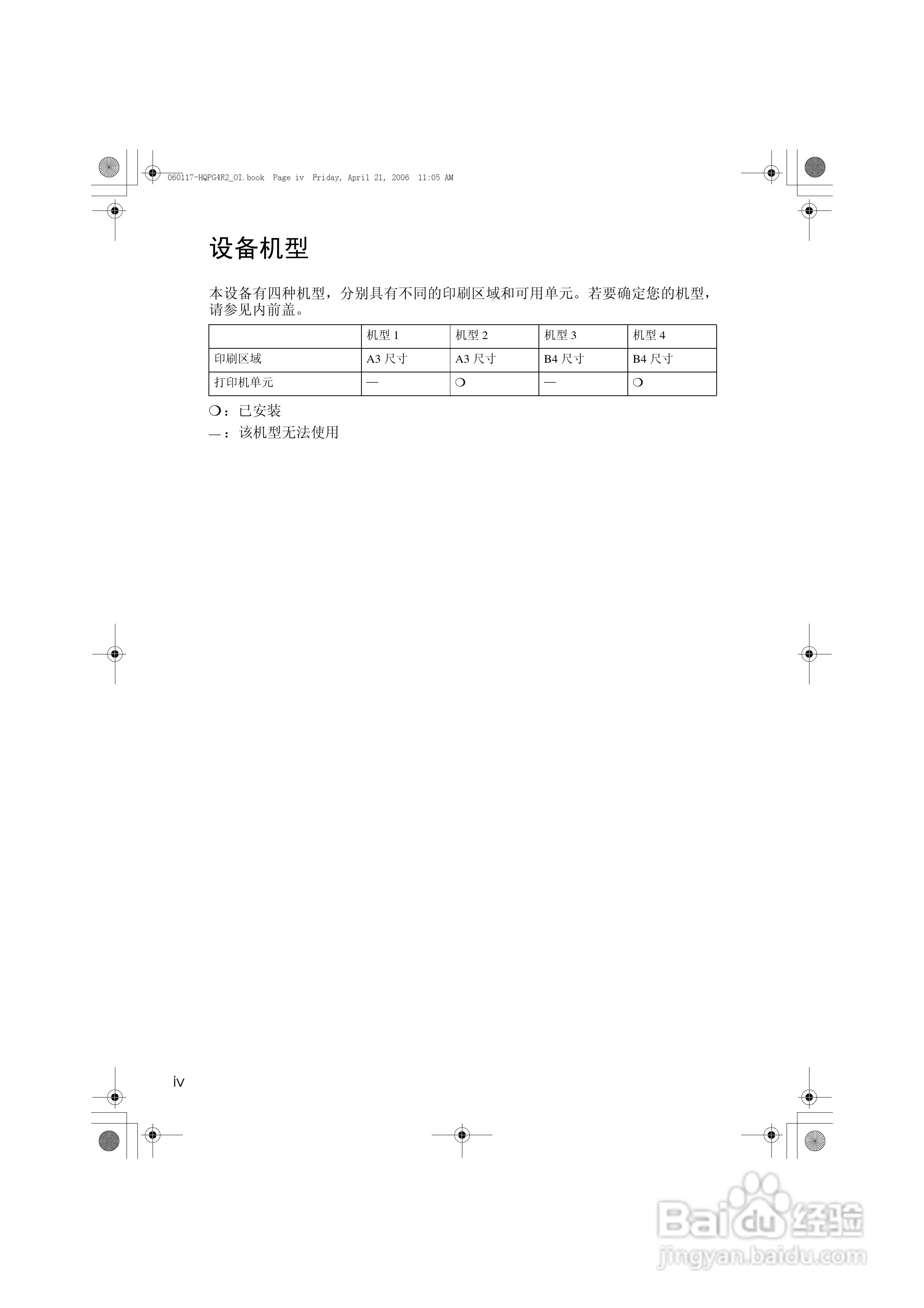
基士得耶CP6451P一体机使用说明书:[1]
2026-04-23 15:10:31
本篇为《基士得耶CP6451P一体机使用说明书》,主要介绍该产品的使用方法以及常见故障解决方案。
(共篇)
下一篇:
声明:
本网站引用、摘录或转载内容仅供网站访问者交流或参考,不代表本站立场,如存在版权或非法内容,请联系站长删除,联系邮箱:site.kefu@qq.com。
相关推荐
基士得耶CP6451P一体机使用说明书:[10]
阅读量:156
基士得耶CP6451P一体机使用说明书:[12]
阅读量:33
基士得耶CP6451P一体机使用说明书:[15]
阅读量:29
使用说明书封面怎么做
阅读量:176
使用说明书wf2651使用指南
阅读量:75
猜你喜欢
企业基本情况怎么写
大黄鱼怎么做
十分的近义词
word怎么用
越发的近义词
手机充电越充越少怎么回事
来月经腰疼怎么办
经营模式怎么写
我的世界怎么远程联机
狼人怎么玩
猜你喜欢
教诲的近义词是什么
内疚的近义词
幽静的近义词是什么
侵犯的近义词是什么
小女孩发型绑扎方法
出色的近义词是什么
理所当然的近义词
小儿发烧怎么办
玉米粒怎么剥
糍粑怎么吃