指南生活
首页
美食营养
手工爱好
生活家居
返回
指南生活
首页
美食营养
游戏数码
手工爱好
生活家居
健康养生
运动户外
职场理财
情感交际
母婴教育
时尚美容
知识问答
生活知识
搜索
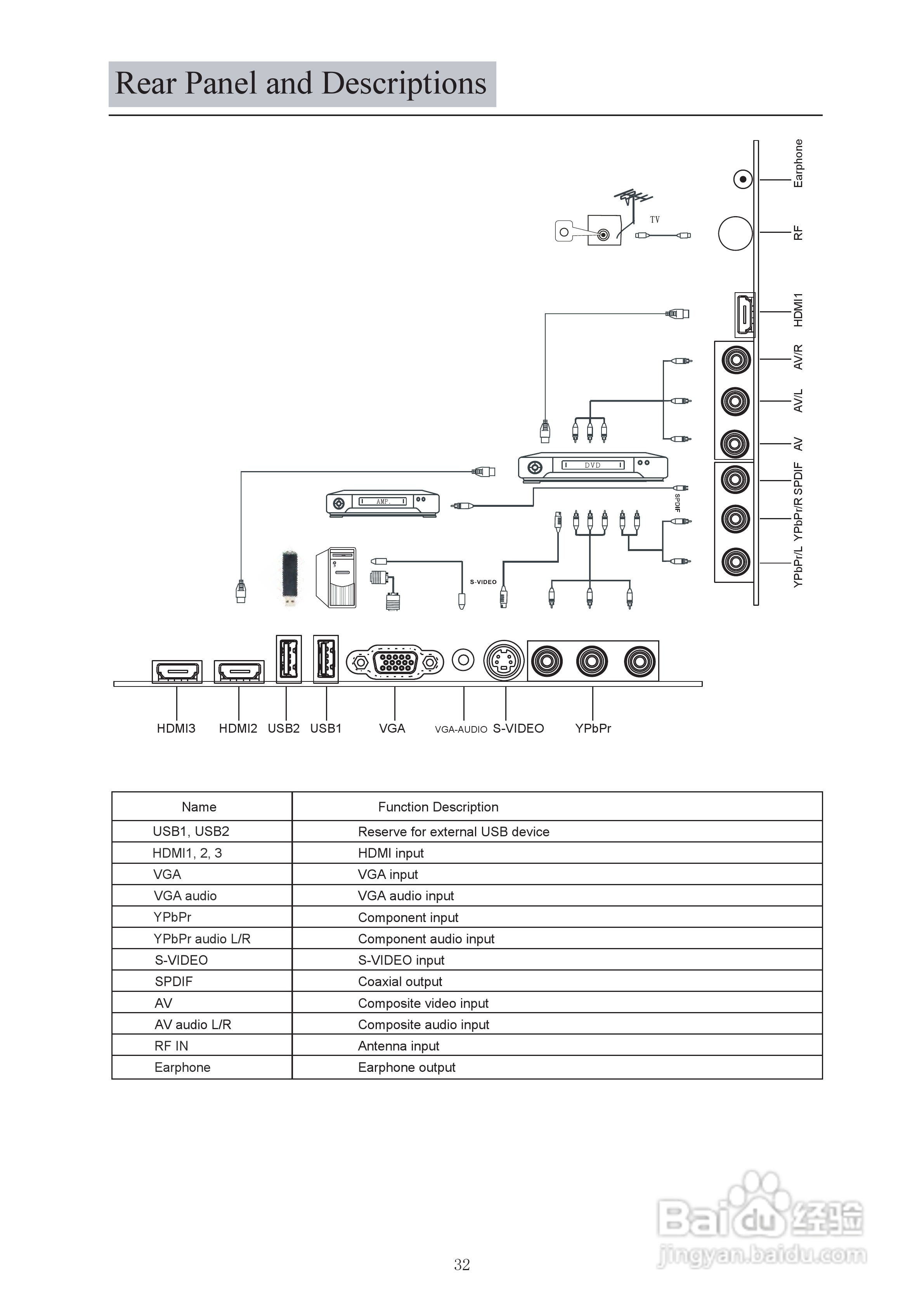
VDiCi 32LEDS762电视机使用手册:[4]
2025-12-26 11:56:26
(共篇)
上一篇:
|
下一篇:
声明:
本网站引用、摘录或转载内容仅供网站访问者交流或参考,不代表本站立场,如存在版权或非法内容,请联系站长删除,联系邮箱:site.kefu@qq.com。
相关推荐
VDiCi 32LEDS762电视机使用手册:[3]
阅读量:89
电视机尺寸怎么算
阅读量:29
VDiCi 32LEDS762电视机使用手册:[2]
阅读量:192
VDiCi 32LEDS762电视机使用手册:[6]
阅读量:110
VDiCi 32LEDS762电视机使用手册:[1]
阅读量:130
猜你喜欢
头昏是怎么回事
怎么掏耳朵
持续低烧怎么办
婚姻不顺怎么办
七日杀怎么玩
东山岛怎么去
win7怎么看显卡
丝巾怎么系好看
黑眼圈很重怎么办
文本文档怎么改格式
猜你喜欢
新闻报道怎么写
皮毛一体怎么清洗
天津职业技术师范大学怎么样
成都大学怎么样
吃多了胃难受怎么办
鸳怎么组词
黑头怎么办
夏威夷果怎么开
雅诗兰黛怎么样
脚注怎么删除