指南生活
首页
美食营养
手工爱好
生活家居
返回
指南生活
首页
美食营养
游戏数码
手工爱好
生活家居
健康养生
运动户外
职场理财
情感交际
母婴教育
时尚美容
知识问答
生活知识
搜索
XL-813三相程控标准谐波源使用说明书:[7]
2025-12-28 20:24:40
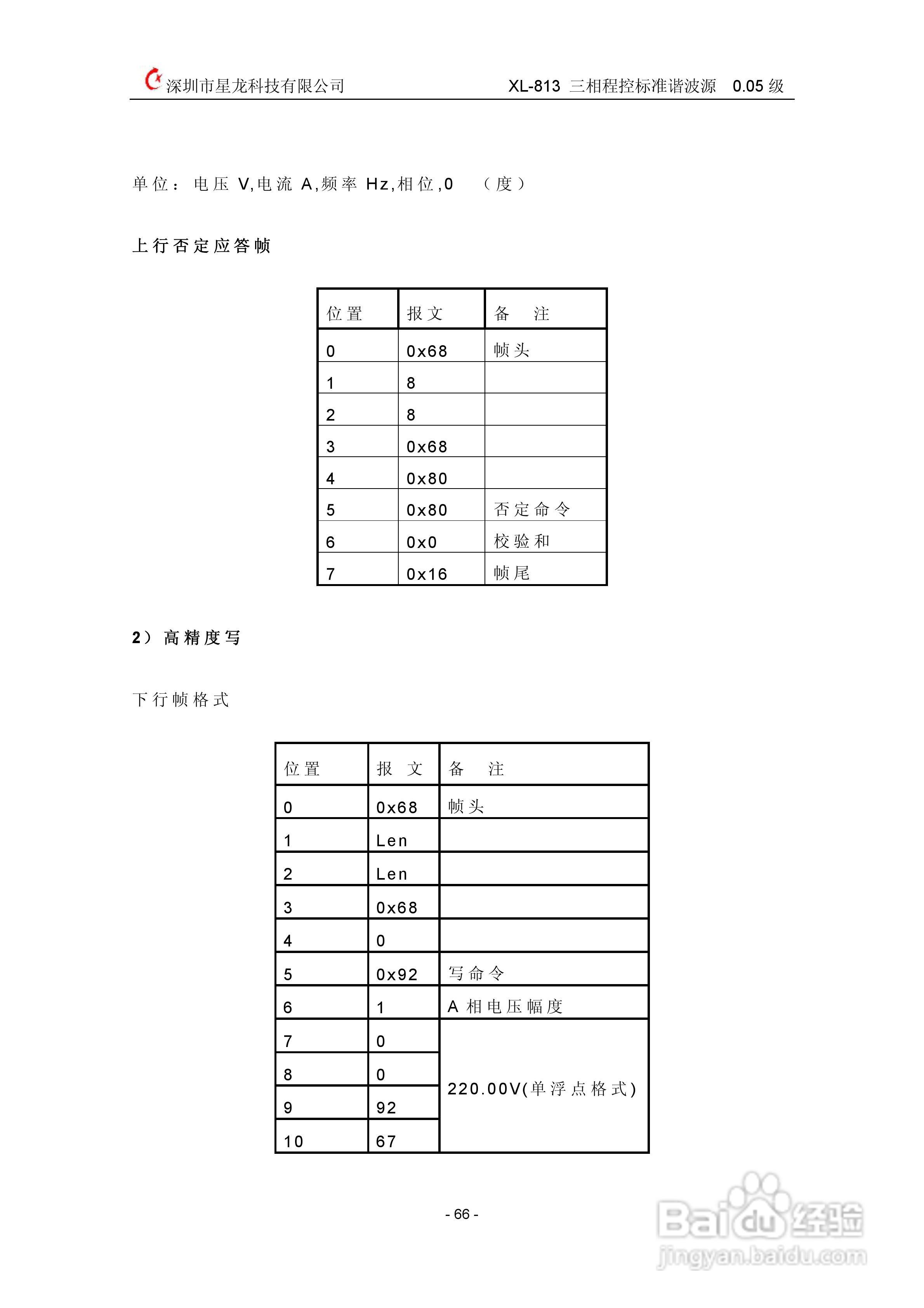
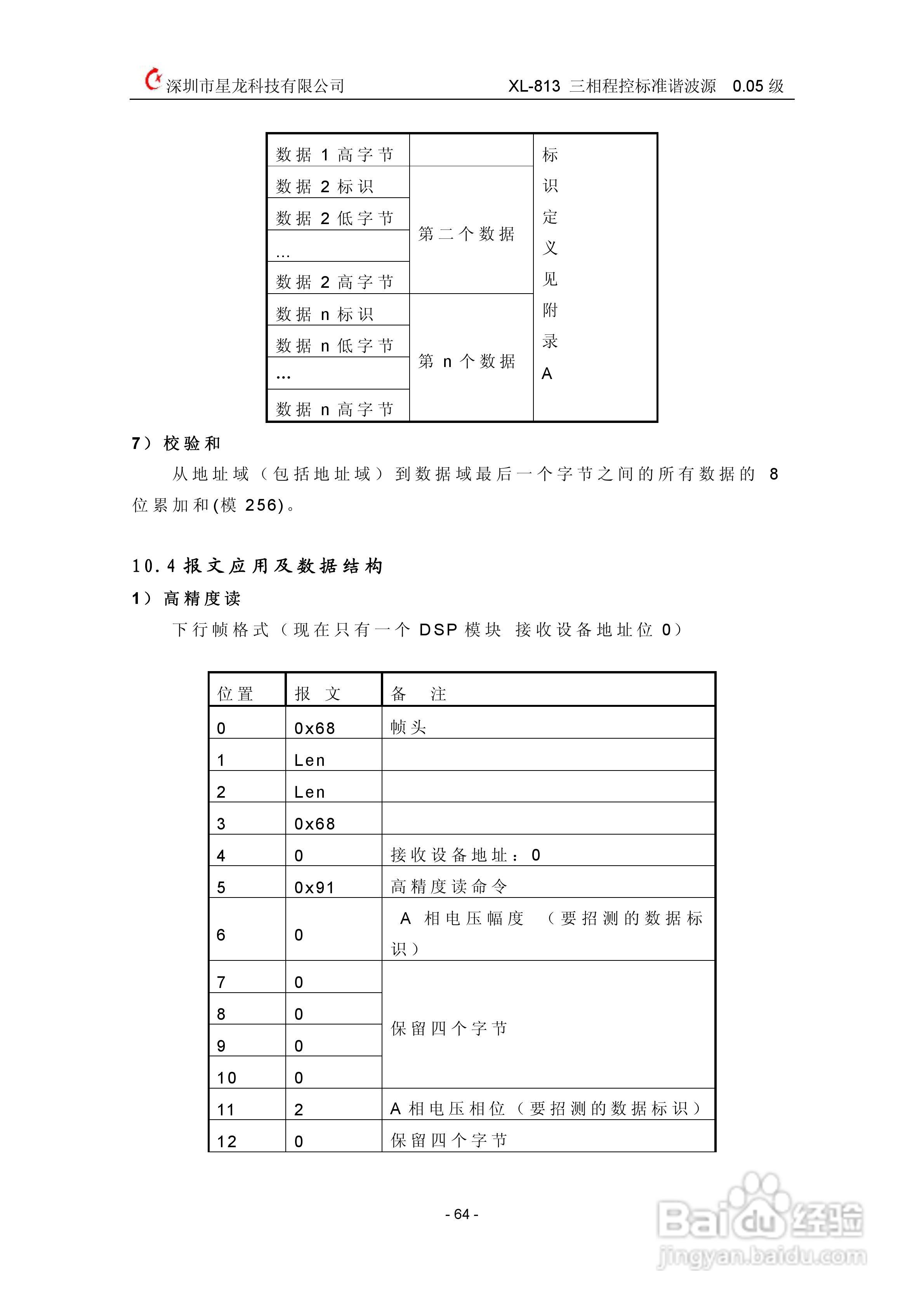
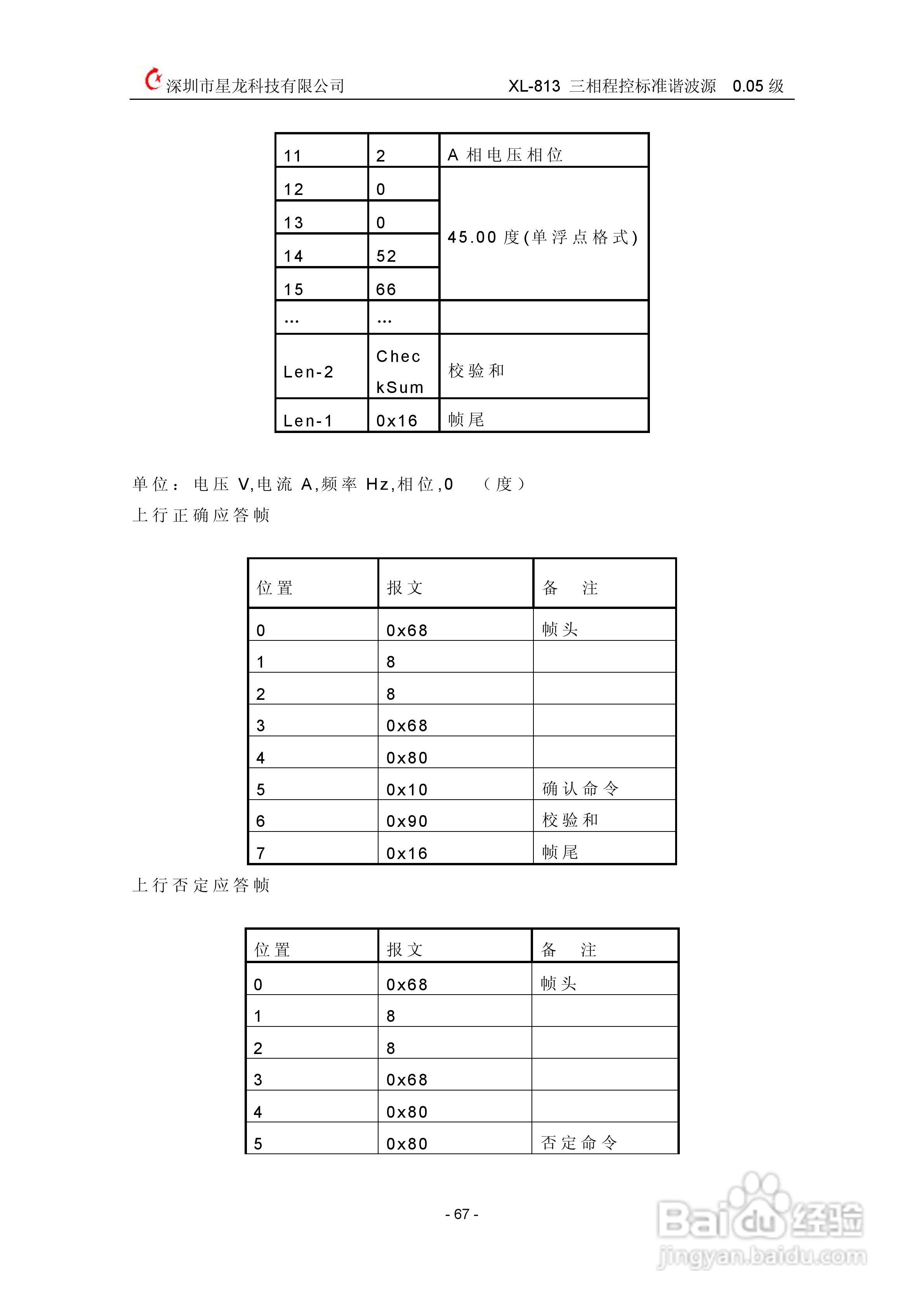
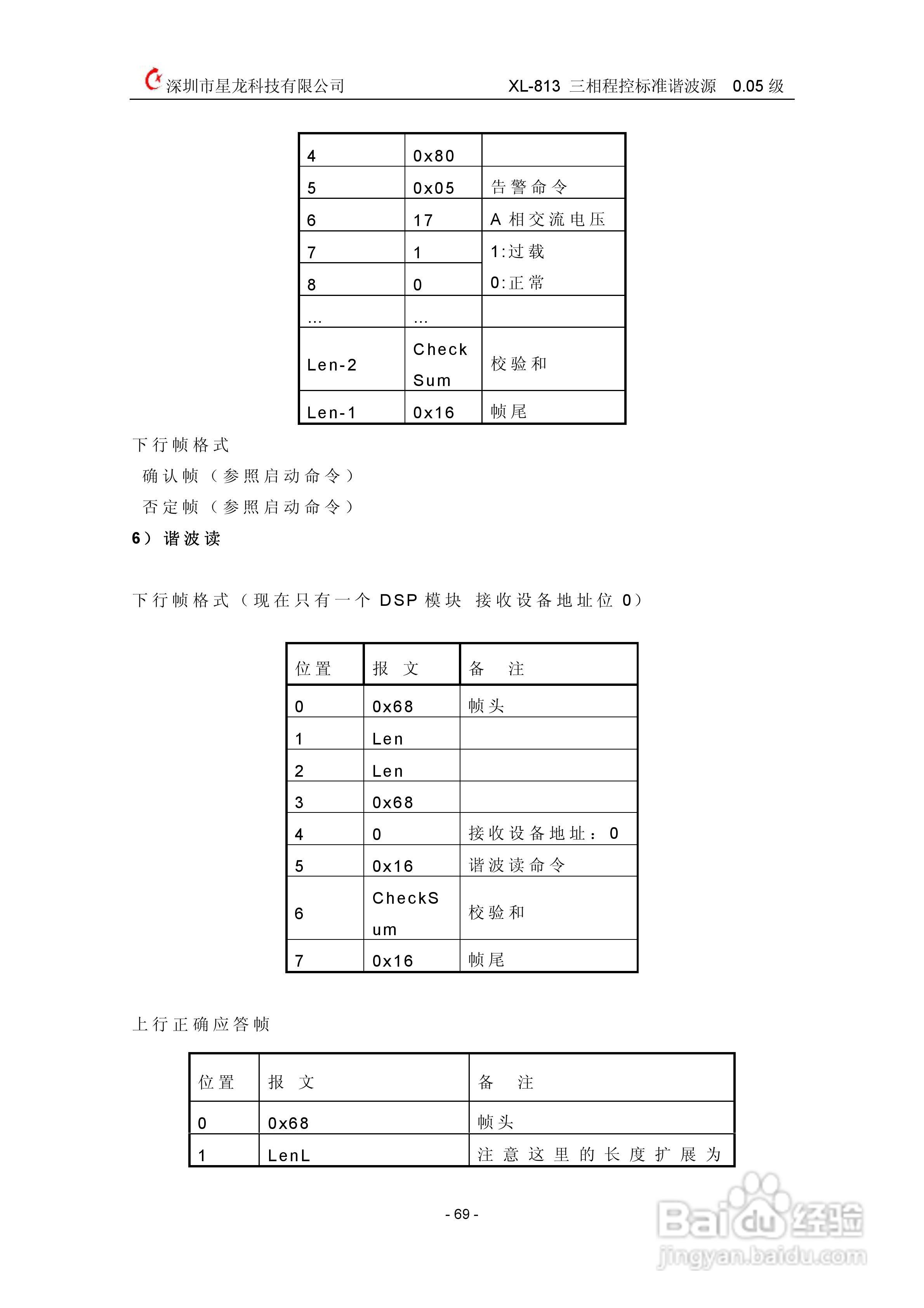
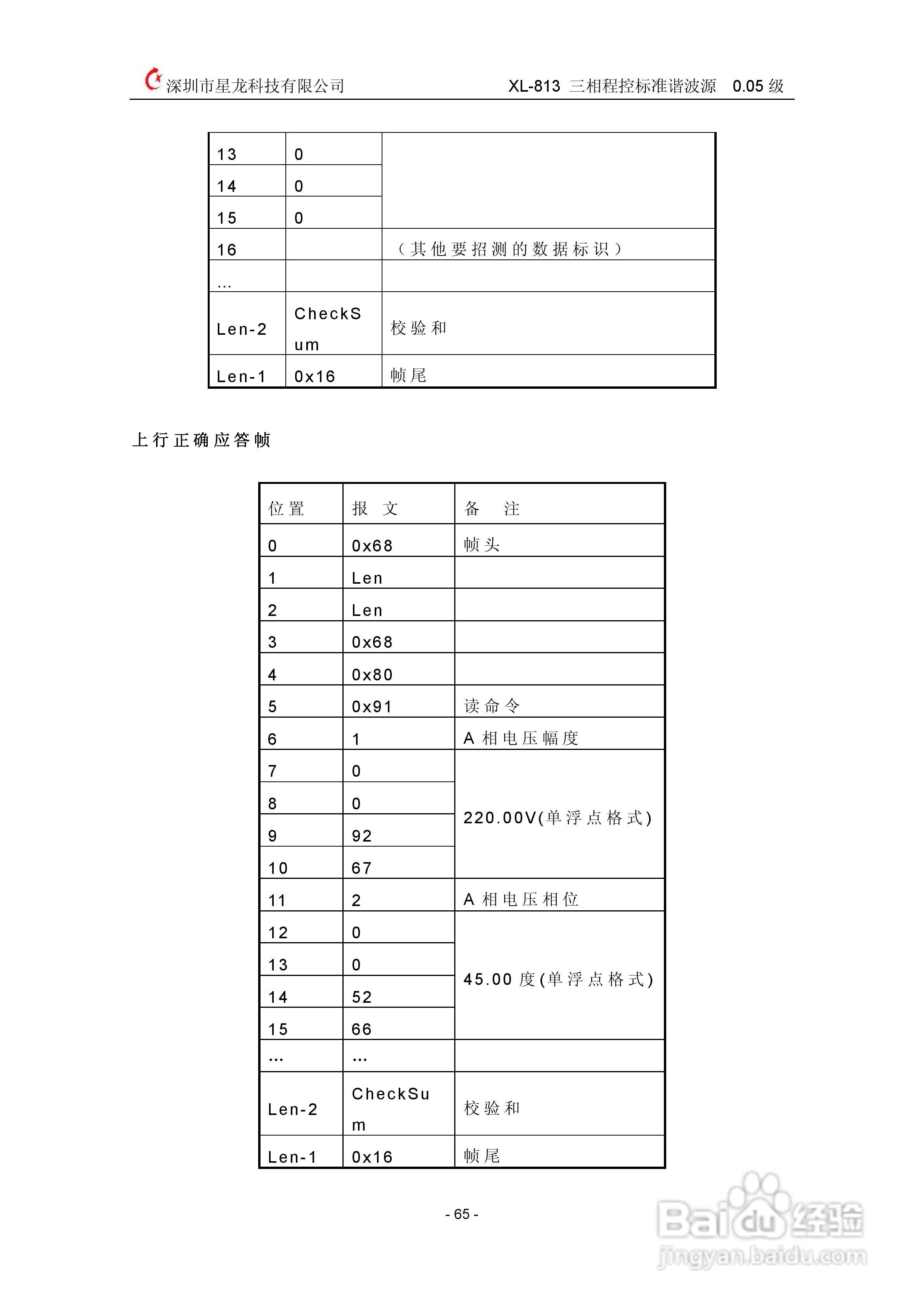
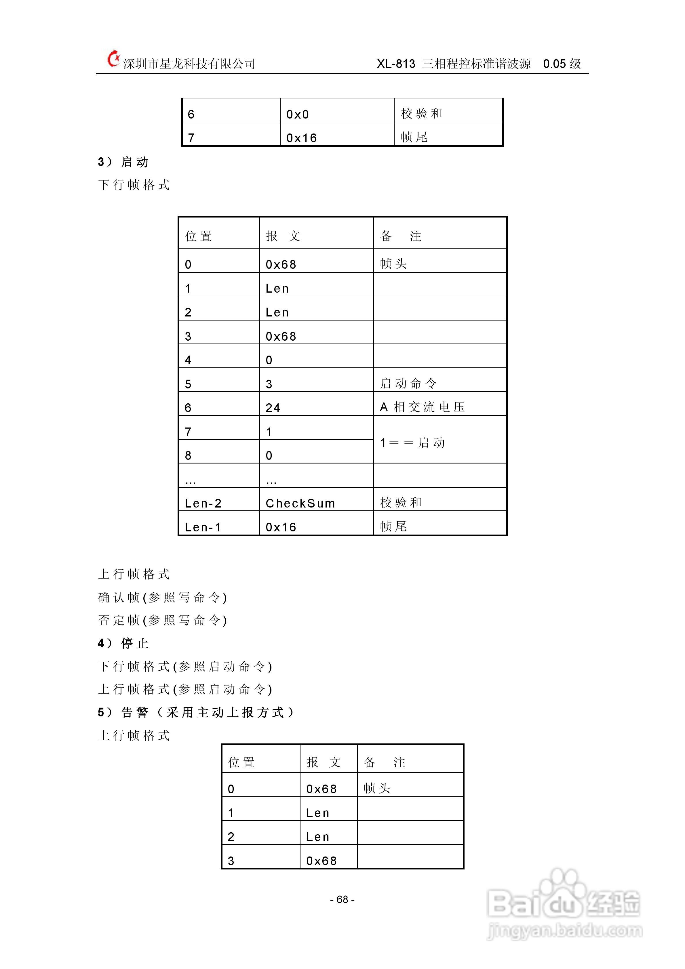
本篇为《XL-813三相程控标准谐波源使用说明书》,主要介绍该产品的使用方法以及常见故障解决方案。
(共篇)
上一篇:
|
下一篇:
声明:
本网站引用、摘录或转载内容仅供网站访问者交流或参考,不代表本站立场,如存在版权或非法内容,请联系站长删除,联系邮箱:site.kefu@qq.com。
相关推荐
XL-813三相程控标准谐波源使用说明书:[8]
阅读量:154
德国宝OZ-280臭氧高温消毒柜使用说明书
阅读量:112
AS3基础教程-第53课-简易计算器(6)
阅读量:147
华硕ET231一体机一键u盘装系统win8教程
阅读量:21
龙的NK-177吸尘器说明书
阅读量:76
猜你喜欢
旌旗是什么意思
火红火红的什么
贫嘴什么意思
什么是打飞机
无症状感染者是什么意思
kg是什么单位名称
贪嗔痴慢疑是什么意思
本科是什么学位
两个维护是什么
here是什么意思
猜你喜欢
授信额度是什么意思
尿多是什么原因
引体向上练什么肌肉
生活是什么
3月8日是什么星座
3月13日是什么星座
tmp是什么文件
改名字需要什么手续
赵忠祥老师什么时候走的
8月19日是什么星座