指南生活
首页
美食营养
手工爱好
生活家居
返回
指南生活
首页
美食营养
游戏数码
手工爱好
生活家居
健康养生
运动户外
职场理财
情感交际
母婴教育
时尚美容
知识问答
生活知识
搜索
HSV-160B+系列全数字交流伺服驱动单元使用说明书:[5]
2026-01-01 16:13:01
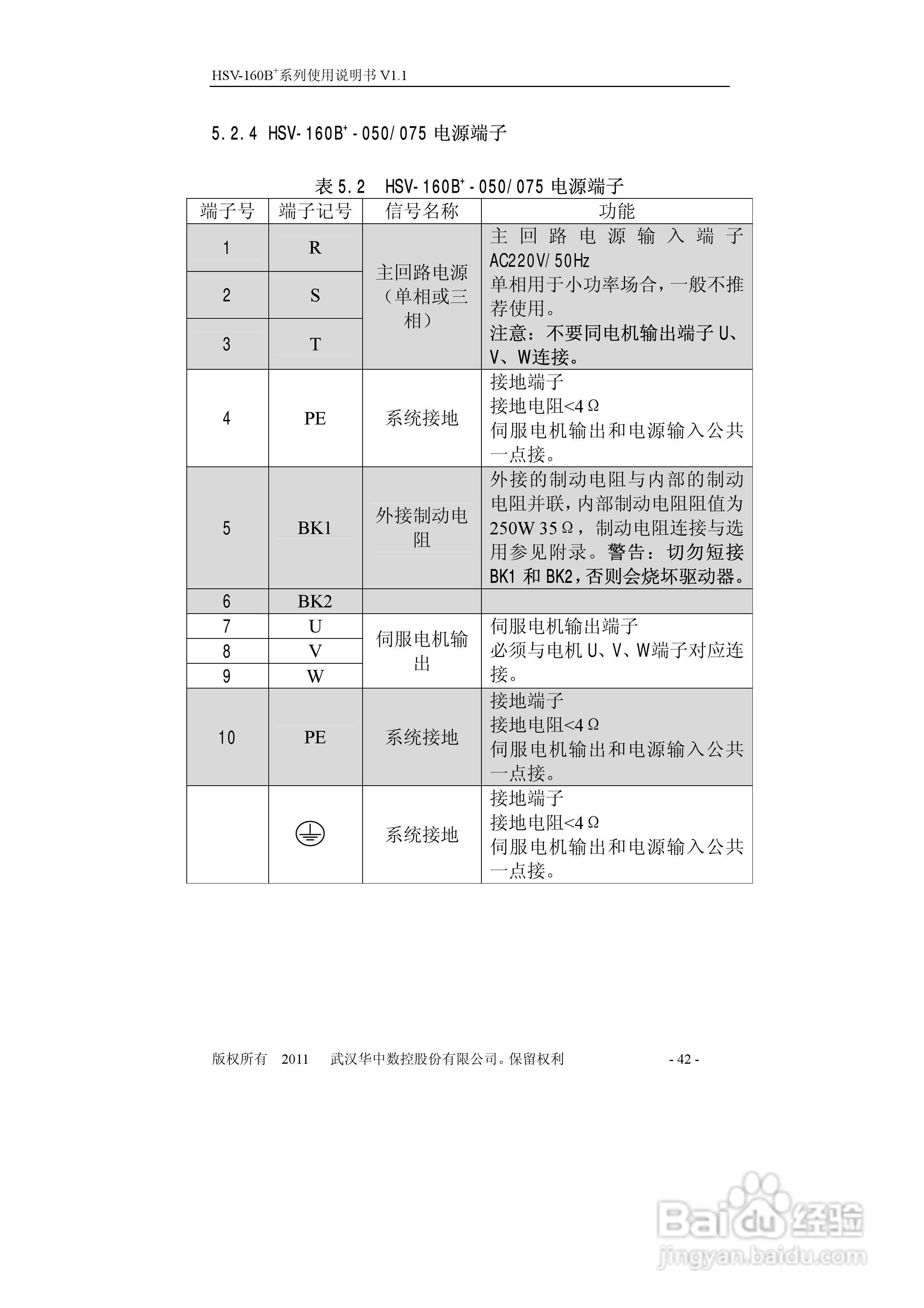
本篇为《HSV-160B+系列全数字交流伺服驱动单元使用说明书》,主要介绍该产品的使用方法以及常见故障解决方案。
(共篇)
上一篇:
|
下一篇:
声明:
本网站引用、摘录或转载内容仅供网站访问者交流或参考,不代表本站立场,如存在版权或非法内容,请联系站长删除,联系邮箱:site.kefu@qq.com。
相关推荐
HSV-160系列全数字交流伺服驱动单元使用说明书:[5]
阅读量:45
HSV-160系列全数字交流伺服驱动单元使用说明书:[1]
阅读量:162
HSV-20D系列全数字交流伺服驱动单元使用说明书:[1]
阅读量:87
伺服驱动器速度怎么计算
阅读量:43
伺服驱动器的七个常见故障及其检修
阅读量:86
猜你喜欢
手机怎么买股票
尿道炎怎么治
新生儿吐奶怎么回事
酱油炒饭怎么做
手机恢复出厂设置会怎么样
本地安全策略怎么打开
mac地址怎么看
怎么治疗近视
怎么穿鞋带好看图解
电影学院怎么考
猜你喜欢
小米max怎么样
精索静脉曲张怎么治
别克昂科威怎么样
怎么改善睡眠质量
心烦的时候怎么办
大宝漆怎么样
内容摘要怎么写
哺乳期牙痛怎么办
比亚迪汽车怎么样
12306密码忘了怎么办